Запчасти Komatsu D41P-6 ТРАНСМИССИЯ (ВЫХОД) СИЛОВАЯ ПЕРЕДАЧА И КОНЕЧНАЯ ПЕРЕДАЧА

Схема запчастей Komatsu D41P-6 - ТРАНСМИССИЯ (ВЫХОД) СИЛОВАЯ ПЕРЕДАЧА И КОНЕЧНАЯ ПЕРЕДАЧА
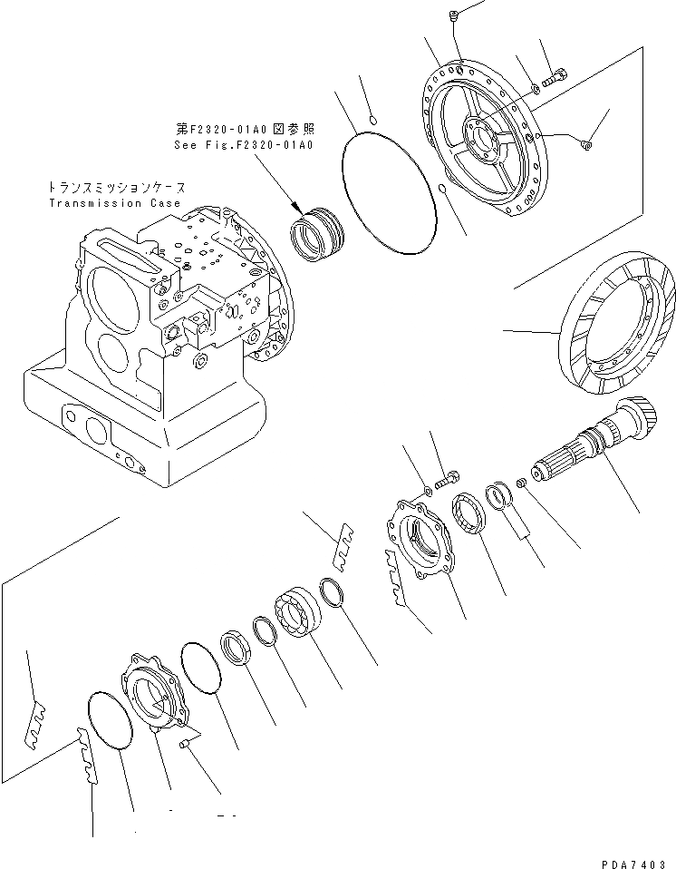
1
2
3
4
5
6
7
7
8
9
10
10
11
12
12
13
13
14
15
16
17
18
19
20
21
22
22
23
FIT
1:1
100%

Артикул

Название

Примечание

Количество

|1

124-15-00030

TRANSMISSION ASS'Y

SN: B20001-UP

1шт.

|$$2

THIS ASSEMBLY CONSISTS OF ALL PARTS SHOWN IN FIGS.F2320-01A0 TO F2320-13A0.

-1шт.

1

124-15-51231

COVER

SN: B20001-UP

1шт.

2

07012-10075

SEAL (K1)

SN: B20001-UP

1шт.

3

124-15-51240

COVER

SN: B20001-UP

1шт.

4

07000-72145

O-RING (K1)

SN: B20001-UP

1шт.

5

07000-72130

O-RING (K1)

SN: B20001-UP

1шт.

6

124-15-51220

BEARING

SN: B20001-UP

1шт.

7

124-15-05210

SHIM ASS'Y (K1)

SN: B20001-UP

1шт.

|7

124-15-51941

SHIM¤ 0.2MM (K1)

SN: B20001-UP

4шт.

|7

124-15-51951

SHIM¤ 0.3MM (K1)

SN: B20001-UP

6шт.

8

01010-81245

BOLT

SN: B20001-UP

4шт.

9

01643-31232

WASHER

SN: B20001-UP

4шт.

10

124-15-05210

SHIM ASS'Y (K1)

SN: (03248)-UP

1шт.

|10

124-15-05220

SHIM ASS'Y (K1)

SN: B20001-(03247)

1шт.

|10

124-15-51941

SHIM¤ 0.2MM (K1)

SN: B20001-UP

4шт.

|10

124-15-51951

SHIM¤ 0.3MM (K1)

SN: B20001-UP

6шт.

|10

124-15-51961

SHIM¤ 1.0MM (K1)

SN: B20001-(03247)

4шт.

|11

124-15-01080

COVER ASS'Y

SN: B20001-UP

1шт.

11

0

COVER

SN: B20001-UP

1шт.

12

07043-00211

PLUG

SN: B20001-UP

2шт.

13

07000-72018

O-RING (K1)

SN: B20001-UP

2шт.

14

07000-75305

O-RING (K1)

SN: B20001-UP

1шт.

15

01010-51025

BOLT

SN: B20001-UP

5шт.

16

01643-31032

WASHER

SN: B20001-UP

5шт.

|17

124-15-01091

SHAFT ASS'Y

SN: (03248)-UP

1шт.

|17

124-15-01090

SHAFT ASS'Y

SN: B20001-(03247)

1шт.

17

0

SHAFT

SN: (03248)-UP

1шт.

|17

0

SHAFT

SN: B20001-(03247)

1шт.

18

07043-70211

PLUG

SN: (03248)-UP

1шт.

|18

568-15-11380

PLUG

SN: B20001-(03247)

1шт.

19

124-22-51111

GEAR¤ BEVEL

SN: B20001-UP

1шт.

20

124-15-59240

RING¤ SEAL

SN: B20001-UP

2шт.

21

124-15-51250

NUT

SN: B20001-UP

1шт.

22

124-15-51261

COLLAR

SN: B20001-UP

2шт.

23

124-15-51270

COLLAR

SN: B20001-UP

1шт.

Выбрано товаров: 36