Запчасти Komatsu D41P-6 ВОЗДУХООЧИСТИТЕЛЬ(№B-) КОМПОНЕНТЫ ДВИГАТЕЛЯ

Схема запчастей Komatsu D41P-6 - ВОЗДУХООЧИСТИТЕЛЬ(№B-) КОМПОНЕНТЫ ДВИГАТЕЛЯ
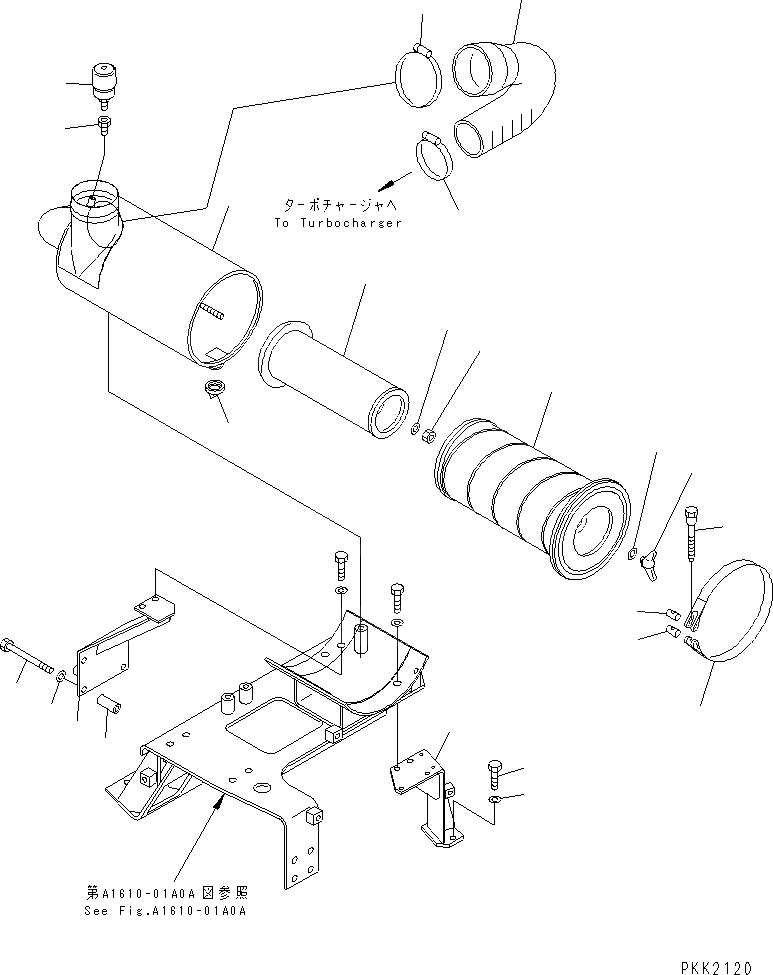
1
2
3
4
5
6
7
8
9
10
11
12
13
14
15
16
17
18
19
20
21
22
23
24
FIT
1:1
100%

Артикул

Название

Примечание

Количество

|1

124-01-51101

AIR CLEANER ASS'Y

SN: B20001-UP

1шт.

1

124-01-51111

BODY

SN: B20001-UP

1шт.

|2

600-181-6050

ELEMENT ASS'Y

SN: B20001-UP

1шт.

|2

600-181-6540

ELEMENT ASS'Y,OUTER

SN: B20001-UP

1шт.

2

0

ELEMENT,OUTER

SN: B20001-UP

1шт.

3

600-181-6570

NUT

SN: B20001-UP

1шт.

4

600-181-6580

WASHER

SN: B20001-UP

1шт.

5

0

ELEMENT,INNER

SN: B20001-UP

1шт.

6

600-181-9671

NUT

SN: B20001-UP

1шт.

7

600-181-7511

WASHER

SN: B20001-UP

1шт.

8

600-181-6590

VALVE

SN: B20001-UP

1шт.

9

600-181-0110

INDICATOR,DUST

SN: B20001-UP

1шт.

10

124-01-51191

NIPPLE

SN: B20001-UP

1шт.

11

124-01-51121

HOSE

SN: B20001-UP

1шт.

12

07289-00120

CLAMP

SN: B20001-UP

1шт.

13

07289-00095

CLAMP

SN: B20001-UP

1шт.

14

6207-81-7190

BAND

SN: B20001-UP

2шт.

15

6110-21-6530

PIN

SN: B20001-UP

2шт.

16

6110-21-6540

PIN¤ WITH THREAD

SN: B20001-UP

2шт.

17

6110-23-6520

BOLT

SN: B20001-UP

2шт.

18

124-01-51151

BRACKET

SN: B20001-UP

1шт.

19

195-979-5190

COLLAR

SN: B20501-UP

4шт.

20

01011-E1030

BOLT

SN: B20001-UP

4шт.

21

01643-31032

WASHER

SN: B20001-UP

4шт.

22

124-01-51162

BRACKET

SN: B20501-UP

1шт.

23

01010-81045

BOLT

SN: B20501-UP

2шт.

24

01643-31032

WASHER

SN: B20001-UP

2шт.

Выбрано товаров: 27