Запчасти Komatsu D41P-6 СИЛОВАЯ ЛИНИЯ (МУФТА И ТОРМОЗ.) СИЛОВАЯ ПЕРЕДАЧА И КОНЕЧНАЯ ПЕРЕДАЧА

Схема запчастей Komatsu D41P-6 - СИЛОВАЯ ЛИНИЯ (МУФТА И ТОРМОЗ.) СИЛОВАЯ ПЕРЕДАЧА И КОНЕЧНАЯ ПЕРЕДАЧА
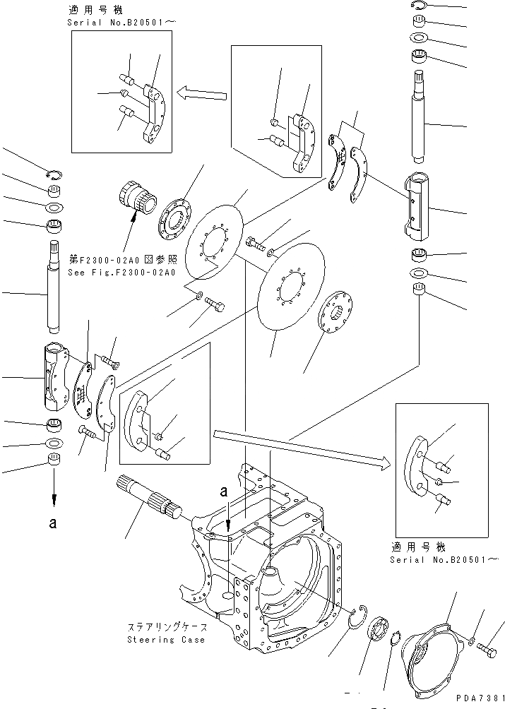
1
2
3
4
5
6
7
7
8
8
9
9
9
10
11
11
11
11
12
12
12
12
12A
12A
13
14
15
15
16
16
16
16
17
17
17
17
18
18
18
18
19
19
20
21
22
23
24
25
26
27
28
29
FIT
1:1
100%

Артикул

Название

Примечание

Количество

1

124-22-52130

HUB

SN: B20001-UP

2шт.

2

124-22-53130

PLATE,CLUTCH

SN: B20082-UP

2шт.

|2

124-22-53110

PLATE,CLUTCH

SN: B20001-B20081

2шт.

3

01010-81225

BOLT

SN: B20001-UP

20шт.

4

01643-31232

WASHER

SN: B20001-UP

20шт.

5

124-22-51251

SHAFT

SN: B20001-UP

2шт.

6

124-22-53260

LINING,CLUTCH

SN: B20082-UP

4шт.

|6

124-22-52150

LINING,CLUTCH

SN: B20001-B20081

4шт.

7

124-22-53260

LINING,BRAKE

SN: B20001-UP

4шт.

8

01240-00820

SCREW

SN: B20001-UP

48шт.

9

124-22-53331

PLATE,BACK-UP¤ CLUTCH

SN: B20501-UP

4шт.

|9

0

PLATE,BACK-UP¤ CLUTCH

SN: B20082-B20500

2шт.

|9

124-22-52161

PLATE,BACK-UP¤ CLUTCH

SN: B20001-B20081

2шт.

10

124-22-53321

PLATE,BACK-UP¤ BRAKE

SN: B20001-B20500

2шт.

11

124-22-52171

PIN

SN: B20001-UP

4шт.

12

124-22-52251

PIN

SN: B20501-UP

4шт.

|12

124-22-52250

PIN

SN: B20082-B20500

4шт.

|12

124-22-52181

PIN

SN: B20001-B20081

8шт.

12A

124-22-52261

PIN

SN: B20501-UP

4шт.

|12A

124-22-52260

PIN

SN: B20082-B20500

4шт.

13

124-22-53270

CASE,CAM¤ CLUTCH

SN: B20082-UP

2шт.

|13

124-22-52190

CASE,CAM¤ CLUTCH

SN: B20001-B20081

2шт.

14

124-22-53270

CASE,CAM¤ BRAKE

SN: B20001-UP

2шт.

15

124-22-52211

SHAFT

SN: B20001-UP

4шт.

16

124-22-52220

BEARING

SN: B20001-UP

8шт.

17

124-22-52230

BEARING

SN: B20001-UP

8шт.

18

124-22-52240

SPACER

SN: B20001-UP

8шт.

19

04064-03515

RING

SN: B20001-UP

4шт.

20

124-22-53121

HUB

SN: B20001-UP

2шт.

21

124-22-53241

PLATE,BRAKE

SN: B20001-UP

2шт.

22

01010-81225

BOLT

SN: B20001-UP

20шт.

23

01643-31232

WASHER

SN: B20001-UP

20шт.

24

06040-06212

BEARING

SN: B20001-UP

2шт.

25

04065-01104

RING

SN: B20001-UP

2шт.

26

04064-06020

RING

SN: B20001-UP

2шт.

27

124-22-55122

CAGE

SN: B20501-UP

2шт.

|27

124-22-55121

CAGE

SN: B20001-B20500

2шт.

28

01010-81230

BOLT

SN: B20001-UP

12шт.

29

01643-31232

WASHER

SN: B20001-UP

12шт.

Выбрано товаров: 39