Запчасти Komatsu D41P-6 ВОЗДУХООЧИСТИТЕЛЬ КОМПОНЕНТЫ ДВИГАТЕЛЯ

Схема запчастей Komatsu D41P-6 - ВОЗДУХООЧИСТИТЕЛЬ КОМПОНЕНТЫ ДВИГАТЕЛЯ
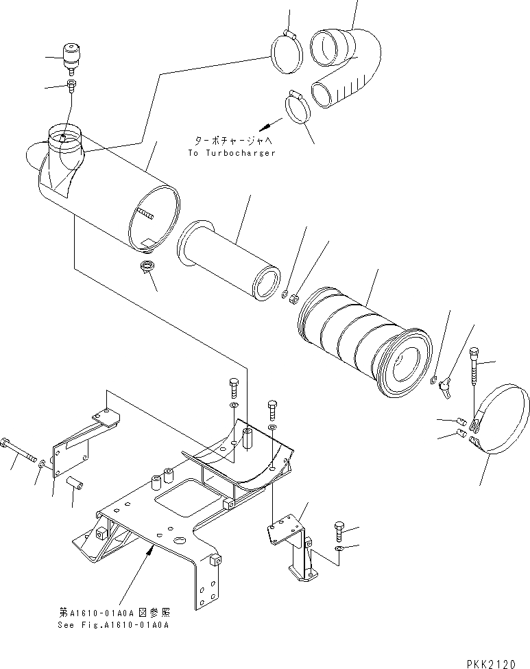
1
2
3
4
5
6
7
8
9
10
11
12
13
14
15
16
17
18
19
20
21
22
23
24
FIT
1:1
100%

Артикул

Название

Примечание

Количество

|1

124-01-61100

AIR CLEANER ASS'Y

SN: B30001-UP

1шт.

1

124-01-61110

BODY

SN: B30001-UP

1шт.

|2

600-181-6740

ELEMENT ASS'Y

SN: B30001-UP

1шт.

|2

600-181-6820

ELEMENT ASS'Y,OUTER

SN: B30001-UP

1шт.

2

0

ELEMENT,OUTER

SN: B30001-UP

1шт.

3

600-181-6850

NUT

SN: B30001-UP

1шт.

4

600-181-6840

GASKET

SN: B30001-UP

1шт.

5

0

ELEMENT,INNER

SN: B30001-UP

1шт.

6

600-181-9671

NUT

SN: B30001-UP

1шт.

7

600-181-7511

WASHER

SN: B30001-UP

1шт.

8

600-181-6590

VALVE

SN: B30001-UP

1шт.

9

08670-02001

INDICATOR,DUST

SN: B30001-UP

1шт.

10

124-01-51191

NIPPLE

SN: B30001-UP

1шт.

11

124-01-61121

HOSE

SN: B30001-UP

1шт.

12

6212-11-4840

CLAMP

SN: B30001-UP

1шт.

13

6152-12-4490

CLAMP

SN: B30001-UP

1шт.

14

6131-11-4520

BAND ASS'Y

SN: B30001-UP

2шт.

15

6643-11-4620

PIN

SN: B30001-UP

2шт.

16

6643-11-4630

PIN¤ WITH THREAD

SN: B30001-UP

2шт.

17

6643-11-4641

BOLT

SN: B30001-UP

2шт.

18

124-01-51151

BRACKET

SN: B30001-UP

1шт.

19

195-979-5190

COLLAR

SN: B30001-UP

4шт.

20

01436-01030

BOLT

SN: B30001-UP

4шт.

21

01643-31032

WASHER

SN: B30001-B30001

4шт.

22

124-01-61160

BRACKET

SN: B30001-UP

1шт.

23

01435-01240

BOLT

SN: B30001-UP

2шт.

24

01643-31032

WASHER

SN: B30001-B30001

2шт.

Выбрано товаров: 27