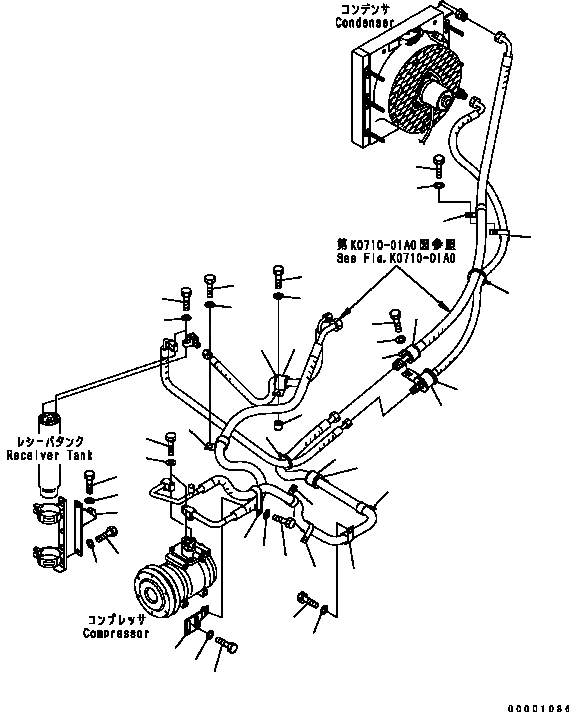
Запчасти Komatsu D41P-6 КОНДИЦ. ВОЗДУХА (КОРПУС ЛИНИИ) КАБИНА ОПЕРАТОРА И СИСТЕМА УПРАВЛЕНИЯ

Схема запчастей Komatsu D41P-6 - КОНДИЦ. ВОЗДУХА (КОРПУС ЛИНИИ) КАБИНА ОПЕРАТОРА И СИСТЕМА УПРАВЛЕНИЯ
5
4
1
3
2
39
38
30
6
8
7
18
17
33
35
34
14
14
15
16
19
13
36
10
9
12
11
32
31
37
39
21
24
25
20
22
23
36
27
26
29
28
14
FIT
1:1
100%

Артикул

Название

Примечание

Количество

1

124-Z11-1150

BRACKET

SN: B40001-UP

1шт.

2

01010-81225

BOLT

SN: B40001-UP

2шт.

3

01643-31232

WASHER

SN: B40001-UP

2шт.

4

01010-80816

BOLT

SN: B40001-UP

2шт.

5

01643-30823

WASHER

SN: B40001-UP

2шт.

6

124-Z11-1890

PLATE

SN: B40001-UP

1шт.

7

01010-81020

BOLT

SN: B40001-UP

2шт.

8

01643-31032

WASHER

SN: B40001-UP

2шт.

9

04434-52710

CLIP

SN: B40001-UP

1шт.

10

07095-20418

CUSHION

SN: B40002-UP

1шт.

11

01010-81035

BOLT

SN: B40001-UP

1шт.

12

01643-31032

WASHER

SN: B40001-UP

1шт.

13

201-03-29160

SPACER

SN: B40001-UP

1шт.

14

04434-52310

CLIP

SN: B40001-UP

3шт.

15

04434-53210

CLIP

SN: B40001-UP

1шт.

16

07095-20523

CUSHION

SN: B40001-UP

1шт.

17

01010-81020

BOLT

SN: B40001-UP

2шт.

18

01643-31032

WASHER

SN: B40001-UP

2шт.

19

04434-52312

CLIP

SN: B40001-UP

1шт.

20

04434-53212

CLIP

SN: B40001-UP

1шт.

21

07095-20522

CUSHION

SN: B40001-UP

1шт.

22

144-874-6960

CLIP

SN: B40001-UP

1шт.

23

07095-00418

CUSHION

SN: B40001-UP

1шт.

24

01010-81220

BOLT

SN: B40001-UP

1шт.

25

01643-31232

WASHER

SN: B40001-UP

1шт.

26

04434-52312

CLIP

SN: B40001-UP

1шт.

27

04434-51912

CLIP

SN: B40001-UP

1шт.

28

01010-81220

BOLT

SN: B40001-UP

1шт.

29

01643-31232

WASHER

SN: B40001-UP

1шт.

30

04434-52710

CLIP

SN: B40001-UP

1шт.

31

01010-81020

BOLT

SN: B40001-UP

1шт.

32

01643-31032

WASHER

SN: B40001-UP

1шт.

33

566-07-41440

CLIP

SN: B40001-UP

1шт.

34

01010-81020

BOLT

SN: B40001-UP

1шт.

35

01643-31032

WASHER

SN: B40001-UP

1шт.

36

08034-00519

BAND

SN: B40001-UP

2шт.

37

01010-80625

BOLT

SN: B40001-UP

2шт.

38

01010-80630

BOLT

SN: B40001-UP

2шт.

39

01641-20608

WASHER

SN: B40001-UP

4шт.

Выбрано товаров: 39