Запчасти Komatsu D41P-6 ПРИБОРНАЯ ПАНЕЛЬ (КАБИНА) (С КОНДИЦИОНЕРОМ) (МОНИТОР) КАБИНА ОПЕРАТОРА И СИСТЕМА УПРАВЛЕНИЯ

Схема запчастей Komatsu D41P-6 - ПРИБОРНАЯ ПАНЕЛЬ (КАБИНА) (С КОНДИЦИОНЕРОМ) (МОНИТОР) КАБИНА ОПЕРАТОРА И СИСТЕМА УПРАВЛЕНИЯ
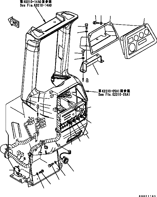
3
4
2
1
5
6
8
9
7
10
12
11
13
14
18
20
19
16
17
15
FIT
1:1
100%

Артикул

Название

Примечание

Количество

1

7831-68-1000

PANEL ASSEMBLY

SN: B40001-UP

1шт.

2

14X-911-9211

BRACKET

SN: B40001-UP

1шт.

3

01010-80612

BOLT

SN: B40001-UP

4шт.

4

01643-30623

WASHER

SN: B40001-UP

4шт.

5

01010-81020

BOLT

SN: B40001-UP

2шт.

6

01643-31032

WASHER

SN: B40001-UP

2шт.

7

14X-911-9221

BRACKET

SN: B40001-UP

1шт.

8

01010-81020

BOLT

SN: B40001-UP

2шт.

9

01643-31032

WASHER

SN: B40001-UP

2шт.

10

08086-10000

SWITCH

SN: B40001-UP

1шт.

11

14X-06-12160

SWITCH

SN: B40001-UP

2шт.

12

14X-06-12190

SWITCH

SN: B40001-UP

1шт.

13

114-06-42310

SWITCH

SN: B40001-UP

1шт.

14

124-06-65271

DIODE

SN: B40001-UP

1шт.

15

14X-06-21550

TIMER

SN: B40001-UP

1шт.

16

01220-40512

SCREW

SN: B40001-UP

2шт.

17

01641-20508

WASHER

SN: B40001-UP

2шт.

18

14X-06-22150

BUZZER ASSEMBLY

SN: B40001-UP

1шт.

19

01010-80612

BOLT

SN: B40001-UP

1шт.

20

01643-30623

WASHER

SN: B40001-UP

1шт.

Выбрано товаров: 20