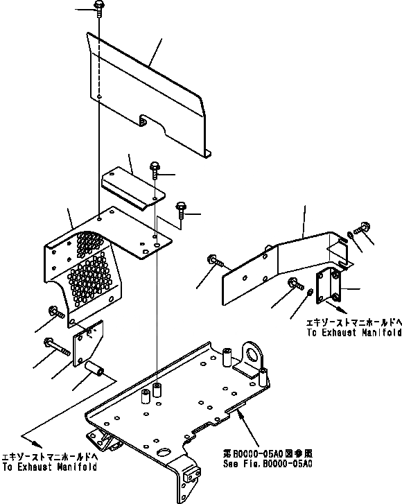
Запчасти Komatsu D41P-6 ТЕРМОЗАЩИТА КОМПОНЕНТЫ ДВИГАТЕЛЯ

Схема запчастей Komatsu D41P-6 - ТЕРМОЗАЩИТА КОМПОНЕНТЫ ДВИГАТЕЛЯ
16
9A
15
10
11
1
8
3
4
5
2
7
6
9
14
12
13
FIT
1:1
100%

Артикул

Название

Примечание

Количество

1

124-01-51711

COVER

SN: B40001-UP

1шт.

2

01435-01016

BOLT

SN: B40001-UP

3шт.

3

01435-01020

BOLT

SN: B40001-UP

2шт.

4

01643-31032

WASHER

SN: B40001-UP

2шт.

5

124-01-51750

BRACKET

SN: B40001-UP

1шт.

6

01643-31032

WASHER

SN: B40001-UP

2шт.

7

01435-01075

BOLT

SN: B40001-UP

2шт.

8

124-01-61721

COVER

SN: B40001-UP

1шт.

9

01435-01016

BOLT

SN: B40001-UP

2шт.

9A

01435-01220

BOLT

SN: B40001-UP

2шт.

10

124-01-61772

COVER

SN: B40949-UP

1шт.

|$11

124-01-61771

COVER

SN: B40001-B40948

1шт.

11

01435-00816

BOLT

SN: B40001-UP

2шт.

12

124-01-61220

BRACKET

SN: B40001-UP

1шт.

13

124-01-61660

COLLAR

SN: B40001-UP

2шт.

14

01436-01030

BOLT

SN: B40001-UP

2шт.

15

124-01-61780

COVER

SN: B40001-UP

1шт.

16

01435-00816

BOLT

SN: B40001-UP

3шт.

Выбрано товаров: 18