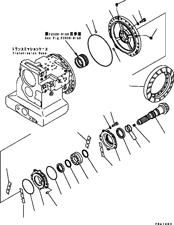
Запчасти Komatsu D41P-6 ТРАНСМИССИЯ (ВЫХОД) СИЛОВАЯ ПЕРЕДАЧА И КОНЕЧНАЯ ПЕРЕДАЧА

Схема запчастей Komatsu D41P-6 - ТРАНСМИССИЯ (ВЫХОД) СИЛОВАЯ ПЕРЕДАЧА И КОНЕЧНАЯ ПЕРЕДАЧА
10
10
4
3
23
5
21
22
6
22
7
1
2
20
18
17
8
9
7
19
13
14
13
11
12
15
16
12
FIT
1:1
100%

Артикул

Название

Примечание

Количество

|$1

124-15-51010

TRANSMISSION ASSEMBLY

SN: B40001-UP

1шт.

|$2

THIS ASSEMBLY CONSISTS OF ALL PARTS SHOWN IN FIGS.F2320-01A0 TO F2320-13A0.

-1шт.

1

124-15-51231

COVER

SN: B40001-UP

1шт.

2

07012-10075

SEAL (K1)

SN: B40001-UP

1шт.

3

124-15-51240

COVER

SN: B40001-UP

1шт.

4

07000-72145

O-RING (K1)

SN: B40001-UP

1шт.

5

07000-72130

O-RING (K1)

SN: B40001-UP

1шт.

6

124-15-51220

BEARING

SN: B40001-UP

1шт.

7

124-15-05210

SHIM ASSEMBLY (K1)

SN: B40001-UP

1шт.

|$10

124-15-51941

SHIM, 0.2MM (K1)

SN: B40001-UP

4шт.

|$11

124-15-51951

SHIM, 0.3MM (K1)

SN: B40001-UP

6шт.

8

01010-81245

BOLT

SN: B40001-UP

4шт.

9

01643-31232

WASHER

SN: B40001-UP

4шт.

10

124-15-05210

SHIM ASSEMBLY (K1)

SN: B40001-UP

1шт.

|$15

124-15-51941

SHIM, 0.2MM (K1)

SN: B40001-UP

4шт.

|$16

124-15-51951

SHIM, 0.3MM (K1)

SN: B40001-UP

6шт.

|$17

124-15-01080

COVER ASSEMBLY

SN: B40001-UP

1шт.

11

0

COVER

SN: B40001-UP

1шт.

12

07043-70211

PLUG

SN: B40001-UP

2шт.

13

07000-72018

O-RING (K1)

SN: B40001-UP

2шт.

14

07000-75305

O-RING (K1)

SN: B40001-UP

1шт.

15

01010-81025

BOLT

SN: B40001-UP

5шт.

16

01643-31032

WASHER

SN: B40001-UP

5шт.

|$24

124-15-02091

SHAFT ASSEMBLY

SN: B40001-UP

1шт.

17

0

SHAFT

SN: B40001-UP

1шт.

18

07043-70211

PLUG

SN: B40001-UP

1шт.

19

0

GEAR, BEVEL

SN: B40001-UP

1шт.

20

124-15-59240

RING

SN: B40001-UP

2шт.

21

124-15-51251

NUT

SN: B40001-UP

1шт.

22

124-15-51261

COLLAR

SN: B40001-UP

2шт.

23

124-15-51270

COLLAR

SN: B40001-UP

1шт.

Выбрано товаров: 31