Запчасти Komatsu D41P-6K ВОДН. КЛАПАН КОМПОНЕНТЫ ДВИГАТЕЛЯ

Схема запчастей Komatsu D41P-6K - ВОДН. КЛАПАН КОМПОНЕНТЫ ДВИГАТЕЛЯ
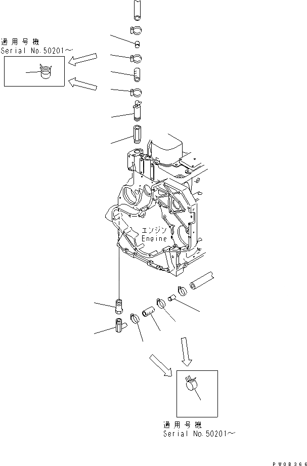
1
2
3
3
4
4
5
5
5
5
5
5
6
7
FIT
1:1
100%

Артикул

Название

Примечание

Количество

1

567-07-15221

JOINT

SN: 50001-UP

1шт.

2

124-911-1170

ADAPTER

SN: 50001-UP

1шт.

3

144-Z79-2840

PLUG

SN: 50001-UP

2шт.

4

195-979-4841

HOSE, 50MM

SN: 50001-UP

2шт.

5

09479-02400

CLAMP

SN: 50201-UP

4шт.

5

07281-00259

CLAMP

SN: 50001-50200

4шт.

6

09482-10000

VALVE

SN: 50001-UP

1шт.

7

209-988-1280

NIPPLE

SN: 50001-UP

1шт.

Выбрано товаров: 8