Запчасти Komatsu D41P-6K ТРАНСМИССИЯ (НАПОЛНИТЕЛЬ И ТРУБЫ) СИЛОВАЯ ПЕРЕДАЧА И КОНЕЧНАЯ ПЕРЕДАЧА

Схема запчастей Komatsu D41P-6K - ТРАНСМИССИЯ (НАПОЛНИТЕЛЬ И ТРУБЫ) СИЛОВАЯ ПЕРЕДАЧА И КОНЕЧНАЯ ПЕРЕДАЧА
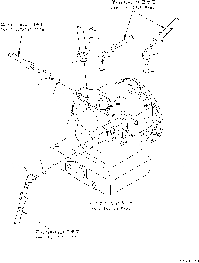
1
2
3
4
5
6
7
8
9
10
11
12
FIT
1:1
100%

Артикул

Название

Примечание

Количество

|1

124-15-00031

TRANSMISSION ASS'Y

SN: 50001-UP

1шт.

|$$2

THIS ASSEMBLY CONSISTS OF ALL PARTS SHOWN IN FIGS.F2320-01A0 TO F2320-13A0.

-1шт.

1

124-49-51192

FILLER

SN: 50001-UP

1шт.

2

01010-81030

BOLT

SN: 50001-UP

2шт.

3

01643-31032

WASHER

SN: 50001-UP

2шт.

4

07000-73035

O-RING (K1)

SN: 50001-UP

1шт.

5

07236-10522

ELBOW

SN: 50001-UP

1шт.

6

07002-32434

O-RING (K1)

SN: 50001-UP

1шт.

7

07235-10315

ELBOW

SN: 50001-UP

1шт.

8

07002-32034

O-RING (K1)

SN: 50001-UP

1шт.

9

21W-62-11290

UNION

SN: 50001-UP

1шт.

10

07002-32034

O-RING (K1)

SN: 50001-UP

1шт.

11

07236-10422

ELBOW

SN: 50001-UP

2шт.

12

07002-32034

O-RING (K1)

SN: 50001-UP

2шт.

Выбрано товаров: 14