Запчасти Komatsu D41PF-6 КОРПУС КРЕПЛЕНИЯ КОМПОНЕНТЫ ДВИГАТЕЛЯ

Схема запчастей Komatsu D41PF-6 - КОРПУС КРЕПЛЕНИЯ КОМПОНЕНТЫ ДВИГАТЕЛЯ
1
1
2
2
3
3
4
4
5
5
6
6
7
7
8
8
FIT
1:1
100%

Артикул

Название

Примечание

Количество

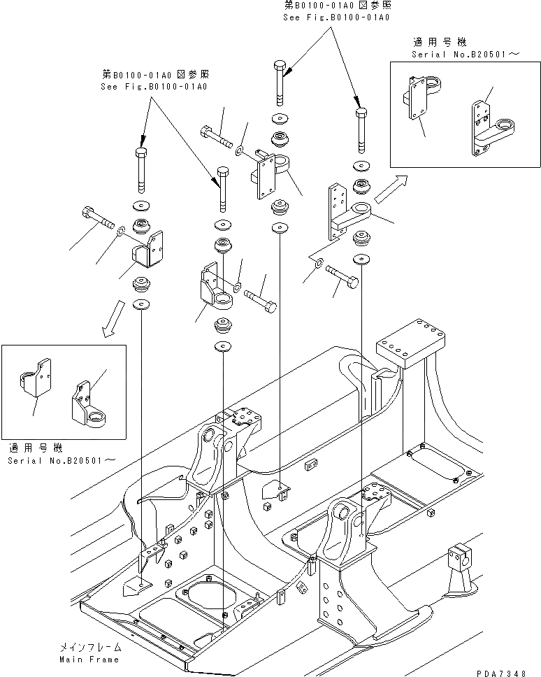
1

124-01-51412

BRACKET,FRONT¤ L.H.

SN: B29001-UP

1шт.

2

124-01-51421

BRACKET,FRONT¤ R.H.

SN: B29001-UP

1шт.

3

01011-81240

BOLT

SN: B29001-UP

6шт.

4

01643-31232

WASHER

SN: B29001-UP

6шт.

5

124-01-51431

BRACKET,REAR¤ L.H.

SN: B29001-UP

1шт.

6

124-01-51442

BRACKET,REAR¤ R.H.

SN: B29001-UP

1шт.

7

01011-81240

BOLT

SN: B29001-UP

8шт.

8

01643-31232

WASHER

SN: B29001-UP

8шт.

Выбрано товаров: 8