Запчасти Komatsu D41PF-6 ТОПЛИВН. БАК. (С МОНИТОРОМ) ТОПЛИВН. БАК. AND КОМПОНЕНТЫ

Схема запчастей Komatsu D41PF-6 - ТОПЛИВН. БАК. (С МОНИТОРОМ) ТОПЛИВН. БАК. AND КОМПОНЕНТЫ
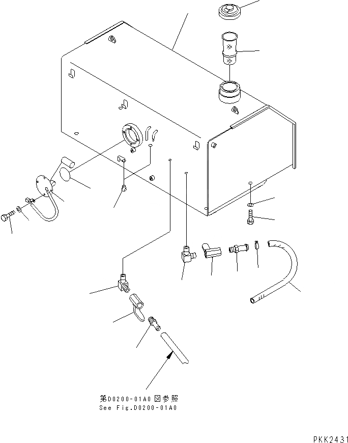
1
1A
2
3
4
4
5
5
6
6
7
8
9
10
11
12
13
14
FIT
1:1
100%

Артикул

Название

Примечание

Количество

1

124-X16-2011

TANK,FUEL

SN: B29001-UP

1шт.

1A

07049-01012

PLUG,FUEL

SN: B29001-UP

2шт.

2

20Y-04-11160

CAP

SN: B29001-UP

1шт.

3

07056-18416

STRAINER

SN: B29001-UP

1шт.

4

07700-40240

VALVE

SN: B29001-UP

2шт.

5

120-04-41130

NIPPLE

SN: B29001-UP

2шт.

6

20D-68-11670

ELBOW

SN: B29001-UP

2шт.

7

7861-92-4940

SENSOR,FUEL LEVEL

SN: B29001-UP

1шт.

8

07000-02085

O-RING

SN: B29001-UP

1шт.

9

01010-81020

BOLT

SN: B29001-UP

4шт.

10

01643-31032

WASHER

SN: B29001-UP

4шт.

11

01010-81680

BOLT

SN: B29001-UP

4шт.

12

01643-31645

WASHER

SN: B29001-UP

4шт.

13

07285-00115

CLIP

SN: B29001-UP

1шт.

14

07270-01035

TUBE

SN: B29001-UP

1шт.

Выбрано товаров: 15