Запчасти Komatsu D41PF-6K ЗАЩИТА КАТКОВ(№9-) ХОДОВАЯ

Схема запчастей Komatsu D41PF-6K - ЗАЩИТА КАТКОВ(№9-) ХОДОВАЯ
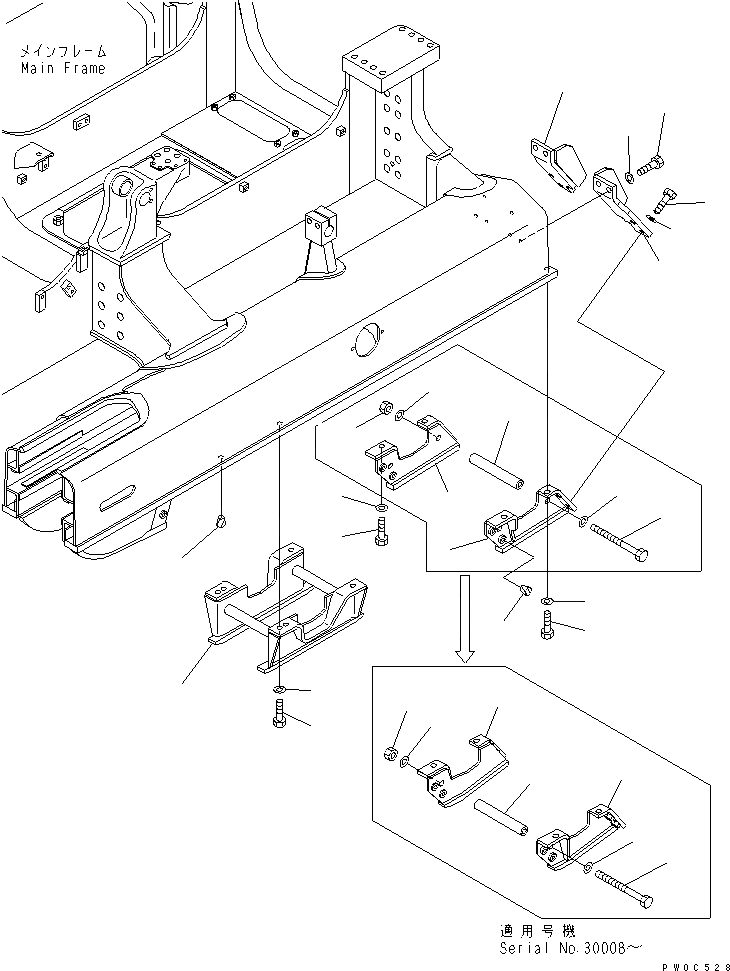
1
1
2
3
4
4
5
6
7
8
9
9
10
10
11
11
12
12
13
13
14
14
14
14
15
16
17
18
19
FIT
1:1
100%

Артикул

Название

Примечание

Количество

1

12G-21-51153

BRACKET

SN: 30008-30100

1шт.

|1

12G-21-51152

BRACKET

SN: 29021-30007

2шт.

2

01010-81635

BOLT

SN: 29021-@

4шт.

3

01643-31645

WASHER

SN: 29021-@

4шт.

4

12G-21-51163

BRACKET

SN: 30008-30100

2шт.

|4

12G-21-51162

BRACKET

SN: 29021-30007

2шт.

5

01010-81635

BOLT

SN: 29021-@

4шт.

6

01643-31645

WASHER

SN: 29021-@

4шт.

7

12G-21-51182

GUARD

SN: 30008-@

2шт.

|7

12G-21-51181

GUARD

SN: 29021-30007

2шт.

8

12G-21-51192

GUARD

SN: 30008-@

2шт.

|8

12G-21-51191

GUARD

SN: 29021-30007

2шт.

9

01010-81645

BOLT

SN: 29021-@

16шт.

10

01643-31645

WASHER

SN: 29021-@

16шт.

11

12G-30-51531

COLLAR

SN: 30008-@

2шт.

|11

12G-30-51531

COLLAR

SN: 29021-30007

4шт.

12

09205-26270

BOLT

SN: 30008-@

2шт.

|12

09205-26270

BOLT

SN: 29021-30007

4шт.

13

01580-11613

NUT

SN: 30008-@

2шт.

|13

01580-11613

NUT

SN: 29021-30007

4шт.

14

01643-31645

WASHER

SN: 30008-@

4шт.

|14

01643-31645

WASHER

SN: 29021-30007

8шт.

15

07049-01215

PLUG

SN: 29021-@

16шт.

16

07049-01620

PLUG

SN: 29021-@

6шт.

17

12G-30-51613

GUARD

SN: 30008-30100

2шт.

|17

12G-30-51612

GUARD

SN: 29021-30007

2шт.

18

01010-81635

BOLT

SN: 29021-@

8шт.

19

01643-31645

WASHER

SN: 29021-@

8шт.

Выбрано товаров: 28