Запчасти Komatsu D41PF-6K -POINT СЦЕПКА (/8) РАБОЧЕЕ ОБОРУДОВАНИЕ

Схема запчастей Komatsu D41PF-6K - -POINT СЦЕПКА (/8) РАБОЧЕЕ ОБОРУДОВАНИЕ
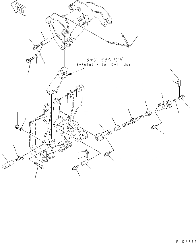
1
2
3
4
5
6
7
8
9
10
11
12
13
14
15
16
17
18
19
20
21
22
23
24
25
26
FIT
1:1
100%

Артикул

Название

Примечание

Количество

1

120-X54-1810

ROD

SN: 29021-UP

1шт.

2

07020-00000

FITTING

SN: 29021-UP

1шт.

3

120-X54-1180

CHAIN

SN: 29021-UP

1шт.

4

120-X54-1820

NUT

SN: 29021-UP

1шт.

5

120-X54-1790

ROD

SN: 29021-UP

1шт.

6

120-X54-1830

NUT

SN: 29021-UP

1шт.

7

120-X54-1781

ROD

SN: 30008-UP

1шт.

|7

120-X54-1780

ROD

SN: 29021-30007

1шт.

8

07020-00000

FITTING

SN: 29021-UP

1шт.

9

120-Y54-4290

PIN

SN: 29021-UP

1шт.

10

07020-00000

FITTING

SN: 29021-UP

1шт.

11

12F-954-2470

PIN

SN: 29021-UP

1шт.

12

120-Y54-4310

RING

SN: 29021-UP

1шт.

13

12F-954-2290

BUSHING,(FOR 25.4MM)

SN: 29021-UP

1шт.

14

112-901-1190

PIN,25.4MM DIAMETER

SN: 29021-UP

1шт.

|14

12F-954-2430

PIN,31.75MM DIAMETER

SN: 29021-UP

1шт.

15

409-70-11410

PIN

SN: 29021-UP

1шт.

16

409-70-11420

RING

SN: 29021-UP

1шт.

17

09241-60195

PIN

SN: 29021-UP

2шт.

18

120-Y54-4380

PIN

SN: 29021-UP

2шт.

19

01011-81015

BOLT

SN: 29021-UP

2шт.

20

01602-21030

WASHER

SN: 29021-UP

2шт.

21

01580-11008

NUT

SN: 29021-UP

2шт.

22

07020-00000

FITTING

SN: 29021-UP

2шт.

23

07020-00900

FITTING

SN: 29021-UP

2шт.

24

04082-00212

LOCK

SN: 29021-UP

2шт.

25

01602-21236

WASHER

SN: 29021-UP

4шт.

26

01010-81225

BOLT

SN: 29021-UP

4шт.

Выбрано товаров: 28