Качественные детали и логистика
Оригинальные и аналоговые запчасти с доставкой по России, Казахстану и Беларуси
©2022 PartSell ООО "Система" ИНН 2463123282 ОГРН 1212400004838
Центральный офис: г. Красноярск, Академика Киренского, д.87, пом.4
Телефон: 8 (800) 777-65-74 Email: zakaz@partsell.ru
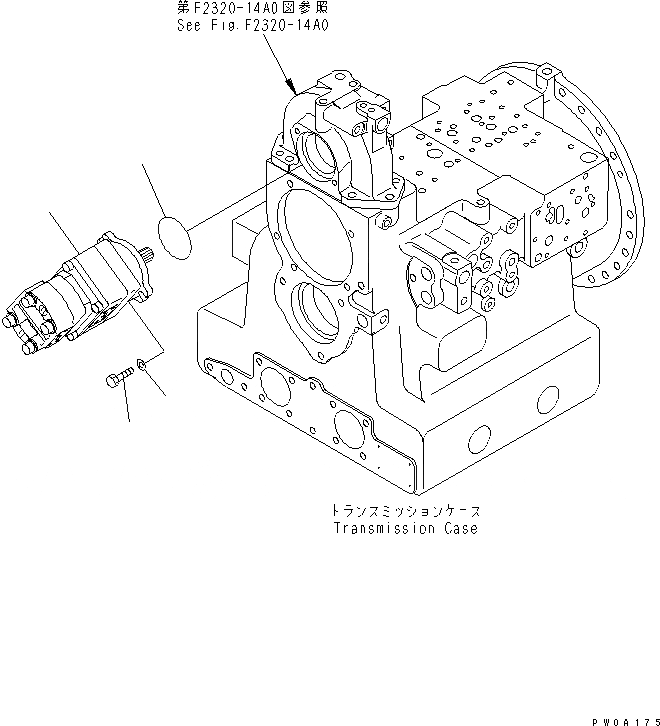
РУЛЕВ. УПРАВЛЕНИЕ МАСЛ. ЛИНИЯ (НАСОС РУЛЕВ. УПРАВЛ-Я)
№
Артикул
Название
Примечание
Количество
1
705-40-06320
PUMP ASS'Y
SN: 30101-UP
1шт.
|1
705-40-06160
SN: 29021-30100
2
07000-72085
O-RING
SN: 29021-UP
3
01010-81030
BOLT
2шт.
4
01643-31032
WASHER
Выбрано товаров: 0