Запчасти Komatsu D41PF-6K-T2 РУЛЕВ. УПРАВЛЕНИЕ МАСЛ. ЛИНИЯ (НАСОС РУЛЕВ. УПРАВЛ-Я) СИЛОВАЯ ПЕРЕДАЧА И КОНЕЧНАЯ ПЕРЕДАЧА

Схема запчастей Komatsu D41PF-6K-T2 - РУЛЕВ. УПРАВЛЕНИЕ МАСЛ. ЛИНИЯ (НАСОС РУЛЕВ. УПРАВЛ-Я) СИЛОВАЯ ПЕРЕДАЧА И КОНЕЧНАЯ ПЕРЕДАЧА
1
2
3
4
FIT
1:1
100%

Артикул

Название

Примечание

Количество

1

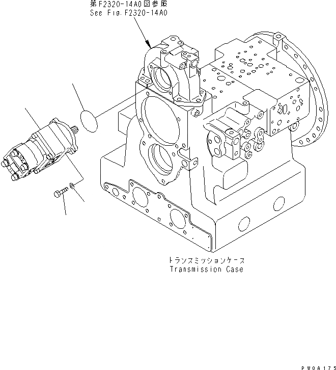
705-40-06320

PUMP ASS'Y

SN: 30101-UP

1шт.

|1

705-40-06160

PUMP ASS'Y

SN: 29021-30100

1шт.

2

07000-72085

O-RING

SN: 29021-UP

1шт.

3

01010-81030

BOLT

SN: 29021-UP

2шт.

4

01643-31032

WASHER

SN: 29021-UP

2шт.

Выбрано товаров: 0