Запчасти Komatsu D455A-1 КРЫЛО¤ ЛЕВ.(№-) ЧАСТИ КОРПУСА

Схема запчастей Komatsu D455A-1 - КРЫЛО¤ ЛЕВ.(№-) ЧАСТИ КОРПУСА
FIT
1:1
100%

Артикул

Название

Примечание

Количество

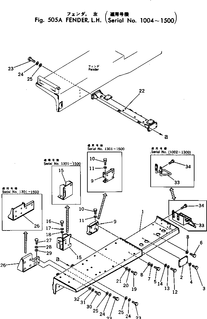
1

198-54-14122

FENDER,L.H.

SN: 1301-1500

1шт.

1

198-54-14121

FENDER,L.H.

SN: 1004-1300

1шт.

2

198-54-14230

COVER

SN: 1002-1500

2шт.

3

01010-31230

BOLT

SN: 1002-1500

8шт.

4

01602-01236

WASHER

SN: 1002-1500

8шт.

5

01010-32480

BOLT

SN: 1002-1500

8шт.

6

01010-32490

BOLT

SN: 1004-1500

8шт.

7

01602-02472

WASHER

SN: 1004-1500

8шт.

8

01643-32460

WASHER

SN: 1002-1500

16шт.

9

198-54-14363

BRACKET,L.H.

SN: 1301-1500

1шт.

9

198-54-14362

BRACKET,L.H.

SN: 1166-1300

1шт.

9

0

BRACKET,L.H.

SN: 1004-1165

1шт.

10

01010-32280

BOLT

SN: 1004-1500

4шт.

11

01643-32260

WASHER

SN: 1002-1500

4шт.

12

01010-32050

BOLT

SN: 1002-1500

8шт.

13

01602-02060

WASHER

SN: 1002-1500

8шт.

14

01643-32060

WASHER

SN: 1002-1500

8шт.

15

198-54-14223

BRACKET

SN: 1301-1500

1шт.

15

198-54-14222

BRACKET

SN: 1004-1300

1шт.

16

01010-32050

BOLT

SN: 1002-1500

4шт.

17

01602-02060

WASHER

SN: 1002-1500

4шт.

18

01643-32060

WASHER

SN: 1002-1500

4шт.

19

01010-32050

BOLT

SN: 1002-1500

2шт.

20

01602-02060

WASHER

SN: 1002-1500

2шт.

21

01643-32060

WASHER

SN: 1002-1500

2шт.

22

198-54-14143

SUPPORT

SN: 1301-1500

1шт.

22

198-54-14142

SUPPORT

SN: 1013-1300

1шт.

22

198-54-14141

SUPPORT

SN: 1006-1010

1шт.

22

198-54-14140

SUPPORT

SN: 1002-1005

1шт.

23

01010-32055

BOLT

SN: 1013-1500

8шт.

23

01010-32055

BOLT

SN: 1002-1012

12шт.

24

01602-02060

WASHER

SN: 1013-1500

8шт.

24

01602-02060

WASHER

SN: 1002-1012

12шт.

25

01643-32060

WASHER

SN: 1013-1500

8шт.

25

01643-32060

WASHER

SN: 1002-1012

12шт.

26

198-54-14431

BRACKET

SN: 1301-1500

1шт.

26

198-54-14430

BRACKET

SN: 1004-1300

1шт.

27

01010-32075

BOLT

SN: 1004-1500

14шт.

28

01602-02060

WASHER

SN: 1004-1500

14шт.

29

01643-32060

WASHER

SN: 1004-1500

14шт.

30

01010-33090

BOLT

SN: 1301-1500

8шт.

30

01010-33090

BOLT

SN: 1013-1300

4шт.

30

01010-33070

BOLT

SN: 1004-1012

4шт.

31

01602-03075

WASHER

SN: 1301-1500

8шт.

31

01602-03075

WASHER

SN: 1004-1300

4шт.

32

01643-33080

WASHER

SN: 1301-1500

8шт.

32

01643-33080

WASHER

SN: 1004-1300

4шт.

33

198-54-13890

STEP,L.H.

SN: 1301-1500

1шт.

33

0

GRIP

SN: 1002-1300

2шт.

34

01010-31670

BOLT

SN: 1301-1500

4шт.

34

01010-31645

BOLT

SN: 1002-1300

4шт.

Выбрано товаров: 51