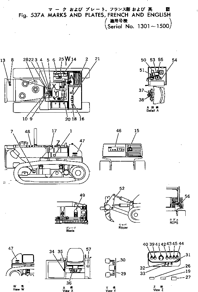
Запчасти Komatsu D455A-1 МАРКИРОВКА¤ ФРАНЦИЯ И АНГЛ.(№-) ЧАСТИ КОРПУСА

Схема запчастей Komatsu D455A-1 - МАРКИРОВКА¤ ФРАНЦИЯ И АНГЛ.(№-) ЧАСТИ КОРПУСА
FIT
1:1
100%

Артикул

Название

Примечание

Количество

1

09602-51643

PLATE, NAME

SN: 1301-1500

1шт.

3

09651-05000

PLATE, SAFETY,BEFORE OPERATING MACHINE

SN: 1301-1500

1шт.

4

09654-05000

PLATE, SAFETY,STARTING AND PARKING

SN: 1301-1500

1шт.

5

09173-05000

PLATE, SAFETY,MAINTENANCE

SN: 1301-1500

1шт.

6

09653-05000

PLATE, SAFETY,HYDRAULIC TANK

SN: 1301-1500

1шт.

7

09657-05000

PLATE, SAFETY,TRACK TENSION

SN: 1301-1500

2шт.

8

09668-05000

PLATE, SAFETY,RADIATOR

SN: 1301-1500

1шт.

9

09666-05000

PLATE, SAFETY,FIRE

SN: 1301-1500

1шт.

10

09667-05000

PLATE, SAFETY,ENGINE SIDE COVER

SN: 1301-1500

1шт.

13

09650-50101

PLATE, INSTRUCTION,WATER LEVEL

SN: 1301-1500

1шт.

14

09655-51120

PLATE, INSTRUCTION,OIL FILTER

SN: 1301-1500

1шт.

15

09655-51120

PLATE, INSTRUCTION,OIL FILTER

SN: 1301-1500

1шт.

16

09652-51100

PLATE, CAUTION,FUEL TANK

SN: 1301-1500

1шт.

17

198-98-16280

PLATE, CAUTION,SHUT OFF VALVE

SN: 1301-1500

1шт.

18

09656-51080

PLATE, INSTRUCTION,FUEL STRAINER

SN: 1301-1500

1шт.

19

175-900-3630

PLATE, CAUTION,ON GRADE

SN: 1301-1500

1шт.

20

07843-51064

PLATE, CAUTION,BRAKE CYLINDER

SN: 1301-1500

1шт.

21

09101-05000

PLATE, CAUTION,FUEL

SN: 1301-1500

1шт.

22

198-98-16210

PLATE, CAUTION,SPIN TURN

SN: 1301-1500

1шт.

25

198-98-16221

CHART

SN: 1301-1500

1шт.

26

09649-05010

PLATE, INSTRUCTION,SHUT DOWN ENGINE

SN: 1301-1500

1шт.

27

6715-81-1270

PLATE, CAUTION,COLD WEATHER OPERATION

SN: 1301-1500

1шт.

28

09645-20220

PLATE, INSTRUCTION,BY-PASS FILTER

SN: 1301-1500

1шт.

29

198-98-16250

PLATE, OPERATING,SPIN TURN, L.H.

SN: 1301-1500

1шт.

30

198-98-16260

PLATE, OPERATING,SPIN TURN, R.H.

SN: 1301-1500

1шт.

31

09683-51070

PLATE, OPERATING,STARTING SWITCH

SN: 1301-1500

1шт.

32

09679-02511

PLATE, OPERATING,LAMP SWITCH

SN: 1301-1500

1шт.

33

09679-02521

PLATE, OPERATING,LAMP SWITCH

SN: 1301-1500

1шт.

34

09685-00001

PLATE, OPERATING,LOCK LEVER

SN: 1301-1500

1шт.

35

09679-02002

PLATE, OPERATING,HORN SWITCH

SN: 1301-1500

1шт.

36

178-98-12380

PLATE, OPERATING,OPERATOR'S WEIGHT

SN: 1301-1500

1шт.

37

178-98-12390

PLATE, OPERATING,SEAT

SN: 1301-1500

1шт.

46

09692-44455

PLATE, MARK,(LARGE)

SN: 1301-1500

1шт.

47

09691-43455

PLATE, MARK,(SMALL)

SN: 1301-1500

1шт.

48

09690-01120

PLATE, MARK,(SIDE)

SN: 1301-1500

2шт.

49

09601-50835

PLATE, NAME

SN: 1301-1500

1шт.

50

09670-00003

PLATE, OPERATING,BLADE

SN: 1301-1500

1шт.

51

09685-00003

PLATE, OPERATING,BLADE LEVER LOCK

SN: 1301-1500

1шт.

52

09601-50835

PLATE, NAME

SN: 1301-1500

1шт.

53

09671-50683

PLATE, OPERATING,RIPPER

SN: 1301-1500

1шт.

54

09685-00001

PLATE, OPERATING,LOCK LEVER

SN: 1301-1500

1шт.

55

195-98-13690

PLATE, OPERATING,PIN PULLER LEVER

SN: 1301-1500

1шт.

56

09620-50200

PLATE, NAME,ROPS

SN: 1301-1500

1шт.

57

198-98-16310

PLATE, CAUTION,SEAT BELT

SN: 1301-1500

1шт.

Выбрано товаров: 44