Запчасти Komatsu D455A-1 DETENT(№-) УПРАВЛ-Е РАБОЧИМ ОБОРУДОВАНИЕМ

Схема запчастей Komatsu D455A-1 - DETENT(№-) УПРАВЛ-Е РАБОЧИМ ОБОРУДОВАНИЕМ
FIT
1:1
100%

Артикул

Название

Примечание

Количество

|$0

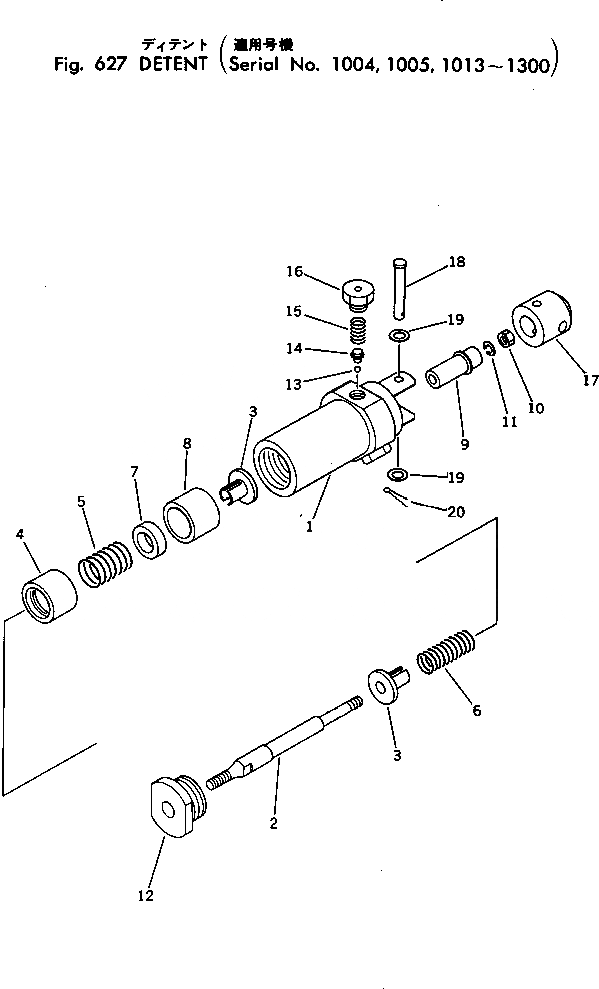
198-60-16001

DETENT SUB ASS'Y

SN: 1013-1300

1шт.

|$1

198-60-16001

DETENT SUB ASS'Y

SN: 1004-1005

1шт.

1

198-60-15351

CASE

SN: 1013-1300

1шт.

1

198-60-15351

CASE

SN: 1004-1005

1шт.

2

198-60-15360

ROD

SN: 1013-1300

1шт.

2

198-60-15360

ROD

SN: 1004-1005

1шт.

3

198-60-15370

COLLAR

SN: 1013-1300

2шт.

3

198-60-15370

COLLAR

SN: 1004-1005

2шт.

4

198-60-15380

COLLAR

SN: 1013-1300

1шт.

4

198-60-15380

COLLAR

SN: 1004-1005

1шт.

5

198-60-15390

SPRING

SN: 1013-1300

1шт.

5

198-60-15390

SPRING

SN: 1004-1005

1шт.

6

198-60-15410

SPRING

SN: 1013-1300

1шт.

6

198-60-15410

SPRING

SN: 1004-1005

1шт.

7

198-60-15420

COLLAR

SN: 1013-1300

1шт.

7

198-60-15420

COLLAR

SN: 1004-1005

1шт.

8

198-60-15430

COLLAR

SN: 1013-1300

1шт.

8

198-60-15430

COLLAR

SN: 1004-1005

1шт.

9

198-60-15440

DETENT

SN: 1013-1300

1шт.

9

198-60-15440

DETENT

SN: 1004-1005

1шт.

10

01582-01008

NUT

SN: 1013-1300

1шт.

10

01582-01008

NUT

SN: 1004-1005

1шт.

11

01602-01030

WASHER

SN: 1013-1300

1шт.

11

01602-01030

WASHER

SN: 1004-1005

1шт.

12

198-60-15450

COVER

SN: 1013-1300

1шт.

12

198-60-15450

COVER

SN: 1004-1005

1шт.

13

04260-00635

BALL

SN: 1013-1300

3шт.

13

04260-00635

BALL

SN: 1004-1005

3шт.

14

701-13-31230

GUIDE

SN: 1013-1300

3шт.

14

701-13-31230

GUIDE

SN: 1004-1005

3шт.

15

701-13-31240

SPRING

SN: 1013-1300

3шт.

15

701-13-31240

SPRING

SN: 1004-1005

3шт.

16

701-13-31250

PLUG

SN: 1013-1300

3шт.

16

701-13-31250

PLUG

SN: 1004-1005

3шт.

17

198-60-15741

HOLDER

SN: 1013-1300

1шт.

17

198-60-15740

HOLDER

SN: 1004-1005

1шт.

18

198-60-15760

PIN

SN: 1013-1300

1шт.

18

198-60-15760

PIN

SN: 1004-1005

1шт.

19

01641-21016

WASHER

SN: 1013-1300

2шт.

19

01641-21016

WASHER

SN: 1004-1005

2шт.

20

04050-13015

PIN

SN: 1013-1300

1шт.

20

04050-13015

PIN

SN: 1004-1005

1шт.

Выбрано товаров: 0