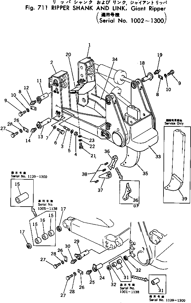
Запчасти Komatsu D455A-1 РЫХЛИТЕЛЬ SHANK И СОЕДИНИТЕЛЬН. ЗВЕНО¤ ГИГАНТСК. РЫХЛИТ(№-) РАБОЧЕЕ ОБОРУДОВАНИЕ

Схема запчастей Komatsu D455A-1 - РЫХЛИТЕЛЬ SHANK И СОЕДИНИТЕЛЬН. ЗВЕНО¤ ГИГАНТСК. РЫХЛИТ(№-) РАБОЧЕЕ ОБОРУДОВАНИЕ
FIT
1:1
100%

Артикул

Название

Примечание

Количество

1

198-79-11180

BRACKET,R.H.

SN: 1002-1300

1шт.

2

198-79-11190

BRACKET,L.H.

SN: 1002-1300

1шт.

3

198-69-11180

STUD

SN: 1002-@

4шт.

4

198-69-11130

NUT

SN: 1002-@

4шт.

5

198-69-11140

WASHER

SN: 1002-@

4шт.

6

198-69-11190

BOLT

SN: 1002-@

12шт.

7

198-69-11140

WASHER

SN: 1002-@

12шт.

8

175-78-21420

PLATE

SN: 1002-1300

6шт.

9

01010-32050

BOLT

SN: 1002-1300

12шт.

10

01602-02060

WASHER

SN: 1002-1300

12шт.

11

198-79-11271

PIN

SN: 1030-1300

4шт.

11

198-79-11270

PIN

SN: 1002-1029

4шт.

12

07020-00000

FITTING

SN: 1002-@

4шт.

13

198-79-11251

PIN

SN: 1030-1300

2шт.

13

198-79-11250

PIN

SN: 1002-1029

2шт.

14

07020-00000

FITTING

SN: 1002-@

4шт.

15

198-79-11670

BUSHING

SN: 1139-1300

2шт.

15

0

BUSHING

SN: 1004-1138

4шт.

15

198-79-11280

BUSHING

SN: 1002-1003

4шт.

16

198-79-11310

COLLAR

SN: 1002-1138

2шт.

17

195-78-41320

SEAL

SN: 1002-1300

4шт.

18

198-79-11261

PIN

SN: 1030-1300

2шт.

18

198-79-11260

PIN

SN: 1002-1029

2шт.

19

07020-00000

FITTING

SN: 1002-@

2шт.

20

198-79-18421

GUARD

SN: 1006-@

1шт.

20

198-79-18420

PLATE

SN: 1002-1005

1шт.

21

01010-31645

BOLT

SN: 1006-@

4шт.

21

01010-31230

BOLT

SN: 1002-1005

6шт.

22

01602-01648

WASHER

SN: 1006-@

4шт.

22

01602-01236

WASHER

SN: 1002-1005

6шт.

23

01643-31645

WASHER

SN: 1006-@

4шт.

23

01643-31232

WASHER

SN: 1002-1005

6шт.

24

198-79-11261

PIN

SN: 1030-1300

2шт.

24

198-79-11260

PIN

SN: 1002-1029

2шт.

25

07020-00000

FITTING

SN: 1002-@

2шт.

26

175-78-21420

PLATE

SN: 1002-1300

6шт.

27

01010-32050

BOLT

SN: 1002-1300

12шт.

28

01602-02060

WASHER

SN: 1002-1300

12шт.

29

198-79-11242

PIN

SN: 1030-1300

2шт.

29

0

PIN

SN: 1002-1029

2шт.

30

07020-00000

FITTING

SN: 1002-@

4шт.

31

198-79-11680

BUSHING

SN: 1139-1300

2шт.

31

0

BUSHING

SN: 1004-1138

4шт.

31

198-79-11290

BUSHING

SN: 1002-1003

4шт.

32

195-78-41320

SEAL

SN: 1004-@

4шт.

32

198-79-11540

SEAL

SN: 1002-1003

4шт.

33

198-79-11150

BEAM

SN: 1002-1300

1шт.

34

198-79-11110

ARM

SN: 1002-1300

1шт.

|$48

198-79-00022

SHANK ASS'Y

SN: .-1138

1шт.

|$49

0

SHANK ASS'Y

SN: 1007-.

1шт.

|$50

0

SHANK ASS'Y

SN: 1002-1006

1шт.

35

198-79-11630

SHANK

SN: 1007-@

1шт.

35

198-79-11400

SHANK

SN: 1002-1006

1шт.

36

198-79-11220

PROTECTOR

SN: 1007-@

1шт.

36

195-78-21320

PROTECTOR

SN: 1002-1006

1шт.

36

198-79-11640

PROTECTOR,LONG

SN: 1007-@

1шт.

36

195-78-21580

PROTECTOR,LONG

SN: 1002-1006

1шт.

37

198-79-11560

POINT

SN: .-@

1шт.

37

0

POINT

SN: 1007-.

1шт.

37

195-78-21331

POINT

SN: 1002-1006

1шт.

37

198-79-11551

POINT (OP)

SN: ..-...

1шт.

37

0

POINT (OP)

SN: .-..

1шт.

38

198-79-11320

PIN ASS'Y

SN: 1007-@

3шт.

38

175-78-21740

PIN ASS'Y

SN: 1002-1006

3шт.

39

198-79-11620

ADAPTER,SHANK

SN: 1007-@

1шт.

39

198-79-11420

ADAPTER,SHANK

SN: 1002-1006

1шт.

Выбрано товаров: 0