Запчасти Komatsu D455A-1 СИСТЕМА ТРУБ ОХЛАЖДЕНИЯ (/)(№-) РАБОЧЕЕ ОБОРУДОВАНИЕ

Схема запчастей Komatsu D455A-1 - СИСТЕМА ТРУБ ОХЛАЖДЕНИЯ (/)(№-) РАБОЧЕЕ ОБОРУДОВАНИЕ
FIT
1:1
100%

Артикул

Название

Примечание

Количество

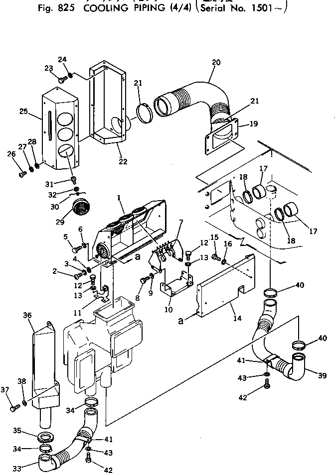
1

198-911-4300

GRILL

SN: 1501-UP

1шт.

2

198-911-3140

SCREW

SN: 1501-UP

4шт.

3

198-911-3150

WASHER

SN: 1501-UP

4шт.

4

198-911-3160

WASHER

SN: 1501-UP

4шт.

5

01010-30825

BOLT

SN: 1501-UP

1шт.

6

01643-30823

WASHER

SN: 1501-UP

1шт.

7

198-911-4310

PANEL ASS'Y

SN: 1501-UP

1шт.

8

01010-30820

BOLT

SN: 1501-UP

4шт.

9

01602-00825

WASHER

SN: 1501-UP

4шт.

10

198-911-4320

BRACKET

SN: 1501-UP

1шт.

11

198-911-4350

BRACKET

SN: 1501-UP

1шт.

12

01010-30820

BOLT

SN: 1501-UP

6шт.

13

01602-00825

WASHER

SN: 1501-UP

6шт.

14

198-911-4340

BASE,GRILLE

SN: 1501-UP

1шт.

15

01010-31020

BOLT

SN: 1501-UP

4шт.

16

01643-31032

WASHER

SN: 1501-UP

4шт.

17

195-979-3460

SEAT

SN: 1501-UP

4шт.

18

07281-00709

CLAMP

SN: 1501-UP

4шт.

19

198-911-4440

DUCT

SN: 1501-UP

1шт.

20

09485-01006

HOSE

SN: 1501-UP

1шт.

21

07281-01159

CLAMP

SN: 1501-UP

2шт.

22

198-911-4450

BRACKET

SN: 1501-UP

1шт.

23

01010-31230

BOLT

SN: 1501-UP

2шт.

24

01643-31232

WASHER

SN: 1501-UP

2шт.

25

198-911-4460

COVER

SN: 1501-UP

1шт.

26

198-911-3140

SCREW

SN: 1501-UP

8шт.

27

198-911-3150

WASHER

SN: 1501-UP

8шт.

28

198-911-3160

WASHER

SN: 1501-UP

8шт.

29

145-Z79-5240

GRILLE

SN: 1501-UP

3шт.

30

145-Z79-5250

HOLDER

SN: 1501-UP

3шт.

31

01220-30410

SCREW

SN: 1501-UP

3шт.

32

01643-20905

WASHER

SN: 1501-UP

3шт.

33

198-911-4420

HOSE

SN: 1501-UP

1шт.

34

07281-00709

CLAMP

SN: 1501-UP

2шт.

35

198-911-4430

GROMMET

SN: 1501-UP

1шт.

36

198-911-4410

DUCT

SN: 1501-UP

1шт.

37

01010-31230

BOLT

SN: 1501-UP

1шт.

38

01643-31232

WASHER

SN: 1501-UP

1шт.

39

198-911-4470

HOSE

SN: 1501-UP

1шт.

40

07281-00709

CLAMP

SN: 1501-UP

2шт.

41

198-911-4480

CLIP

SN: 1501-UP

2шт.

42

01010-31220

BOLT

SN: 1501-UP

2шт.

43

01643-31232

WASHER

SN: 1501-UP

2шт.

Выбрано товаров: 43