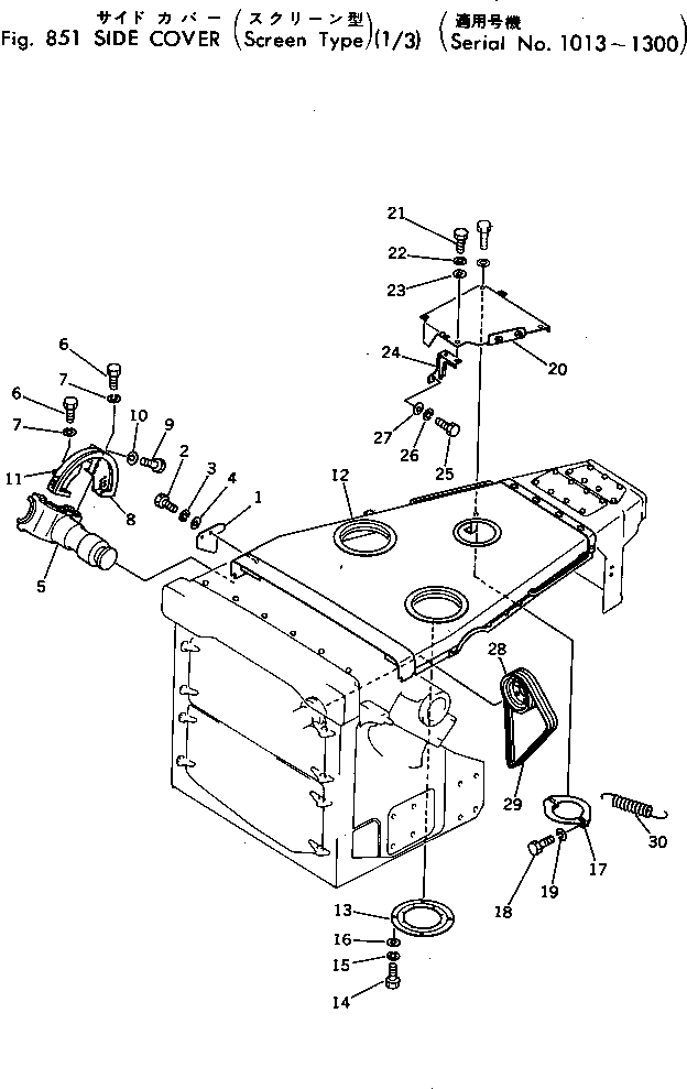
Запчасти Komatsu D455A-1 БОКОВ. КРЫШКА (ЭКРАН ТИП) (/)(№-) РАБОЧЕЕ ОБОРУДОВАНИЕ

Схема запчастей Komatsu D455A-1 - БОКОВ. КРЫШКА (ЭКРАН ТИП) (/)(№-) РАБОЧЕЕ ОБОРУДОВАНИЕ
FIT
1:1
100%

Артикул

Название

Примечание

Количество

1

198-54-19370

PLATE

SN: 1013-1300

2шт.

2

01010-31230

BOLT

SN: 1013-1300

4шт.

3

01602-01236

WASHER

SN: 1013-1300

4шт.

4

01643-31232

WASHER

SN: 1013-1300

4шт.

5

198-61-11270

YOKE

SN: 1013-1300

1шт.

6

01010-31225

BOLT

SN: 1013-1300

8шт.

7

01602-01236

WASHER

SN: 1013-1300

8шт.

8

198-54-19440

COVER,R.H.

SN: 1013-1300

1шт.

9

01010-31225

BOLT

SN: 1013-1300

4шт.

10

01602-01236

WASHER

SN: 1013-1300

4шт.

11

198-54-19460

COVER,R.H.

SN: 1013-1300

1шт.

12

198-54-19410

HOOD

SN: 1016-1300

1шт.

12

198-54-18191

HOOD

SN: 1015-1015

1шт.

12

198-54-19410

HOOD

SN: 1013-1014

1шт.

13

198-54-19420

COVER

SN: 1016-1300

2шт.

13

175-54-21690

COVER

SN: 1015-1015

2шт.

13

198-54-19420

COVER

SN: 1013-1014

2шт.

14

01010-31020

BOLT

SN: 1013-1300

8шт.

15

01602-01030

WASHER

SN: 1013-1300

8шт.

16

01643-31032

WASHER

SN: 1013-1300

8шт.

17

198-54-18260

PLATE

SN: 1013-1300

2шт.

18

01010-31230

BOLT

SN: 1013-1300

2шт.

19

01602-01236

WASHER

SN: 1013-1300

2шт.

20

198-54-19240

COVER

SN: 1013-1300

1шт.

21

01010-31230

BOLT

SN: 1013-1300

2шт.

22

01602-01236

WASHER

SN: 1013-1300

2шт.

23

01643-31232

WASHER

SN: 1013-1300

2шт.

24

198-54-19290

BRACKET

SN: 1013-1300

1шт.

25

01010-31030

BOLT

SN: 1013-1300

2шт.

26

01602-01030

WASHER

SN: 1013-1300

2шт.

27

01643-31032

WASHER

SN: 1013-1300

2шт.

28

198-03-11590

PULLEY

SN: .-.

1шт.

28

198-03-11380

PULLEY

SN: .-.

1шт.

29

04122-22569

V-BELT SET

SN: .-.

1шт.

30

6715-61-3640

SPRING,TENSION

SN: .-.

1шт.

Выбрано товаров: 35