Запчасти Komatsu D455A-1 БОКОВ. КРЫШКА (ЭКРАН ТИП) (/)(№-) РАБОЧЕЕ ОБОРУДОВАНИЕ

Схема запчастей Komatsu D455A-1 - БОКОВ. КРЫШКА (ЭКРАН ТИП) (/)(№-) РАБОЧЕЕ ОБОРУДОВАНИЕ
FIT
1:1
100%

Артикул

Название

Примечание

Количество

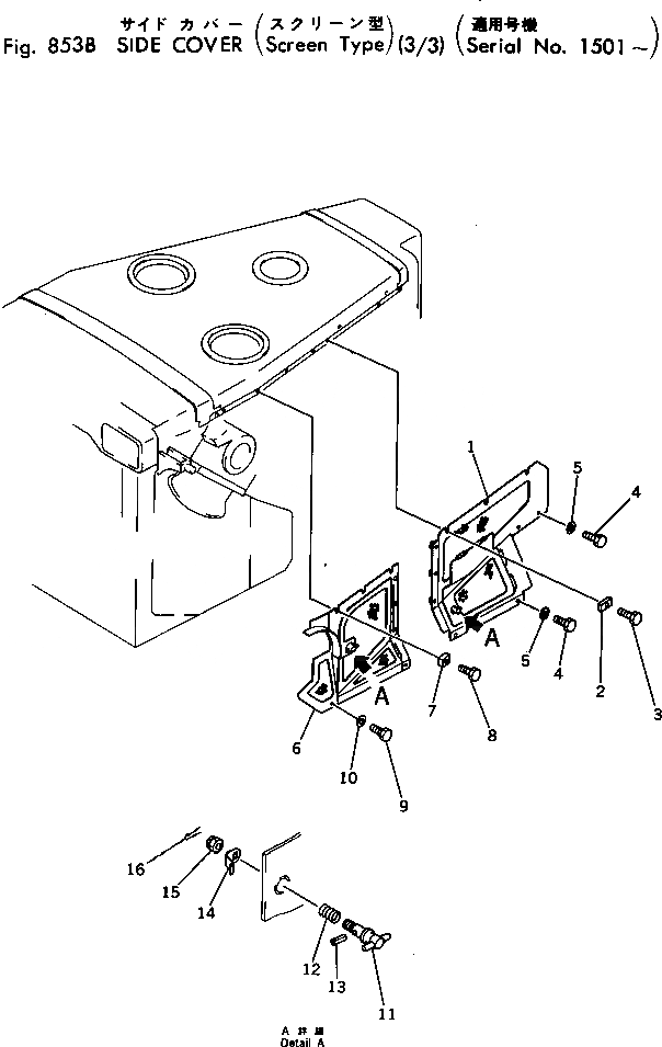
1

198-54-19342

COVER

SN: 1501-UP

1шт.

2

198-54-19480

PLATE

SN: 1301-UP

3шт.

3

01010-31250

BOLT

SN: 1301-UP

3шт.

4

01010-31240

BOLT

SN: 1501-UP

5шт.

5

01643-31232

WASHER

SN: 1301-UP

8шт.

6

198-54-19521

COVER

SN: 1331-UP

1шт.

7

198-54-19480

PLATE

SN: 1301-UP

3шт.

8

01010-31250

BOLT

SN: 1301-UP

3шт.

9

01010-31240

BOLT

SN: 1301-UP

5шт.

10

01643-31232

WASHER

SN: 1501-UP

8шт.

11

175-886-1260

HANDLE

SN: 1301-UP

2шт.

12

175-886-1270

SPRING

SN: 1301-UP

2шт.

13

04025-00532

PIN

SN: 1301-UP

2шт.

14

175-54-28780

PLATE

SN: 1301-UP

2шт.

15

01590-01215

NUT

SN: 1301-UP

2шт.

16

04050-03020

PIN

SN: 1301-UP

2шт.

Выбрано товаров: 16