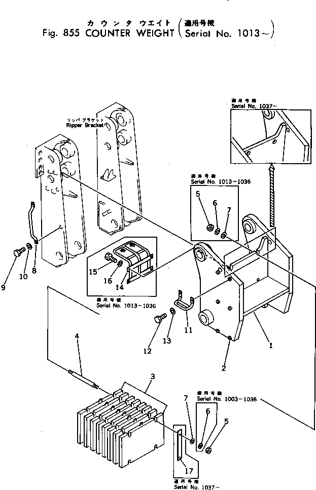
Запчасти Komatsu D455A-1 ПРОТИВОВЕС(№-) РАБОЧЕЕ ОБОРУДОВАНИЕ

Схема запчастей Komatsu D455A-1 - ПРОТИВОВЕС(№-) РАБОЧЕЕ ОБОРУДОВАНИЕ
FIT
1:1
100%

Артикул

Название

Примечание

Количество

1

198-69-11111

BRACKET

SN: 1301-UP

1шт.

1

198-69-11110

BRACKET

SN: 1013-1300

1шт.

2

01571-01422

SEAT

SN: 1013-UP

12шт.

3

195-69-12121

WEIGHT

SN: 1013-UP

8шт.

4

195-69-12131

BOLT

SN: 1013-UP

4шт.

5

01580-03024

NUT

SN: 1037-UP

4шт.

5

01580-03024

NUT

SN: 1013-1036

6шт.

6

01601-03075

WASHER

SN: 1013-1036

6шт.

7

01643-33080

WASHER

SN: 1037-UP

4шт.

7

01643-33080

WASHER

SN: 1013-1036

6шт.

8

175-54-22840

HANDLE

SN: 1013-UP

2шт.

9

01010-31440

BOLT

SN: 1013-UP

4шт.

10

01602-01442

WASHER

SN: 1013-UP

4шт.

11

198-54-14520

STEP

SN: 1013-UP

6шт.

12

01010-31440

BOLT

SN: 1013-UP

12шт.

13

01602-01442

WASHER

SN: 1013-UP

12шт.

14

198-69-11280

STEP

SN: 1013-1036

1шт.

15

01010-31440

BOLT

SN: 1013-1036

4шт.

16

01602-01442

WASHER

SN: 1013-1036

4шт.

17

198-69-11291

PLATE

SN: 1037-UP

2шт.

Выбрано товаров: 20