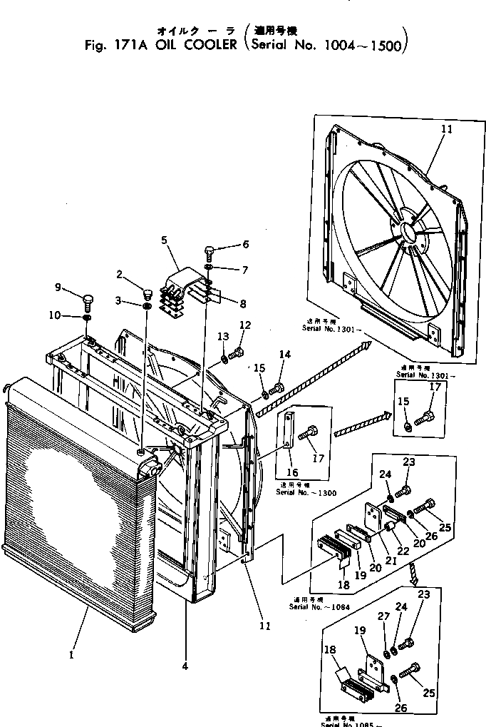
Запчасти Komatsu D455A-1 МАСЛООХЛАДИТЕЛЬ(№-) КОМПОНЕНТЫ ДВИГАТЕЛЯ И ЭЛЕКТРИКА

Схема запчастей Komatsu D455A-1 - МАСЛООХЛАДИТЕЛЬ(№-) КОМПОНЕНТЫ ДВИГАТЕЛЯ И ЭЛЕКТРИКА
FIT
1:1
100%

Артикул

Название

Примечание

Количество

|$0

198-03-00082

OIL COOLER ASS'Y

SN: 1301-1500

1шт.

|$1

198-03-00081

OIL COOLER ASS'Y

SN: 1077-1300

1шт.

|$2

198-03-00080

OIL COOLER ASS'Y

SN: 1004-1076

1шт.

1

198-03-15113

OIL COOLER

SN: 1301-@

1шт.

1

0

OIL COOLER

SN: 1084-1300

1шт.

1

198-03-15111

OIL COOLER

SN: 1004-1083

1шт.

2

07040-11612

PLUG

SN: 1004-1500

1шт.

3

07005-01612

GASKET

SN: 1004-1500

1шт.

4

198-03-15121

BOX

SN: 1004-1500

1шт.

5

198-03-15131

CLAMP

SN: 1004-1500

2шт.

6

01010-30820

BOLT

SN: 1002-1500

12шт.

7

01602-00825

WASHER

SN: 1002-1500

12шт.

8

198-03-15140

SHIM, 1.0MM

SN: 1002-1500

24шт.

9

01010-31670

BOLT

SN: 1004-@

4шт.

10

01643-31645

WASHER

SN: 1004-@

4шт.

11

198-03-15152

GUARD

SN: 1301-@

1шт.

11

198-03-15150

GUARD

SN: 1002-1300

1шт.

12

01010-31225

BOLT

SN: 1002-@

6шт.

13

01643-31232

WASHER

SN: 1301-@

6шт.

13

0

WASHER

SN: 1002-1300

6шт.

14

01010-31230

BOLT

SN: 1004-1500

2шт.

15

01643-31232

WASHER

SN: 1301-@

10шт.

15

01602-01236

WASHER

SN: 1004-1300

2шт.

16

154-03-12260

PLATE

SN: 1004-1300

4шт.

17

01010-31230

BOLT

SN: 1004-1500

8шт.

18

154-03-11340

SHIM, 0.6MM

SN: 1002-@

40шт.

19

198-03-15330

PLATE

SN: 1085-@

2шт.

19

198-03-15160

PLATE

SN: 1002-1084

2шт.

20

170-03-13120

CUSHION

SN: 1002-1084

4шт.

21

154-03-11330

PLATE

SN: 1002-1084

2шт.

22

170-03-13130

SPACER

SN: 1002-1084

4шт.

23

01010-31235

BOLT

SN: 1085-@

6шт.

23

01010-31230

BOLT

SN: 1002-1084

6шт.

24

01602-01236

WASHER

SN: 1002-@

6шт.

25

01010-31275

BOLT

SN: 1085-@

4шт.

25

01010-31290

BOLT

SN: 1004-1084

4шт.

26

01602-01236

WASHER

SN: 1002-1500

4шт.

27

01643-31232

WASHER

SN: 1085-@

6шт.

Выбрано товаров: 38