Запчасти Komatsu D455A-1 ГИДРАВЛ МОТОР (ДЛЯ МАСЛООХЛАДИТЕЛЬ ВЕНТИЛЯТОР)(№-) КОМПОНЕНТЫ ДВИГАТЕЛЯ И ЭЛЕКТРИКА

Схема запчастей Komatsu D455A-1 - ГИДРАВЛ МОТОР (ДЛЯ МАСЛООХЛАДИТЕЛЬ ВЕНТИЛЯТОР)(№-) КОМПОНЕНТЫ ДВИГАТЕЛЯ И ЭЛЕКТРИКА
FIT
1:1
100%

Артикул

Название

Примечание

Количество

|$0

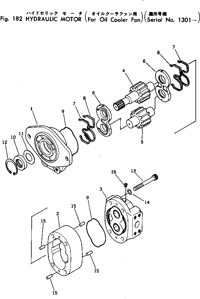
705-22-29000

MOTOR ASS'Y

SN: 1301-UP

1шт.

1

0

BRACKET

SN: 1301-UP

1шт.

2

0

CASE

SN: 1301-UP

1шт.

3

0

COVER ASS'Y

SN: 1301-UP

1шт.

4

0

GEAR

SN: 1301-UP

1шт.

5

0

GEAR

SN: 1301-UP

1шт.

6

0

PLATE

SN: 1301-UP

2шт.

7

0

RING

SN: 1301-UP

2шт.

8

0

RING

SN: 1301-UP

2шт.

9

0

O-RING

SN: 1301-UP

2шт.

10

705-17-02810

SEAL

SN: 1301-UP

1шт.

11

705-17-02870

PLATE

SN: 1301-UP

1шт.

12

04065-04018

RING

SN: 1301-UP

1шт.

13

0

BOLT

SN: 1301-UP

4шт.

14

0

WASHER

SN: 1301-UP

4шт.

15

0

PIN

SN: 1301-UP

4шт.

16

0

PLUG

SN: 1301-UP

1шт.

Выбрано товаров: 17