Запчасти Komatsu VTA-1710-1B ВЫХЛОПНАЯ ТРУБА И ГЛУШИТЕЛЬ(№9¤9-778) ГОЛОВКА ЦИЛИНДРОВ

Схема запчастей Komatsu VTA-1710-1B - ВЫХЛОПНАЯ ТРУБА И ГЛУШИТЕЛЬ(№9¤9-778) ГОЛОВКА ЦИЛИНДРОВ
FIT
1:1
100%

Артикул

Название

Примечание

Количество

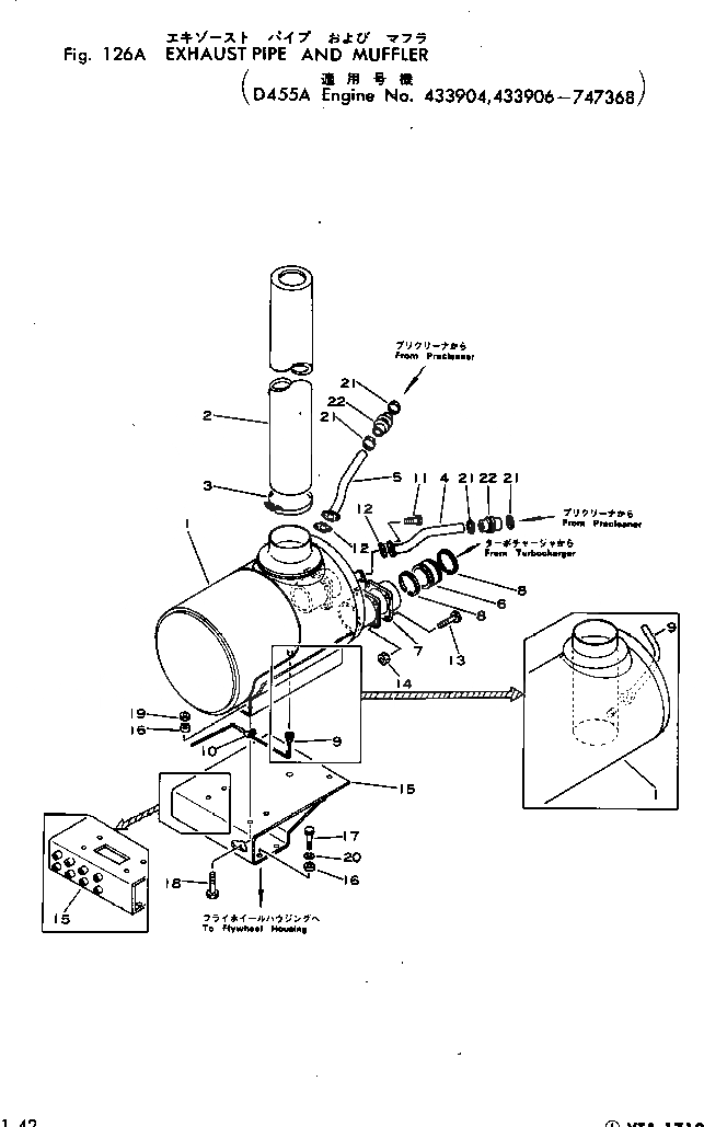
1

6715-11-5413

MUFFLER

SN: 747368-747368

1шт.

1

0

MUFFLER

SN: 433904-747367

1шт.

1

0

MUFFLER

SN: (433904-550573)

1шт.

2

6715-11-5421

PIPE,EXHAUST

SN: 433906-747368

1шт.

2

6715-11-5421

PIPE,EXHAUST

SN: 433904-433904

1шт.

3

6125-11-5670

CLAMP

SN: 433906-@

1шт.

3

6125-11-5670

CLAMP

SN: 433904-433904

1шт.

4

6715-81-7870

PIPE,EJECTOR

SN: 433906-@

1шт.

4

6715-81-7870

PIPE,EJECTOR

SN: 433904-433904

1шт.

5

6715-81-7880

PIPE,EJECTOR

SN: 433906-747368

1шт.

5

6715-81-7880

PIPE,EJECTOR

SN: 433904-433904

1шт.

6

6715-11-5460

JOINT,TURBOCHARGER

SN: 433906-@

2шт.

6

6715-11-5460

JOINT,TURBOCHARGER

SN: 433904-433904

2шт.

7

6715-11-5441

FLANGE

SN: 729981-@

2шт.

7

0

FLANGE

SN: 433904-729980

2шт.

8

6128-81-2530

RING,SEAL

SN: 433906-@

4шт.

8

6128-81-2530

RING,SEAL

SN: 433904-433904

4шт.

9

6715-11-5470

PIPE,DRAIN

SN: 433906-@

1шт.

9

6715-11-5470

PIPE,DRAIN

SN: 433904-433904

1шт.

10

6127-81-2860

CLIP

SN: 433906-@

3шт.

10

6127-81-2860

CLIP

SN: 433904-433904

3шт.

11

6128-11-5760

BOLT

SN: 433906-747368

4шт.

11

6128-11-5760

BOLT

SN: 433904-433904

4шт.

12

6128-11-5610

GASKET

SN: 433906-@

2шт.

12

6128-11-5610

GASKET

SN: 433904-433904

2шт.

13

01010-31040

BOLT

SN: 433906-@

8шт.

13

01010-31040

BOLT

SN: 433904-433904

8шт.

14

01580-01008

NUT

SN: 433906-@

8шт.

14

01580-01008

NUT

SN: 433904-433904

8шт.

15

6715-11-5454

BRACKET

SN: 550574-@

1шт.

15

0

BRACKET

SN: 433904-550573

1шт.

16

6678-51-9520

SPACER

SN: 433906-@

14шт.

16

6678-51-9520

SPACER

SN: 433904-433904

14шт.

17

01010-31255

BOLT

SN: 433904-@

8шт.

17

0

BOLT

SN: (433904-550573)

8шт.

18

01010-31260

BOLT

SN: 550574-@

4шт.

18

0

BOLT

SN: 433904-550573

4шт.

19

01580-01210

NUT

SN: 433906-@

6шт.

19

01580-01210

NUT

SN: 433904-433904

6шт.

20

01602-01236

WASHER,SPRING

SN: 433906-@

8шт.

20

01602-01236

WASHER,SPRING

SN: 433904-433904

8шт.

21

07281-00609

CLAMP

SN: 433906-@

4шт.

21

07281-00609

CLAMP

SN: 433904-433904

4шт.

22

6112-13-5660

HOSE

SN: 433906-@

2шт.

22

6112-13-5660

HOSE

SN: 433904-433904

2шт.

22

6715-84-7890

HOSE,(B)

SN: 433906-@

2шт.

1

6715-11-5413

MUFFLER

SN: 747368-747368

1шт.

1

0

MUFFLER

SN: 433904-747367

1шт.

1

0

MUFFLER

SN: (433904-550573)

1шт.

2

6715-11-5421

PIPE,EXHAUST

SN: 433906-747368

1шт.

2

6715-11-5421

PIPE,EXHAUST

SN: 433904-433904

1шт.

3

6125-11-5670

CLAMP

SN: 433906-@

1шт.

3

6125-11-5670

CLAMP

SN: 433904-433904

1шт.

4

6715-81-7870

PIPE,EJECTOR

SN: 433906-@

1шт.

4

6715-81-7870

PIPE,EJECTOR

SN: 433904-433904

1шт.

5

6715-81-7880

PIPE,EJECTOR

SN: 433906-747368

1шт.

5

6715-81-7880

PIPE,EJECTOR

SN: 433904-433904

1шт.

6

6715-11-5460

JOINT,TURBOCHARGER

SN: 433906-@

2шт.

6

6715-11-5460

JOINT,TURBOCHARGER

SN: 433904-433904

2шт.

7

6715-11-5441

FLANGE

SN: 729981-@

2шт.

7

0

FLANGE

SN: 433904-729980

2шт.

8

6128-81-2530

RING,SEAL

SN: 433906-@

4шт.

8

6128-81-2530

RING,SEAL

SN: 433904-433904

4шт.

9

6715-11-5470

PIPE,DRAIN

SN: 433906-@

1шт.

9

6715-11-5470

PIPE,DRAIN

SN: 433904-433904

1шт.

10

6127-81-2860

CLIP

SN: 433906-@

3шт.

10

6127-81-2860

CLIP

SN: 433904-433904

3шт.

11

6128-11-5760

BOLT

SN: 433906-747368

4шт.

11

6128-11-5760

BOLT

SN: 433904-433904

4шт.

12

6128-11-5610

GASKET

SN: 433906-@

2шт.

12

6128-11-5610

GASKET

SN: 433904-433904

2шт.

13

01010-31040

BOLT

SN: 433906-@

8шт.

13

01010-31040

BOLT

SN: 433904-433904

8шт.

14

01580-01008

NUT

SN: 433906-@

8шт.

14

01580-01008

NUT

SN: 433904-433904

8шт.

15

6715-11-5454

BRACKET

SN: 550574-@

1шт.

15

0

BRACKET

SN: 433904-550573

1шт.

16

6678-51-9520

SPACER

SN: 433906-@

14шт.

16

6678-51-9520

SPACER

SN: 433904-433904

14шт.

17

01010-31255

BOLT

SN: 433904-@

8шт.

17

0

BOLT

SN: (433904-550573)

8шт.

18

01010-31260

BOLT

SN: 550574-@

4шт.

18

0

BOLT

SN: 433904-550573

4шт.

19

01580-01210

NUT

SN: 433906-@

6шт.

19

01580-01210

NUT

SN: 433904-433904

6шт.

20

01602-01236

WASHER,SPRING

SN: 433906-@

8шт.

20

01602-01236

WASHER,SPRING

SN: 433904-433904

8шт.

21

07281-00609

CLAMP

SN: 433906-@

4шт.

21

07281-00609

CLAMP

SN: 433904-433904

4шт.

22

6112-13-5660

HOSE

SN: 433906-@

2шт.

22

6112-13-5660

HOSE

SN: 433904-433904

2шт.

22

6715-84-7890

HOSE,(B)

SN: 433906-@

2шт.

Выбрано товаров: 92