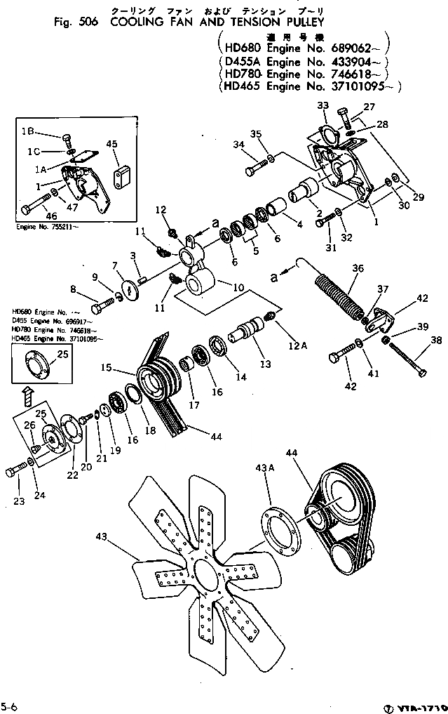
Запчасти Komatsu VTA-1710-1B ВЕНТИЛЯТОР ОХЛАЖДЕНИЯ И НАТЯЖНОЙ РОЛИК ОХЛАЖД-Е И ЭЛЕКТРИКАS

Схема запчастей Komatsu VTA-1710-1B - ВЕНТИЛЯТОР ОХЛАЖДЕНИЯ И НАТЯЖНОЙ РОЛИК ОХЛАЖД-Е И ЭЛЕКТРИКАS
FIT
1:1
100%

Артикул

Название

Примечание

Количество

|$0

6715-61-3702

TENSION PULLEY A.

SN: 37102815-UP

1шт.

|$1

6715-61-3701

TENSION PULLEY A.

SN: 696917-37102814

1шт.

|$2

0

TENSION PULLEY A.

SN: 433904-696916

1шт.

|$3

6715-64-3702

TENSION PULLEY,(B)

SN: 37102815-UP

1шт.

|$4

6715-64-3701

TENSION PULLEY,(B)

SN: 755211-37102814

1шт.

|$5

0

TENSION PULLEY,(B)

SN: 755206-755210

1шт.

|$6

6715-61-3072

BRACKET ASS'Y

SN: 37102815-UP

1шт.

|$7

6715-61-3071

BRACKET ASS'Y

SN: 755211-37102814

1шт.

|$8

0

BRACKET ASS'Y

SN: 433904-755210

1шт.

1

0

BRACKET

SN: 37102815-UP

1шт.

1

0

BRACKET

SN: 755211-37102814

1шт.

1

0

BRACKET

SN: 433904-755210

1шт.

1A

6715-61-3730

PLATE

SN: 755211-UP

1шт.

1B

02010-70625

BOLT

SN: 755211-UP

4шт.

1C

02310-11224

WASHER,SPRING

SN: 755211-UP

4шт.

2

0

SHAFT

SN: 433904-UP

1шт.

3

04020-00514

PIN

SN: 433904-UP

1шт.

4

6715-61-3920

RACE,INNER

SN: 433904-UP

1шт.

5

06120-05025

BEARING

SN: 433904-UP

2шт.

6

06122-05004

SEAL

SN: 433904-UP

2шт.

6

06122-15004

SEAL,(B)

SN: 433904-UP

2шт.

7

6162-62-3780

PLATE

SN: 433904-UP

1шт.

8

01050-31020

BOLT

SN: 433904-UP

1шт.

9

01653-11012

WASHER

SN: 433904-UP

1шт.

|$24

6715-61-3081

SHAFT ASS'Y

SN: 37102815-UP

1шт.

|$25

6715-61-3080

SHAFT ASS'Y

SN: 433904-37102814

1шт.

10

0

BRACKET

SN: 37102815-UP

1шт.

10

0

BRACKET

SN: 433904-37102814

1шт.

11

07020-00675

FITTING,GREASE

SN: 433904-37102814

2шт.

12

6127-61-3890

VALVE

SN: 696917-UP

1шт.

12

6127-61-3890

VALVE

SN: 433904-696916

2шт.

12A

07043-00108

PLUG

SN: 696917-UP

1шт.

13

0

SHAFT

SN: 433904-UP

1шт.

14

07012-00058

SEAL

SN: 433904-UP

1шт.

14

07012-40058

SEAL,(B)

SN: 433904-UP

1шт.

15

6715-61-3760

PULLEY

SN: .-UP

1шт.

15

0

PULLEY

SN: 433904-.

1шт.

16

06000-06208

BEARING

SN: 433904-UP

2шт.

17

6162-62-3750

SPACER

SN: 433904-UP

1шт.

18

04065-08025

RING,SNAP

SN: 433904-UP

1шт.

19

6162-62-3830

COVER

SN: 433904-UP

1шт.

20

01010-30820

BOLT

SN: 433904-UP

2шт.

21

6162-62-3790

PLATE

SN: 433904-UP

1шт.

22

6162-62-3740

GASKET

SN: 433904-UP

1шт.

23

6127-41-1150

BOLT

SN: 497769-UP

4шт.

23

01010-31025

BOLT

SN: 433904-497768

4шт.

24

01602-01030

WASHER,SPRING

SN: 433904-497768

4шт.

25

6162-62-3732

COVER

SN: 696917-UP

1шт.

25

6162-62-3731

COVER

SN: 497769-696916

1шт.

25

6162-62-3730

COVER

SN: 433904-497768

1шт.

26

07043-00108

PLUG

SN: 433904-696916

1шт.

27

02010-20625

BOLT

SN: 433904-755210

2шт.

28

01602-00929

WASHER,SPRING

SN: 433904-755210

2шт.

29

6110-25-6340

SHIM ASS'Y

SN: 433904-UP

5шт.

30

6610-71-6320

SHIM, 0.25MM

SN: 433904-UP

5шт.

31

02010-20651

BOLT

SN: 433904-UP

3шт.

32

01602-00929

WASHER,SPRING

SN: 433904-UP

3шт.

33

CU136995

GASKET

SN: 433904-UP

1шт.

34

6710-61-1160

BOLT

SN: 433904-UP

3шт.

35

01602-00929

WASHER

SN: 433904-UP

3шт.

36

6715-61-3640

SPRING

SN: 37102815-UP

1шт.

36

6715-61-3630

SPRING

SN: 433904-37102814

1шт.

36

6715-61-3640

SPRING,(FOR HIGH SPEED FAN)

SN: 433904-37102814

1шт.

37

01580-01210

NUT

SN: 433904-UP

1шт.

38

6715-61-3810

BOLT

SN: 433904-UP

1шт.

39

6124-61-3830

WASHER

SN: 433904-UP

1шт.

40

02010-20651

BOLT

SN: 433904-UP

3шт.

41

01602-00929

WASHER

SN: 433904-UP

3шт.

42

6715-61-3820

BRACKET

SN: 433904-UP

1шт.

43

600-613-1501

FAN

SN: 37102815-UP

1шт.

43

600-613-1352

FAN

SN: 482429-37102814

1шт.

43

600-613-1351

FAN

SN: 433904-482428

1шт.

43

600-613-1501

FAN,(LARGE SIZE TYPE)

SN: 603798-37102814

1шт.

43

600-615-1351

FAN,(SUCTION)

SN: 482429-UP

1шт.

43

600-614-1353

FAN,(REVERSIBLE)

SN: ..-UP

1шт.

43

600-614-1352

FAN,(REVERSIBLE)

SN: .-..

1шт.

43

600-614-1351

FAN,(REVERSIBLE)

SN: 696920-.

1шт.

43

600-614-1350

FAN,(REVERSIBLE)

SN: 497769-717495

1шт.

43A

6715-81-6820

SPACER,(FOR REVERSIBLE FAN)

SN: ..-UP

1шт.

43A

6715-81-6810

SPACER,(FOR REVERSIBLE FAN)

SN: 497769-..

1шт.

44

04122-22580

V-BELT SET

SN: 37102815-UP

1шт.

44

04122-22571

V-BELT SET

SN: 755211-37102814

1шт.

44

04122-22570

V-BELT SET

SN: 433905-755210

1шт.

44

04122-32580

V-BELT SET,(B)

SN: 37102815-UP

1шт.

44

04122-32571

V-BELT SET,(B)

SN: 755211-37102814

1шт.

44

04122-32570

V-BELT SET,(B)

SN: 433904-755210

1шт.

44

04122-22580

V-BELT SET,(FOR REVERSIBLE FAN)

SN: 37102815-UP

1шт.

44

04122-22571

V-BELT SET,(FOR REVERSIBLE FAN)

SN: 755211-37102814

1шт.

44

04122-22569

V-BELT SET,(FOR REVERSIBLE FAN)

SN: 433904-755210

1шт.

44

04122-22574

V-BELT SET,(FOR HIGH SPEED FAN)

SN: 433904-UP

1шт.

44

04122-22569

V-BELT SET,(HIGH SPEED FAN)(FOR AUSTRAL.)

SN: 433904-755210

1шт.

44

04122-22574

V-BELT SET,(FOR LARGE SIZE FAN)

SN: 433904-37102814

1шт.

45

6715-61-3740

STOPPER

SN: 37102815-UP

1шт.

46

01010-31065

BOLT

SN: 37102815-UP

2шт.

47

01602-01030

WASHER,SPRING

SN: 37102815-UP

2шт.

48

6715-81-6820

SPACER,(FOR REVERSIBLE FAN) (N/SHOWN)

SN: (1300)-UP

1шт.

48

6715-81-6810

SPACER,(FOR REVERSIBLE FAN) (N/SHOWN)

SN: (1001)-(1299)

1шт.

|$0

6715-61-3702

TENSION PULLEY A.

SN: 37102815-UP

1шт.

|$1

6715-61-3701

TENSION PULLEY A.

SN: 696917-37102814

1шт.

|$2

0

TENSION PULLEY A.

SN: 433904-696916

1шт.

|$3

6715-64-3702

TENSION PULLEY,(B)

SN: 37102815-UP

1шт.

|$4

6715-64-3701

TENSION PULLEY,(B)

SN: 755211-37102814

1шт.

|$5

0

TENSION PULLEY,(B)

SN: 755206-755210

1шт.

|$6

6715-61-3072

BRACKET ASS'Y

SN: 37102815-UP

1шт.

|$7

6715-61-3071

BRACKET ASS'Y

SN: 755211-37102814

1шт.

|$8

0

BRACKET ASS'Y

SN: 433904-755210

1шт.

1

0

BRACKET

SN: 37102815-UP

1шт.

1

0

BRACKET

SN: 755211-37102814

1шт.

1

0

BRACKET

SN: 433904-755210

1шт.

1A

6715-61-3730

PLATE

SN: 755211-UP

1шт.

1B

02010-70625

BOLT

SN: 755211-UP

4шт.

1C

02310-11224

WASHER,SPRING

SN: 755211-UP

4шт.

2

0

SHAFT

SN: 433904-UP

1шт.

3

04020-00514

PIN

SN: 433904-UP

1шт.

4

6715-61-3920

RACE,INNER

SN: 433904-UP

1шт.

5

06120-05025

BEARING

SN: 433904-UP

2шт.

6

06122-05004

SEAL

SN: 433904-UP

2шт.

6

06122-15004

SEAL,(B)

SN: 433904-UP

2шт.

7

6162-62-3780

PLATE

SN: 433904-UP

1шт.

8

01050-31020

BOLT

SN: 433904-UP

1шт.

9

01653-11012

WASHER

SN: 433904-UP

1шт.

|$24

6715-61-3081

SHAFT ASS'Y

SN: 37102815-UP

1шт.

|$25

6715-61-3080

SHAFT ASS'Y

SN: 433904-37102814

1шт.

10

0

BRACKET

SN: 37102815-UP

1шт.

10

0

BRACKET

SN: 433904-37102814

1шт.

11

07020-00675

FITTING,GREASE

SN: 433904-37102814

2шт.

12

6127-61-3890

VALVE

SN: 696917-UP

1шт.

12

6127-61-3890

VALVE

SN: 433904-696916

2шт.

12A

07043-00108

PLUG

SN: 696917-UP

1шт.

13

0

SHAFT

SN: 433904-UP

1шт.

14

07012-00058

SEAL

SN: 433904-UP

1шт.

14

07012-40058

SEAL,(B)

SN: 433904-UP

1шт.

15

6715-61-3760

PULLEY

SN: .-UP

1шт.

15

0

PULLEY

SN: 433904-.

1шт.

16

06000-06208

BEARING

SN: 433904-UP

2шт.

17

6162-62-3750

SPACER

SN: 433904-UP

1шт.

18

04065-08025

RING,SNAP

SN: 433904-UP

1шт.

19

6162-62-3830

COVER

SN: 433904-UP

1шт.

20

01010-30820

BOLT

SN: 433904-UP

2шт.

21

6162-62-3790

PLATE

SN: 433904-UP

1шт.

22

6162-62-3740

GASKET

SN: 433904-UP

1шт.

23

6127-41-1150

BOLT

SN: 497769-UP

4шт.

23

01010-31025

BOLT

SN: 433904-497768

4шт.

24

01602-01030

WASHER,SPRING

SN: 433904-497768

4шт.

25

6162-62-3732

COVER

SN: 696917-UP

1шт.

25

6162-62-3731

COVER

SN: 497769-696916

1шт.

25

6162-62-3730

COVER

SN: 433904-497768

1шт.

26

07043-00108

PLUG

SN: 433904-696916

1шт.

27

02010-20625

BOLT

SN: 433904-755210

2шт.

28

01602-00929

WASHER,SPRING

SN: 433904-755210

2шт.

29

6110-25-6340

SHIM ASS'Y

SN: 433904-UP

5шт.

30

6610-71-6320

SHIM, 0.25MM

SN: 433904-UP

5шт.

31

02010-20651

BOLT

SN: 433904-UP

3шт.

32

01602-00929

WASHER,SPRING

SN: 433904-UP

3шт.

33

CU136995

GASKET

SN: 433904-UP

1шт.

34

6710-61-1160

BOLT

SN: 433904-UP

3шт.

35

01602-00929

WASHER

SN: 433904-UP

3шт.

36

6715-61-3640

SPRING

SN: 37102815-UP

1шт.

36

6715-61-3630

SPRING

SN: 433904-37102814

1шт.

36

6715-61-3640

SPRING,(FOR HIGH SPEED FAN)

SN: 433904-37102814

1шт.

37

01580-01210

NUT

SN: 433904-UP

1шт.

38

6715-61-3810

BOLT

SN: 433904-UP

1шт.

39

6124-61-3830

WASHER

SN: 433904-UP

1шт.

40

02010-20651

BOLT

SN: 433904-UP

3шт.

41

01602-00929

WASHER

SN: 433904-UP

3шт.

42

6715-61-3820

BRACKET

SN: 433904-UP

1шт.

43

600-613-1501

FAN

SN: 37102815-UP

1шт.

43

600-613-1352

FAN

SN: 482429-37102814

1шт.

43

600-613-1351

FAN

SN: 433904-482428

1шт.

43

600-613-1501

FAN,(LARGE SIZE TYPE)

SN: 603798-37102814

1шт.

43

600-615-1351

FAN,(SUCTION)

SN: 482429-UP

1шт.

43

600-614-1353

FAN,(REVERSIBLE)

SN: ..-UP

1шт.

43

600-614-1352

FAN,(REVERSIBLE)

SN: .-..

1шт.

43

600-614-1351

FAN,(REVERSIBLE)

SN: 696920-.

1шт.

43

600-614-1350

FAN,(REVERSIBLE)

SN: 497769-717495

1шт.

43A

6715-81-6820

SPACER,(FOR REVERSIBLE FAN)

SN: ..-UP

1шт.

43A

6715-81-6810

SPACER,(FOR REVERSIBLE FAN)

SN: 497769-..

1шт.

44

04122-22580

V-BELT SET

SN: 37102815-UP

1шт.

44

04122-22571

V-BELT SET

SN: 755211-37102814

1шт.

44

04122-22570

V-BELT SET

SN: 433905-755210

1шт.

44

04122-32580

V-BELT SET,(B)

SN: 37102815-UP

1шт.

44

04122-32571

V-BELT SET,(B)

SN: 755211-37102814

1шт.

44

04122-32570

V-BELT SET,(B)

SN: 433904-755210

1шт.

44

04122-22580

V-BELT SET,(FOR REVERSIBLE FAN)

SN: 37102815-UP

1шт.

44

04122-22571

V-BELT SET,(FOR REVERSIBLE FAN)

SN: 755211-37102814

1шт.

44

04122-22569

V-BELT SET,(FOR REVERSIBLE FAN)

SN: 433904-755210

1шт.

44

04122-22574

V-BELT SET,(FOR HIGH SPEED FAN)

SN: 433904-UP

1шт.

44

04122-22569

V-BELT SET,(HIGH SPEED FAN)(FOR AUSTRAL.)

SN: 433904-755210

1шт.

44

04122-22574

V-BELT SET,(FOR LARGE SIZE FAN)

SN: 433904-37102814

1шт.

45

6715-61-3740

STOPPER

SN: 37102815-UP

1шт.

46

01010-31065

BOLT

SN: 37102815-UP

2шт.

47

01602-01030

WASHER,SPRING

SN: 37102815-UP

2шт.

48

6715-81-6820

SPACER,(FOR REVERSIBLE FAN) (N/SHOWN)

SN: (1300)-UP

1шт.

48

6715-81-6810

SPACER,(FOR REVERSIBLE FAN) (N/SHOWN)

SN: (1001)-(1299)

1шт.

Выбрано товаров: 194