Запчасти Komatsu D45A-1 ТОПЛИВН. БАК.(№-8) КОМПОНЕНТЫ ДВИГАТЕЛЯ И ЭЛЕКТРИКА

Схема запчастей Komatsu D45A-1 - ТОПЛИВН. БАК.(№-8) КОМПОНЕНТЫ ДВИГАТЕЛЯ И ЭЛЕКТРИКА
FIT
1:1
100%

Артикул

Название

Примечание

Количество

|$0

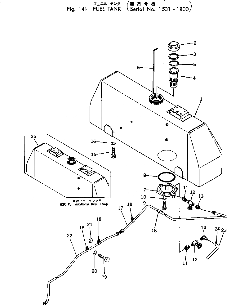
124-04-00010

FUEL TANK ASS'Y

SN: 1501-1800

1шт.

1

124-04-21110

TANK

SN: 1501-1800

1шт.

2

07050-21200

CAP

SN: 1501-@

1шт.

3

07050-21202

GASKET

SN: 1501-@

1шт.

4

07056-18416

STRAINER

SN: 1501-@

1шт.

5

07057-04087

RING

SN: 1501-@

1шт.

6

124-04-21160

GAUGE

SN: 1501-1800

1шт.

7

141-04-33110

FLANGE

SN: 1501-1800

1шт.

8

07000-02135

O-RING

SN: 1501-1800

1шт.

9

01010-31025

BOLT

SN: 1501-1800

6шт.

10

01602-01030

WASHER

SN: 1501-1800

6шт.

11

131-04-54120

NIPPLE

SN: 1501-1800

2шт.

12

07700-30504

VALVE

SN: 1501-1800

2шт.

13

131-04-54140

NIPPLE

SN: 1501-1800

1шт.

14

131-04-54130

ELBOW

SN: 1501-1800

1шт.

15

01010-31425

BOLT

SN: 1501-@

6шт.

16

01602-01442

WASHER

SN: 1501-@

6шт.

17

124-04-21150

TUBE

SN: 1501-1800

1шт.

18

130-04-11260

CLIP

SN: 1501-1800

4шт.

19

01010-31016

BOLT

SN: 1501-1800

4шт.

20

01602-01030

WASHER

SN: 1501-1800

4шт.

21

130-04-11270

CLIP

SN: 1501-1800

3шт.

22

124-04-21140

TUBE

SN: 1501-1800

1шт.

23

07270-01260

TUBE

SN: 1501-@

1шт.

24

07280-01418

CLAMP

SN: 1501-1800

1шт.

25

124-04-26210

TANK,(FOR ADDITIONAL REAR LAMP)

SN: 1501-1800

1шт.

Выбрано товаров: 26