Запчасти Komatsu D45A-1 КОРПУС ТРАНСМИССИИ ГИДРОТРАНСФОРМАТОР И ТРАНСМИССИЯ

Схема запчастей Komatsu D45A-1 - КОРПУС ТРАНСМИССИИ ГИДРОТРАНСФОРМАТОР И ТРАНСМИССИЯ
FIT
1:1
100%

Артикул

Название

Примечание

Количество

|$0

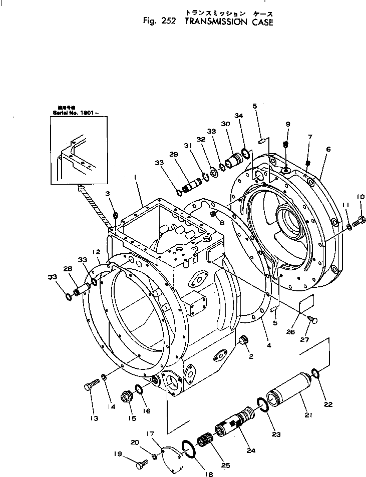
124-15-00010

TRANSMISSION ASS'Y

SN: 1801-UP

1шт.

|$1

0

TRANSMISSION ASS'Y

SN: 1504-1800

1шт.

|$2

125-15-00010

TRANSMISSION ASS'Y

SN: 1501-1503

1шт.

|$3

124-15-00100

TRANSMISSION ASS'Y

SN: 1801-UP

1шт.

|$4

125-15-00101

TRANSMISSION ASS'Y

SN: 1504-1800

1шт.

|$5

125-15-00100

TRANSMISSION ASS'Y

SN: 1501-1503

1шт.

|$6

125-15-00111

CASE ASS'Y

SN: 1801-UP

1шт.

|$7

125-15-00110

CASE ASS'Y

SN: 1501-1800

1шт.

1

0

CASE

SN: 1801-UP

1шт.

1

0

CASE

SN: 1501-1800

1шт.

2

07043-01019

PLUG

SN: 1501-UP

1шт.

3

07042-00312

PLUG

SN: 1501-UP

1шт.

4

125-15-21120

GASKET (KIT)

SN: 1501-UP

1шт.

5

04020-01228

PIN

SN: 1501-UP

2шт.

|$14

125-15-00120

CASE ASS'Y

SN: 1501-UP

1шт.

6

0

CASE

SN: 1501-UP

1шт.

7

175-15-11230

PLUG

SN: 1501-UP

3шт.

8

07043-00415

PLUG

SN: 1501-UP

1шт.

9

07049-01620

PLUG

SN: 1501-UP

1шт.

10

01010-31240

BOLT

SN: 1501-UP

16шт.

11

01602-01236

WASHER

SN: 1501-UP

16шт.

12

113-16-11120

GASKET (KIT)

SN: 1501-UP

1шт.

13

01010-31030

BOLT

SN: 1501-UP

11шт.

14

01602-01030

WASHER

SN: 1501-UP

11шт.

15

07044-13620

PLUG

SN: 1501-UP

1шт.

16

07002-03634

O-RING (KIT)

SN: 1801-UP

1шт.

16

07000-63032

O-RING (KIT)

SN: 1501-1800

1шт.

17

125-15-21240

COVER

SN: 1801-UP

1шт.

17

0

COVER

SN: 1501-1800

1шт.

|$$30

(125-15-21240,01010-31025(3))

-1шт.

18

07000-62070

O-RING (KIT)

SN: 1501-UP

1шт.

19

01010-31025

BOLT

SN: 1801-UP

3шт.

19

01010-31030

BOLT

SN: 1501-1800

3шт.

20

01602-01030

WASHER

SN: 1501-UP

3шт.

21

125-15-11711

CASE

SN: 1501-UP

1шт.

22

07000-63030

O-RING (KIT)

SN: 1501-UP

1шт.

23

07000-62055

O-RING (KIT)

SN: 1501-UP

1шт.

24

125-15-11722

MAGNET ASS'Y

SN: 1501-UP

1шт.

25

125-15-11790

SPRING

SN: 1501-UP

1шт.

26

09608-05080

PLATE, NAME,(LIMITED SUPPLY)

SN: 1501-UP

1шт.

27

04418-03060

SCREW

SN: 1501-UP

4шт.

28

125-15-21660

SLEEVE

SN: 1501-UP

2шт.

29

125-15-21671

SLEEVE

SN: 1504-UP

1шт.

29

125-15-21670

SLEEVE

SN: 1501-1503

1шт.

30

125-15-21680

SLEEVE

SN: 1501-UP

1шт.

31

04064-02815

RING

SN: 1501-UP

1шт.

32

125-15-21690

PLATE

SN: 1501-UP

1шт.

33

07000-63022

O-RING (KIT)

SN: 1501-UP

6шт.

34

07000-63035

O-RING (KIT)

SN: 1501-UP

1шт.

Выбрано товаров: 49