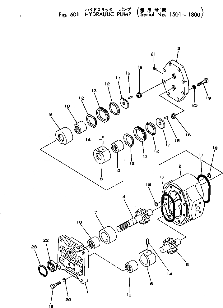
Запчасти Komatsu D45A-1 ГИДР. НАСОС.(№-8) УПРАВЛ-Е РАБОЧИМ ОБОРУДОВАНИЕМ

Схема запчастей Komatsu D45A-1 - ГИДР. НАСОС.(№-8) УПРАВЛ-Е РАБОЧИМ ОБОРУДОВАНИЕМ
FIT
1:1
100%

Артикул

Название

Примечание

Количество

|$0

07435-67101

PUMP ASS'Y,(PAR 056)

SN: 1501-1800

1шт.

1

0

BRACKET

SN: 1501-1800

1шт.

2

0

HOUSING

SN: 1501-1800

1шт.

3

0

COVER

SN: 1501-1800

1шт.

4

0

GEAR

SN: 1501-1800

1шт.

5

0

GEAR

SN: 1501-1800

1шт.

6

0

BUSHING

SN: 1501-1800

1шт.

7

0

BUSHING

SN: 1501-1800

1шт.

8

0

BUSHING

SN: 1501-1800

1шт.

9

0

BUSHING

SN: 1501-1800

1шт.

10

0

BEARING

SN: 1501-1800

4шт.

11

0

PLATE

SN: 1501-1800

2шт.

12

0

RING

SN: 1501-1800

4шт.

13

0

U-RING

SN: 1501-1800

2шт.

14

0

PIN

SN: 1501-1800

2шт.

15

0

PIN

SN: 1501-1800

2шт.

16

0

COLLAR

SN: 1501-1800

2шт.

17

0

O-RING

SN: 1501-1800

2шт.

18

0

O-RING

SN: 1501-1800

2шт.

19

0

BOLT

SN: 1501-1800

16шт.

20

0

WASHER

SN: 1501-1800

16шт.

21

0

PLUG

SN: 1501-1800

2шт.

22

07434-11162

SEAL

SN: 1501-1800

1шт.

23

04065-05020

RING

SN: 1501-1800

1шт.

Выбрано товаров: 24