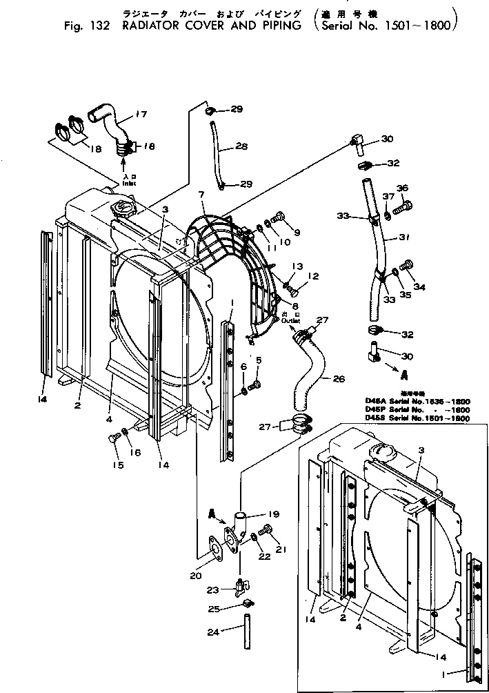
Запчасти Komatsu D45P-1 РАДИАТОР КРЫШКАAND ТРУБЫ(№-8) КОМПОНЕНТЫ ДВИГАТЕЛЯ И ЭЛЕКТРИКА

Схема запчастей Komatsu D45P-1 - РАДИАТОР КРЫШКАAND ТРУБЫ(№-8) КОМПОНЕНТЫ ДВИГАТЕЛЯ И ЭЛЕКТРИКА
FIT
1:1
100%

Артикул

Название

Примечание

Количество

1

12F-03-11211

COVER,L.H.

SN: .-@

1шт.

1

125-03-21261

COVER,L.H.

SN: 1501-.

1шт.

2

12F-03-11221

COVER,R.H.

SN: .-@

1шт.

2

125-03-21271

COVER,R.H.

SN: 1501-.

1шт.

3

125-03-21243

SHROUD,UPPER

SN: .-@

1шт.

3

125-03-21242

SHROUD,UPPER

SN: 1501-.

1шт.

4

125-03-21253

SHROUD,LOWER

SN: .-@

1шт.

4

125-03-21252

SHROUD,LOWER

SN: 1501-.

1шт.

5

01010-31225

BOLT

SN: 1501-@

12шт.

6

01602-01236

WASHER

SN: 1501-@

12шт.

7

125-03-21284

GUARD

SN: 1801-@

1шт.

7

0

GUARD

SN: .-1800

1шт.

7

0

GUARD

SN: 1501-.

1шт.

8

125-03-21294

GUARD

SN: 1801-@

1шт.

8

0

GUARD

SN: .-1800

1шт.

8

0

GUARD

SN: 1501-.

1шт.

9

01010-31020

BOLT

SN: 1501-@

4шт.

10

01602-01030

WASHER

SN: 1501-@

4шт.

11

01640-21016

WASHER

SN: 1501-1800

4шт.

12

01010-31025

BOLT

SN: 1501-1800

1шт.

13

01602-01030

WASHER

SN: 1501-1800

1шт.

14

12F-03-11231

PLATE

SN: .-@

2шт.

14

124-03-21110

PLATE

SN: 1501-.

2шт.

15

01010-31020

BOLT

SN: 1501-@

6шт.

16

01602-01030

WASHER

SN: 1501-@

6шт.

17

120-03-22120

HOSE

SN: 1500-1500

1шт.

17

125-03-22111

HOSE

SN: 1501-1800

1шт.

18

07281-00709

CLAMP

SN: 1501-@

4шт.

19

125-03-22122

TUBE

SN: 1501-1800

1шт.

20

131-03-41320

GASKET

SN: 1501-@

1шт.

21

01010-31230

BOLT

SN: 1501-@

2шт.

22

01602-01236

WASHER

SN: 1501-@

2шт.

23

07730-20004

VALVE

SN: 1501-@

1шт.

24

07270-01514

TUBE

SN: .-1800

1шт.

24

07260-00914

HOSE

SN: 1501-.

1шт.

25

07280-01920

CLAMP

SN: .-1800

1шт.

25

07280-02023

CLAMP

SN: 1501-.

1шт.

26

125-03-21310

HOSE

SN: 1501-1800

1шт.

27

07281-00709

CLAMP

SN: .-@

2шт.

27

07281-00709

CLAMP

SN: 1501-.

4шт.

28

07260-20932

HOSE

SN: .-1800

1шт.

28

07260-00930

HOSE

SN: 1501-.

1шт.

29

07281-00709

CLAMP

SN: .-1800

2шт.

29

07281-00709

CLAMP

SN: 1501-.

4шт.

30

134-03-12170

TEE

SN: 1501-1800

2шт.

31

07260-02690

HOSE

SN: 1501-1800

1шт.

32

07281-00489

CLAMP

SN: 1501-1800

2шт.

33

134-03-11270

CLIP

SN: 1501-1800

2шт.

34

01010-31025

BOLT

SN: 1501-1800

1шт.

35

01602-01030

WASHER

SN: 1501-1800

1шт.

36

01010-31240

BOLT

SN: 1501-1800

1шт.

37

01602-01236

WASHER

SN: 1501-1800

1шт.

Выбрано товаров: 52