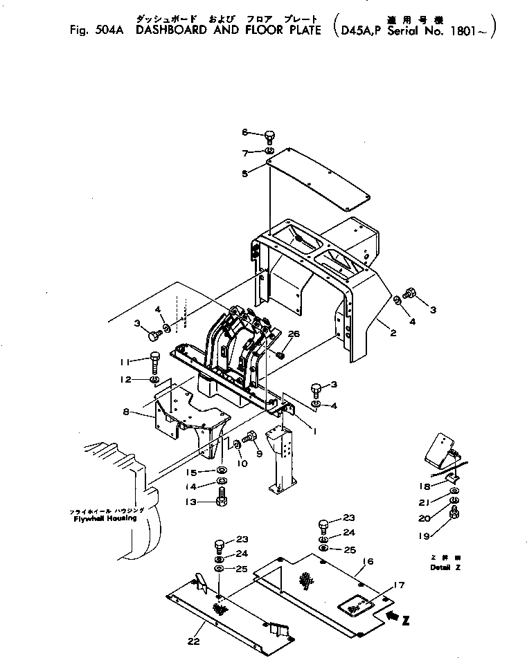
Запчасти Komatsu D45P-1 ПРИБОРНАЯ ПАНЕЛЬ И ПОЛ КАБИНЫ(№8-) ЧАСТИ КОРПУСА

Схема запчастей Komatsu D45P-1 - ПРИБОРНАЯ ПАНЕЛЬ И ПОЛ КАБИНЫ(№8-) ЧАСТИ КОРПУСА
FIT
1:1
100%

Артикул

Название

Примечание

Количество

1

124-54-21562

FRAME

SN: 1801-UP

1шт.

2

124-54-21553

DASHBOARD

SN: 2948-UP

1шт.

2

124-54-21552

DASHBOARD

SN: 1801-2947

1шт.

2

124-54-29520

DASHBOARD,(FOR 800W ALTERNATOR)

SN: 1801-UP

1шт.

3

01010-31225

BOLT

SN: 1501-UP

21шт.

4

01602-01236

WASHER

SN: 1501-UP

21шт.

5

124-54-21580

PLATE

SN: 1801-UP

1шт.

6

01010-31220

BOLT

SN: 1801-UP

6шт.

7

01602-01236

WASHER

SN: 1801-UP

6шт.

8

124-54-21631

BRACKET

SN: 1801-UP

1шт.

9

01010-31030

BOLT

SN: 1801-UP

6шт.

10

01602-01030

WASHER

SN: 1501-UP

6шт.

11

01010-31260

BOLT

SN: 1501-UP

4шт.

12

01602-01236

WASHER

SN: 1501-UP

4шт.

13

01010-31440

BOLT

SN: 1501-UP

4шт.

14

01602-01442

WASHER

SN: 1501-UP

4шт.

15

01643-31445

WASHER

SN: 1501-UP

4шт.

|$17

124-54-00020

PLATE ASS'Y

SN: 1801-UP

1шт.

16

0

PLATE

SN: 1801-UP

1шт.

17

12F-54-11560

COVER

SN: 1801-UP

1шт.

18

12F-54-11590

PLATE

SN: 1801-UP

1шт.

19

01010-30610

BOLT

SN: 1801-UP

2шт.

20

01602-00619

WASHER

SN: 1801-UP

2шт.

21

01640-20610

WASHER

SN: 1801-UP

2шт.

22

124-54-21820

PLATE

SN: 1801-UP

1шт.

23

01010-31225

BOLT

SN: 1501-UP

13шт.

24

01602-01236

WASHER

SN: 1501-UP

13шт.

25

01643-31232

WASHER

SN: 1501-UP

13шт.

26

07049-01215

PLUG

SN: 1801-UP

2шт.

Выбрано товаров: 29