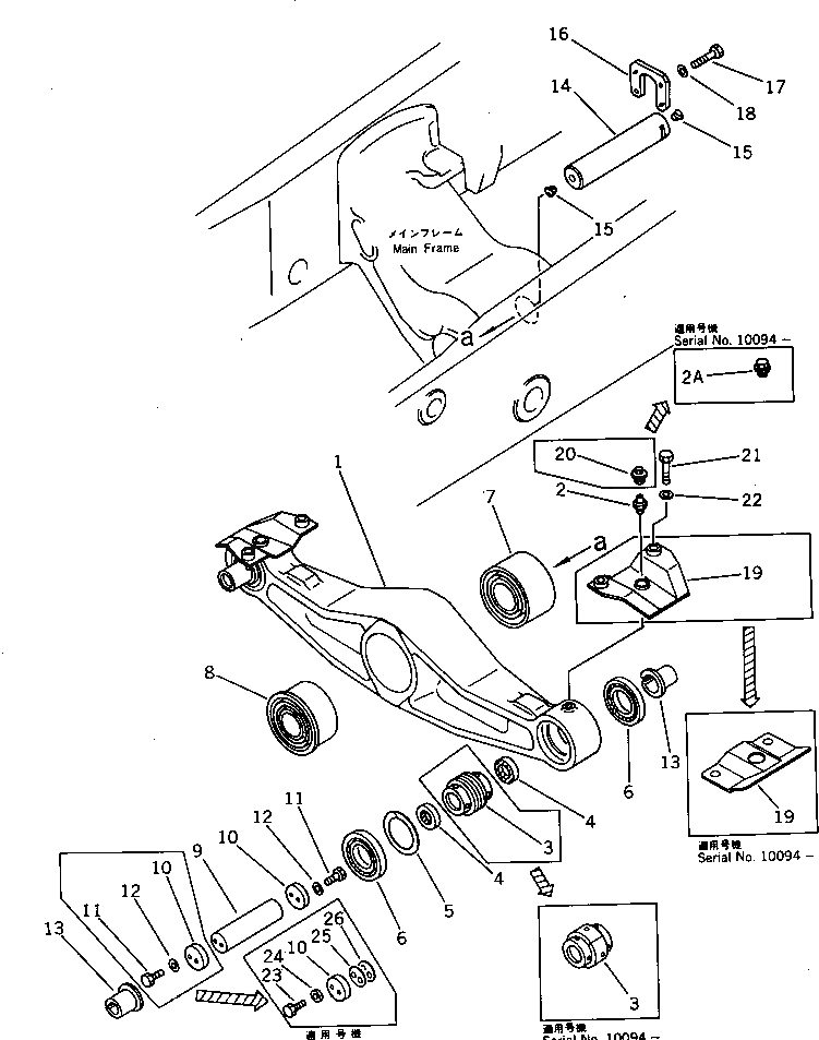
Запчасти Komatsu D475A-1 БАЛКА БАЛАНСИРА ЧАСТИ КОРПУСА

Схема запчастей Komatsu D475A-1 - БАЛКА БАЛАНСИРА ЧАСТИ КОРПУСА
FIT
1:1
100%

Артикул

Название

Примечание

Количество

|$0

198-50-00052

EQUALIZER BAR ASS'Y

SN: 10094-UP

1шт.

|$1

0

EQUALIZER BAR ASS'Y

SN: 10073-10093

1шт.

|$2

0

EQUALIZER BAR ASS'Y

SN: 10001-10072

1шт.

1

0

BAR,EQUALIZER

SN: 10094-UP

1шт.

1

0

BAR,EQUALIZER

SN: 10001-10093

1шт.

2

07020-00000

FITTING,GREASE

SN: 10001-UP

2шт.

2A

195-50-22990

PLUG

SN: 10094-UP

2шт.

3

198-50-32332

BUSHING

SN: 10094-UP

2шт.

3

198-50-32331

BUSHING

SN: 10001-10093

2шт.

4

198-50-32711

SEAL

SN: 10001-UP

4шт.

5

198-50-32720

RING,SNAP

SN: 10001-UP

4шт.

6

198-50-32282

SEAL

SN: 10073-UP

4шт.

6

0

SEAL

SN: 10001-10072

4шт.

7

198-50-32760

BUSHING

SN: 10001-UP

1шт.

8

198-50-32770

BUSHING

SN: 10001-UP

1шт.

9

198-50-32620

SHAFT

SN: 10001-UP

2шт.

10

198-50-32740

PLATE

SN: 10001-UP

4шт.

11

01010-52455

BOLT

SN: 10032-UP

4шт.

11

01010-52455

BOLT

SN: 10001-10031

8шт.

12

01643-32460

WASHER

SN: 10032-UP

4шт.

12

01643-32460

WASHER

SN: 10001-10031

8шт.

13

198-50-32631

BUSHING

SN: 10032-UP

4шт.

13

198-50-32630

BUSHING

SN: 10001-10031

4шт.

14

198-50-32421

SHAFT

SN: 10001-UP

1шт.

15

07049-03645

PLUG

SN: 10001-UP

2шт.

16

198-50-32540

LOCK

SN: 10001-UP

1шт.

17

01010-52455

BOLT

SN: 10001-UP

4шт.

18

01643-32460

WASHER

SN: 10001-UP

4шт.

19

198-50-32642

COVER

SN: 10094-UP

2шт.

19

198-50-32641

COVER

SN: 10001-10093

2шт.

20

198-50-32690

PLUG

SN: 10001-10093

2шт.

21

198-50-32750

BOLT

SN: 10001-UP

4шт.

22

01643-33380

WASHER

SN: 10001-UP

4шт.

23

01010-52465

BOLT

SN: 10032-UP

4шт.

24

198-50-32850

WASHER

SN: 10032-UP

4шт.

25

198-50-32820

SHIM, 0.5MM

SN: 10032-UP

10шт.

26

198-50-32830

SHIM, 0.2MM

SN: 10032-UP

6шт.

Выбрано товаров: 37