Запчасти Komatsu D475A-1 ГИДРОЛИНИЯ (ПЕРЕКОС. ОТВАЛА ЛИНИЯ) (/) УПРАВЛ-Е РАБОЧИМ ОБОРУДОВАНИЕМ

Схема запчастей Komatsu D475A-1 - ГИДРОЛИНИЯ (ПЕРЕКОС. ОТВАЛА ЛИНИЯ) (/) УПРАВЛ-Е РАБОЧИМ ОБОРУДОВАНИЕМ
FIT
1:1
100%

Артикул

Название

Примечание

Количество

G-1

0

PIPING GROUP

SN: 10087-UP

1шт.

G-1

0

PIPING GROUP

SN: 10042-10086

1шт.

G-1

0

PIPING GROUP

SN: 10033-10041

1шт.

G-1

0

PIPING GROUP

SN: 10001-10032

1шт.

|$$5

====================

-1шт.

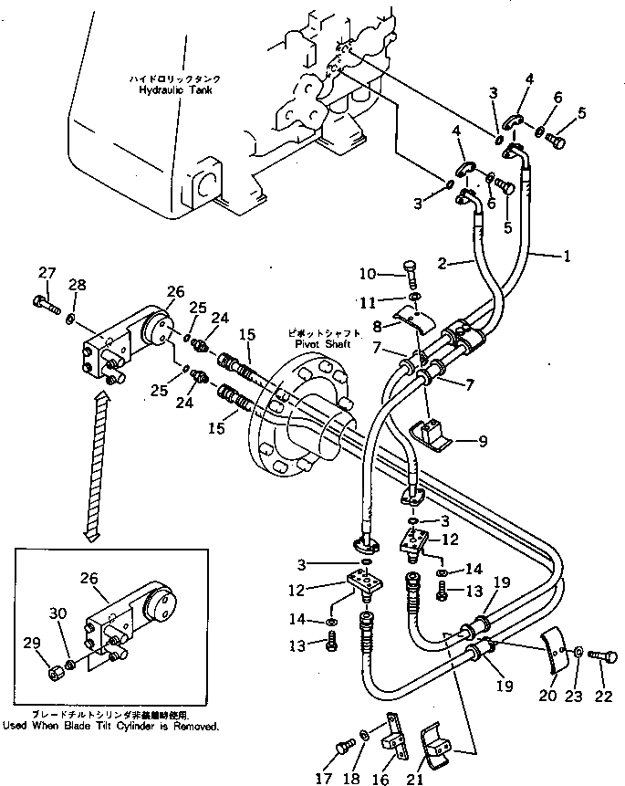
1

198-61-32760

HOSE

SN: 10001-UP

1шт.

2

198-61-32770

HOSE

SN: 10001-UP

1шт.

3

07000-13032

O-RING

SN: 10001-UP

4шт.

4

07371-31049

FLANGE,SPLIT

SN: 10001-UP

8шт.

5

07372-21035

BOLT

SN: 10001-UP

16шт.

6

01643-51032

WASHER

SN: 10001-UP

16шт.

7

203-62-32330

CUSHION

SN: 10001-UP

4шт.

8

198-61-32550

CLAMP

SN: 10001-UP

2шт.

9

198-61-32560

CLAMP

SN: 10001-UP

2шт.

10

01010-51280

BOLT

SN: 10001-UP

4шт.

11

01643-31232

WASHER

SN: 10001-UP

4шт.

12

198-61-32190

FLANGE

SN: 10001-UP

2шт.

13

01010-51240

BOLT

SN: 10001-UP

4шт.

14

01643-31232

WASHER

SN: 10001-UP

4шт.

15

198-61-32630

HOSE

SN: 10033-UP

2шт.

15

0

HOSE

SN: 10001-10032

2шт.

16

198-61-32210

BRACKET

SN: 10001-UP

1шт.

17

01010-51225

BOLT

SN: 10001-UP

2шт.

18

01643-31232

WASHER

SN: 10001-UP

2шт.

19

198-61-32570

CUSHION

SN: 10001-UP

2шт.

20

198-61-32550

CLAMP

SN: 10001-UP

1шт.

21

198-61-32560

CLAMP

SN: 10001-UP

1шт.

22

01010-51280

BOLT

SN: 10001-UP

2шт.

23

01643-31232

WASHER

SN: 10001-UP

2шт.

24

07230-10628

UNION

SN: 10033-UP

2шт.

24

0

NIPPLE

SN: 10001-10032

2шт.

25

07002-12434

O-RING

SN: 10001-UP

2шт.

26

198-61-32660

ELBOW

SN: 10001-UP

1шт.

27

01011-51625

BOLT

SN: 10001-UP

1шт.

28

01643-31645

WASHER

SN: 10001-UP

1шт.

29

07221-20628

NUT,(WITHOUT TILT CYLINDER)

SN: 10001-UP

2шт.

30

07222-00616

PLUG,(WITHOUT TILT CYLINDER)

SN: 10001-UP

2шт.

|$$38

====================

-1шт.

Выбрано товаров: 38