Запчасти Komatsu D475A-1 ГИДР. НАСОС. (ПРИВОД ВЕНТИЛЯТОРА) (/) КОМПОНЕНТЫ ДВИГАТЕЛЯ И ЭЛЕКТРИКА

Схема запчастей Komatsu D475A-1 - ГИДР. НАСОС. (ПРИВОД ВЕНТИЛЯТОРА) (/) КОМПОНЕНТЫ ДВИГАТЕЛЯ И ЭЛЕКТРИКА
FIT
1:1
100%

Артикул

Название

Примечание

Количество

|$0

705-52-30240

PUMP ASS'Y

SN: 10094-UP

1шт.

|$1

0

PUMP ASS'Y

SN: 10001-10093

1шт.

|$2

705-14-32540

PUMP ASS'Y (SAR 40)

SN: 10094-UP

1шт.

|$3

0

PUMP ASS'Y (SAR 40)

SN: 10001-10093

1шт.

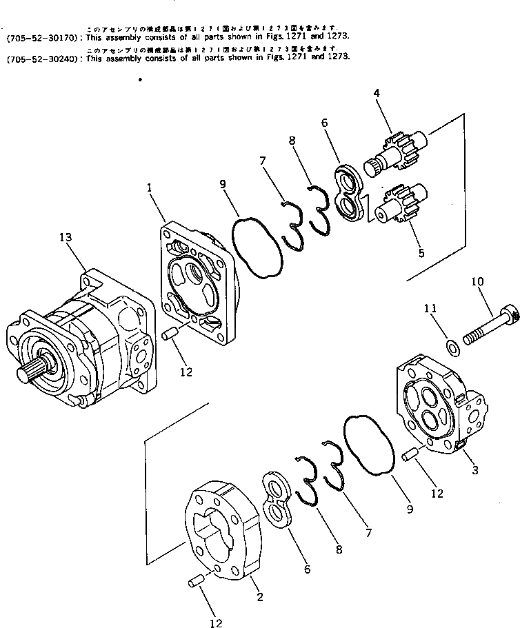
1

0

BRACKET

SN: 10001-UP

1шт.

2

0

CASE,GEAR

SN: 10001-UP

1шт.

3

0

COVER

SN: 10001-UP

1шт.

4

0

GEAR,DRIVE

SN: 10001-UP

1шт.

5

0

GEAR,DRIVEN

SN: 10001-UP

1шт.

6

0

PLATE,SIDE

SN: 10001-UP

2шт.

7

0

SEAL

SN: 10094-UP

2шт.

7

0

SEAL

SN: 10001-10093

2шт.

8

0

RING,BACK-UP

SN: 10094-UP

2шт.

8

0

RING,BACK-UP

SN: 10001-10093

2шт.

9

0

O-RING

SN: 10094-UP

2шт.

9

0

O-RING

SN: 10001-10093

2шт.

10

0

BOLT

SN: 10001-UP

4шт.

11

0

WASHER

SN: 10094-UP

4шт.

11

0

WASHER,SPRING

SN: 10001-10093

4шт.

12

0

PIN,DOWEL

SN: 10001-UP

6шт.

13

705-12-36240

PUMP ASS'Y (SAR 63)

SN: 10094-UP

1шт.

13

0

PUMP ASS'Y (SAR63)

SN: 10001-10093

1шт.

Выбрано товаров: 22