Запчасти Komatsu D475A-1 МАРКИРОВКА (КРОМЕ ЯПОН.) (АНГЛ.) МАРКИРОВКА¤ ИНСТРУМЕНТ И РЕМКОМПЛЕКТЫ

Схема запчастей Komatsu D475A-1 - МАРКИРОВКА (КРОМЕ ЯПОН.) (АНГЛ.) МАРКИРОВКА¤ ИНСТРУМЕНТ И РЕМКОМПЛЕКТЫ
FIT
1:1
100%

Артикул

Название

Примечание

Количество

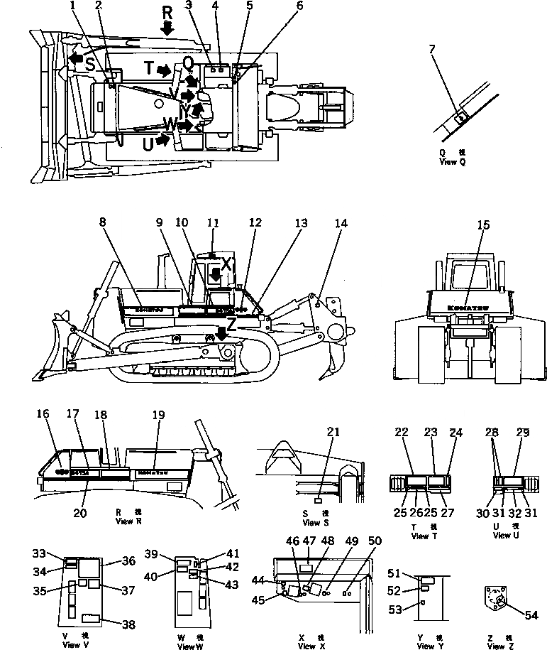
1

09650-30101

PLATE, INSTRUCTION,RADIATOR WATER LEVEL

SN: 10001-UP

1шт.

2

09668-03000

PLATE, SAFETY,RADIATOR CAP

SN: 10001-UP

1шт.

3

09653-03000

PLATE, SAFETY,HYDRAULIC OIL TANK

SN: 10001-UP

1шт.

4

09655-30120

PLATE, INSTRUCTION,OIL FILTER

SN: 10001-UP

1шт.

5

09652-30100

PLATE, CAUTION,FUEL TANK

SN: 10001-UP

1шт.

6

09656-30080

PLATE, INSTRUCTION,FUEL TANK STRAINER

SN: 10001-UP

1шт.

7

198-98-31380

PLATE

SN: 10001-UP

1шт.

8

198-98-31360

STRIPE,L.H.

SN: 10001-UP

1шт.

9

198-98-31260

STRIPE,L.H.

SN: 10001-UP

1шт.

10

198-98-31240

STRIPE,L.H.

SN: 10001-UP

1шт.

11

09620-30200

PLATE, NAME,ROPS (EXCEPT USA, CANADA)

SN: 10001-UP

1шт.

11

09620-30201

PLATE, NAME,ROPS (FOR USA, CANADA)

SN: 10001-UP

1шт.

11

04418-13060

SCREW

SN: 10001-UP

4шт.

12

205-00-71240

PLATE, MARK,FUEL TANK, SIDE FACE

SN: 10001-UP

1шт.

13

198-98-31220

STRIPE

SN: 10001-UP

1шт.

14

09601-00835

PLATE, NAME,RIPPER (LIMITED SUPPLY)

SN: 10001-UP

1шт.

14

04418-13060

SCREW

SN: 10001-UP

4шт.

15

195-98-21340

PLATE, NAME,FUEL TANK, REAR FACE

SN: 10001-UP

1шт.

16

205-00-71240

PLATE, MARK,FUEL TANK, SIDE FACE

SN: 10001-UP

1шт.

17

198-98-31230

STRIPE,R.H.

SN: 10001-UP

1шт.

18

198-98-31250

STRIPE,R.H.

SN: 10001-UP

1шт.

19

198-98-31370

STRIPE,R.H.

SN: 10001-UP

1шт.

20

198-98-31210

STRIPE

SN: 10001-UP

1шт.

21

09601-00835

PLATE, NAME,BLADE (LIMITED SUPPLY)

SN: 10001-UP

1шт.

21

04418-13060

SCREW

SN: 10001-UP

4шт.

22

198-98-31280

STRIPE,R.H.

SN: 10001-UP

1шт.

23

198-98-31310

STRIPE,R.H.

SN: 10001-UP

1шт.

24

198-98-31290

STRIPE

SN: 10001-UP

1шт.

25

198-98-31340

STRIPE

SN: 10001-UP

2шт.

26

198-98-31320

STRIPE

SN: 10001-UP

1шт.

27

198-98-31350

STRIPE

SN: 10001-UP

1шт.

28

198-98-31290

STRIPE

SN: 10001-UP

2шт.

29

198-98-31270

STRIPE,L.H.

SN: 10001-UP

1шт.

30

198-98-31330

STRIPE,L.H.

SN: 10001-UP

1шт.

31

198-98-31340

STRIPE

SN: 10001-UP

2шт.

32

198-98-31320

STRIPE

SN: 10001-UP

1шт.

33

09666-03000

PLATE, SAFETY,FIRE PREVENTION

SN: 10001-UP

1шт.

34

09649-03001

PLATE, INSTRUCTION,ENGINE STOP

SN: 10001-UP

1шт.

35

09173-03000

PLATE, SAFETY,CHECK

SN: 10001-UP

1шт.

36

198-98-31171

PLATE,LUBRICATION

SN: 10100-UP

1шт.

36

198-98-31170

PLATE,LUBRICATION

SN: 10001-10099

1шт.

36

198-98-31460

PLATE,LUBRICATION (FOR K-RING)

SN: 10001-UP

1шт.

37

195-98-12940

PLATE, CAUTION,SEAT BELT

SN: 10001-UP

1шт.

38

09602-01643

PLATE, NAME,MACHINE (LIMITED SUPPLY)

SN: 10001-UP

1шт.

38

01220-60408

SCREW

SN: 10001-UP

4шт.

39

175-900-2350

PLATE, CAUTION,TRAVELLING ON SLOPE

SN: 10001-UP

1шт.

40

09654-03000

PLATE, SAFETY

SN: 10001-UP

1шт.

41

09685-00002

PLATE, OPERATING,LOCK LEVER

SN: 10001-UP

1шт.

42

09667-03000

PLATE, SAFETY,ENGINE SIDE COVER

SN: 10001-UP

1шт.

43

09651-03000

PLATE, SAFETY,BEFORE OPERATING

SN: 10001-UP

1шт.

44

195-98-21210

PLATE, OPERATING,LOCK LEVER, BLADE

SN: 10001-UP

1шт.

45

195-98-21140

PLATE, OPERATING,BLADE CONTROL LEVER

SN: 10001-UP

1шт.

46

195-98-21190

PLATE, OPERATING,HORN SWITCH

SN: 10001-UP

1шт.

47

198-98-31410

PLATE, MARK,SYMBOL

SN: 10001-UP

1шт.

48

195-98-21150

PLATE, OPERATING,RIPPER

SN: 10001-UP

1шт.

49

195-98-21210

PLATE, OPERATING,LOCK LEVER, RIPPER

SN: 10001-UP

1шт.

50

195-98-21180

PLATE, OPERATING,PIN PULLER

SN: 10001-UP

1шт.

51

6128-81-4991

PLATE, OPERATING,A.P.S. OPERATING

SN: 10001-UP

1шт.

52

6128-82-4990

PLATE, CAUTION,A.P.S.

SN: 10001-UP

1шт.

53

09685-00001

PLATE, OPERATING,LOCK LEVER

SN: 10001-UP

1шт.

54

195-98-21380

PLATE, CAUTION,TRACK ADJUSTING

SN: 10001-UP

2шт.

54

01220-60408

SCREW

SN: 10001-UP

6шт.

Выбрано товаров: 0