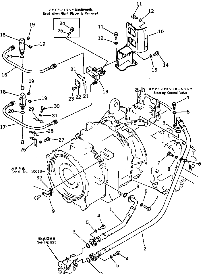
Запчасти Komatsu D475A-1 ГИДРОТРАНСФОРМАТОР И ЛИНИИ МАСЛООХЛАДИТЕЛЯ ГИДРОТРАНСФОРМАТОР И ТРАНСМИССИЯ

Схема запчастей Komatsu D475A-1 - ГИДРОТРАНСФОРМАТОР И ЛИНИИ МАСЛООХЛАДИТЕЛЯ ГИДРОТРАНСФОРМАТОР И ТРАНСМИССИЯ
FIT
1:1
100%

Артикул

Название

Примечание

Количество

1

198-49-31161

HOSE

SN: 10001-UP

1шт.

2

198-49-31170

HOSE

SN: 10001-UP

1шт.

3

07000-03048

O-RING

SN: 10001-UP

4шт.

4

01010-51240

BOLT

SN: 10001-UP

8шт.

5

01643-31232

WASHER

SN: 10001-UP

8шт.

6

19M-60-12720

CLIP

SN: 10001-UP

1шт.

7

01010-51225

BOLT

SN: 10001-UP

1шт.

8

01643-31232

WASHER

SN: 10001-UP

1шт.

9

195-49-37150

BRACKET

SN: 10001-UP

1шт.

10

198-61-32620

BRACKET

SN: 10001-UP

1шт.

11

01010-51230

BOLT

SN: 10001-UP

7шт.

12

175-54-34170

WASHER

SN: 10001-UP

7шт.

13

198-79-22110

BLOCK

SN: 10001-UP

1шт.

14

01010-51025

BOLT

SN: 10001-UP

3шт.

15

01643-31032

WASHER

SN: 10001-UP

3шт.

16

07103-50312

HOSE

SN: 10001-UP

1шт.

17

07102-20313

HOSE

SN: 10001-UP

1шт.

18

195-49-31380

ELBOW

SN: 10001-UP

2шт.

19

07043-70108

PLUG

SN: 10001-UP

4шт.

20

07002-02034

O-RING

SN: 10001-UP

2шт.

21

07000-11009

O-RING

SN: 10001-UP

4шт.

22

195-79-12410

PLATE

SN: 10001-UP

1шт.

23

01252-40516

BOLT

SN: 10001-UP

4шт.

24

07221-20315

NUT,SLEEVE

SN: 10001-UP

2шт.

25

07222-00312

PLUG

SN: 10001-UP

2шт.

26

198-61-32750

BRACKET

SN: 10001-UP

1шт.

27

01010-51665

BOLT

SN: 10001-UP

1шт.

28

195-79-12240

CLIP

SN: 10001-UP

1шт.

29

195-79-12220

CLIP

SN: 10001-UP

1шт.

30

01010-51245

BOLT

SN: 10001-UP

1шт.

31

01643-31232

WASHER

SN: 10001-UP

1шт.

32

01643-31645

WASHER

SN: 10018-UP

1шт.

Выбрано товаров: 32