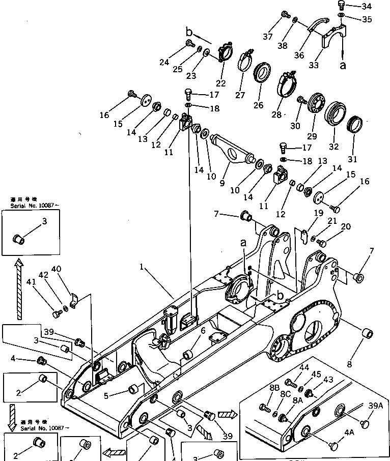
Запчасти Komatsu D475A-1 ОСНОВН. РАМА СИСТЕМАУПРАВЛЕНИЯ ПОВОРОТОМ И КОНЕЧНАЯ ПЕРЕДАЧА

Схема запчастей Komatsu D475A-1 - ОСНОВН. РАМА СИСТЕМАУПРАВЛЕНИЯ ПОВОРОТОМ И КОНЕЧНАЯ ПЕРЕДАЧА
FIT
1:1
100%

Артикул

Название

Примечание

Количество

|$0

198-21-00042

MAIN FRAME ASS'Y

SN: 10087-UP

1шт.

|$1

0

MAIN FRAME ASS'Y

SN: 10033-10086

1шт.

|$2

0

MAIN FRAME ASS'Y

SN: 10001-10032

1шт.

1

0

FRAME,MAIN

SN: 10001-UP

1шт.

2

198-54-41182

BUSHING

SN: 10087-UP

2шт.

2

198-54-41181

BUSHING

SN: 10001-10086

2шт.

3

198-54-41192

BUSHING

SN: 10087-UP

2шт.

3

198-54-41191

BUSHING

SN: 10001-10086

2шт.

4

0

CAP

SN: 10002-10032

2шт.

|$$10

(198-21-31310,198-21-31320)

-1шт.

|$$11

(01011-51620,01643-31645)

-1шт.

4A

198-21-31310

COVER

SN: 10033-UP

2шт.

4A

198-21-31310

COVER

SN: 10001-10001

2шт.

5

198-50-32450

BUSHING

SN: 10001-UP

1шт.

6

198-50-32730

BUSHING

SN: 10001-UP

1шт.

7

198-21-32281

BUSHING

SN: 10003-UP

8шт.

7

198-21-32320

BUSHING

SN: 10001-10002

8шт.

8

198-21-31190

BUSHING

SN: 10001-UP

4шт.

8A

198-21-31320

COVER

SN: 10033-UP

2шт.

8A

198-21-31320

COVER

SN: 10001-10001

2шт.

8B

01010-51680

BOLT

SN: 10033-UP

2шт.

8B

01010-51680

BOLT

SN: 10001-10001

2шт.

8C

01643-31645

WASHER

SN: 10033-UP

2шт.

8C

01643-31645

WASHER

SN: 10001-10001

2шт.

9

198-21-32110

BRACKET

SN: 10001-UP

1шт.

10

198-01-31150

SPACER

SN: 10001-UP

2шт.

11

198-01-31191

CAP

SN: 10001-UP

2шт.

12

198-01-31230

SPACER

SN: 10001-UP

2шт.

13

198-01-31220

CUSHION

SN: 10001-UP

2шт.

14

198-01-31121

CUSHION

SN: 10001-UP

4шт.

15

198-01-31130

PLATE

SN: 10001-UP

2шт.

16

01010-52040

BOLT

SN: 10001-UP

4шт.

17

198-09-31750

BOLT

SN: 10001-UP

4шт.

18

01643-33080

WASHER

SN: 10001-UP

4шт.

19

198-21-32270

GUIDE

SN: 10001-UP

2шт.

20

01010-51225

BOLT

SN: 10001-UP

4шт.

21

01643-31232

WASHER

SN: 10001-UP

4шт.

22

198-21-32210

CAGE

SN: 10001-UP

2шт.

23

567-54-11630

WASHER

SN: 10001-UP

8шт.

24

01010-51225

BOLT

SN: 10001-UP

8шт.

25

01643-31232

WASHER

SN: 10001-UP

8шт.

26

198-21-32231

SEAL

SN: 10001-UP

2шт.

27

198-21-32220

CLAMP

SN: 10001-UP

2шт.

28

198-21-32240

COUPLING

SN: 10001-UP

2шт.

29

198-21-32140

FLANGE

SN: 10001-UP

2шт.

30

01010-51235

BOLT

SN: 10001-UP

20шт.

31

198-21-32131

BUSHING

SN: 10003-UP

2шт.

31

198-21-32130

BUSHING

SN: 10001-10002

2шт.

32

198-21-32151

CUSHION

SN: 10003-UP

2шт.

32

198-21-32150

CUSHION

SN: 10001-10002

2шт.

33

198-21-32250

CAP

SN: 10001-UP

2шт.

34

144-851-2570

BOLT

SN: 10001-UP

8шт.

35

01643-32460

WASHER

SN: 10001-UP

8шт.

36

198-21-32260

COVER

SN: 10001-UP

2шт.

37

01010-51225

BOLT

SN: 10001-UP

4шт.

38

01643-31232

WASHER

SN: 10001-UP

4шт.

39

0

CAP

SN: 10002-10032

2шт.

|$$58

(198-21-31310,198-21-31320)

-1шт.

|$$59

(01011-51620,01643-31645)

-1шт.

39A

198-21-31310

COVER

SN: 10033-UP

2шт.

39A

198-21-31310

COVER

SN: 10001-10001

2шт.

40

198-21-32290

GUIDE

SN: 10001-UP

2шт.

41

01010-51225

BOLT

SN: 10001-UP

4шт.

42

01643-31232

WASHER

SN: 10001-UP

4шт.

43

198-21-31320

COVER

SN: 10033-UP

2шт.

43

198-21-31320

COVER

SN: 10001-10001

2шт.

44

01011-51620

BOLT

SN: 10033-UP

2шт.

44

01011-51620

BOLT

SN: 10001-10001

2шт.

45

01643-31645

WASHER

SN: 10033-UP

2шт.

45

01643-31645

WASHER

SN: 10001-10001

2шт.

Выбрано товаров: 70