Запчасти Komatsu D475A-2 КЛАПАН ТРАНСМИССИИ (/) ГТР CONVERTOR¤ ТРАНСМИССИЯ¤ РУЛЕВ. УПРАВЛЕНИЕ И КОНЕЧНАЯ ПЕРЕДАЧА

Схема запчастей Komatsu D475A-2 - КЛАПАН ТРАНСМИССИИ (/) ГТР CONVERTOR¤ ТРАНСМИССИЯ¤ РУЛЕВ. УПРАВЛЕНИЕ И КОНЕЧНАЯ ПЕРЕДАЧА
FIT
1:1
100%

Артикул

Название

Примечание

Количество

|$0

198-00-00030

POWER LINE ASS'Y,(WITHOUT SHOE SLIP CONTROL)

SN: 10201-UP

1шт.

|$1

198-00-00040

POWER LINE ASS'Y,(WITH SHOE SLIP CONTROL)

SN: 10201-UP

1шт.

|$$3

THESE ASSEMBLIES CONSIST OF ALL PARTS SHOWN IN FIGS.2301 TO 2515,2603 TO 2622, AND 4501 T0 4622.

-1шт.

|$3

198-15-01011

TRANSMISSION ASS'Y

SN: 10201-UP

1шт.

|$$5

THIS ASSEMBLY CONSISTS OF ALL PARTS SHOWN IN FIGS.2501 TO 2515.

-1шт.

|$5

198-15-01501

VALVE ASS'Y

SN: 10201-UP

1шт.

|$$7

THIS ASSEMBLY CONSISTS OF ALL PARTS SHOWN IN FIGS.2511 TO 2515.

-1шт.

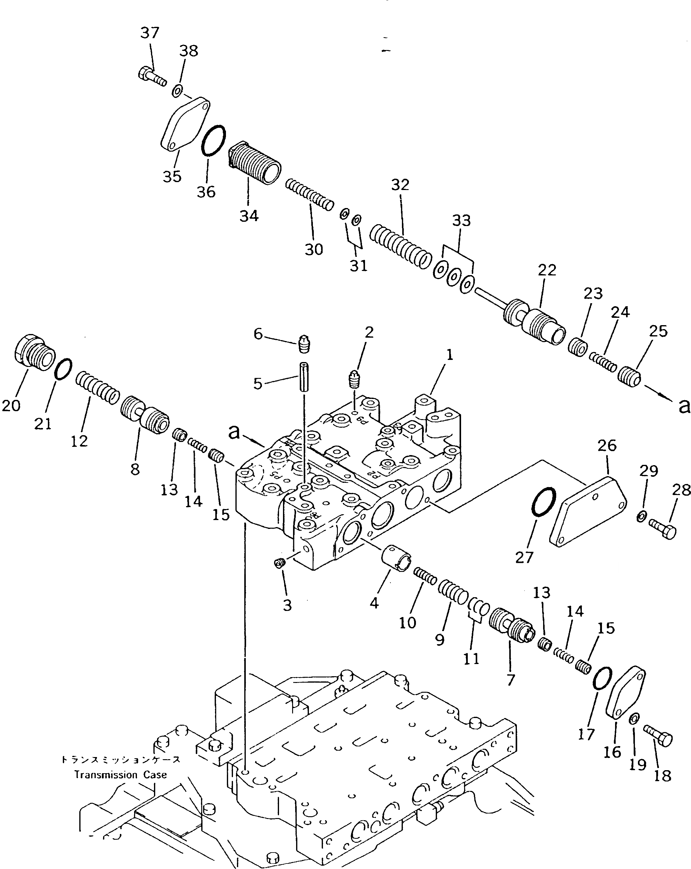
1

0

BODY

SN: 10201-UP

1шт.

2

07042-20108

PLUG

SN: 10201-UP

9шт.

3

07043-00211

PLUG

SN: 10201-UP

1шт.

4

195-15-35280

STOPPER

SN: 10201-UP

1шт.

5

04025-00850

PIN,SPRING

SN: 10201-UP

1шт.

6

07042-20108

PLUG

SN: 10201-UP

1шт.

7

195-15-35230

VALVE

SN: 10201-UP

1шт.

8

195-15-35240

VALVE

SN: 10201-UP

1шт.

9

124-15-42910

SPRING

SN: 10201-UP

1шт.

10

237-14-12940

SPRING

SN: 10201-UP

1шт.

11

198-15-15570

SHIM, 0.50MM

SN: 10201-UP

12шт.

12

566-15-45580

SPRING

SN: 10201-UP

1шт.

13

104-15-25490

VALVE

SN: 10201-UP

2шт.

14

125-15-15290

SPRING

SN: 10201-UP

2шт.

15

104-15-25480

VALVE

SN: 10201-UP

2шт.

16

195-15-35810

PLATE

SN: 10201-UP

1шт.

17

07000-73032

O-RING (KIT)

SN: 10201-UP

1шт.

18

01010-51030

BOLT

SN: 10201-UP

2шт.

19

01643-51032

WASHER

SN: 10201-UP

2шт.

20

195-15-36460

PLUG

SN: 10201-UP

1шт.

21

07002-03334

O-RING (KIT)

SN: 10201-UP

1шт.

22

195-15-35521

VALVE

SN: 10201-UP

1шт.

23

287-15-15380

VALVE

SN: 10201-UP

1шт.

24

180-14-25560

SPRING

SN: 10201-UP

1шт.

25

195-15-35530

VALVE

SN: 10201-UP

1шт.

26

195-15-35830

PLATE

SN: 10201-UP

1шт.

27

07000-73040

O-RING

SN: 10201-UP

1шт.

28

01010-51030

BOLT

SN: 10201-UP

3шт.

29

01643-51032

WASHER

SN: 10201-UP

3шт.

30

195-15-36170

SPRING

SN: 10201-UP

1шт.

31

560-43-14330

SHIM, 0.5MM

SN: 10201-UP

10шт.

32

195-15-36160

SPRING

SN: 10201-UP

1шт.

33

203-57-21320

SHIM, 0.5MM

SN: 10201-UP

10шт.

34

195-15-35560

PISTON

SN: 10201-UP

1шт.

35

195-15-35851

COVER

SN: 10201-UP

1шт.

36

07000-73045

O-RING (KIT)

SN: 10201-UP

1шт.

37

01010-51030

BOLT

SN: 10201-UP

2шт.

38

01643-51032

WASHER

SN: 10201-UP

2шт.

Выбрано товаров: 45