Запчасти Komatsu D475A-2 КОНДИЦ. ВОЗДУХА (/) ЧАСТИ КОРПУСА

Схема запчастей Komatsu D475A-2 - КОНДИЦ. ВОЗДУХА (/) ЧАСТИ КОРПУСА
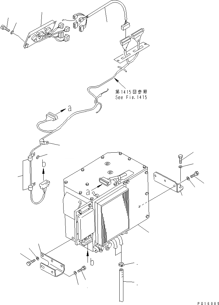
1
2
3
4
4
5
5
6
6
7
7
8
9
10
11
12
13
14
14
15
FIT
1:1
100%

Артикул

Название

Примечание

Количество

G-1

0

UNIT GROUP,AIR CONDITIONER

SN: 10201-UP

1шт.

|$$2

====================

-1шт.

1

195-911-7201

AIR CONDITIONER UNIT

SN: 10446-UP

1шт.

|1

0

AIR CONDITIONER UNIT

SN: 10355-10445

1шт.

|1

195-Z11-5104

AIR CONDITIONER UNIT

SN: 10236-10354

1шт.

|1

0

AIR CONDITIONER UNIT

SN: 10217-10235

1шт.

|1

195-Z11-5102

AIR CONDITIONER UNIT

SN: 10201-10216

1шт.

2

195-Z11-5160

BRACKET

SN: 10201-UP

1шт.

3

195-Z11-5170

BRACKET

SN: 10201-UP

1шт.

4

01010-51230

BOLT

SN: 10201-UP

4шт.

5

01643-31232

WASHER

SN: 10201-UP

4шт.

6

01010-51225

BOLT

SN: 10201-UP

6шт.

7

01643-31232

WASHER

SN: 10201-UP

6шт.

8

425-963-1190

HOSE

SN: 10280-UP

2шт.

|8

195-Z11-7260

HOSE

SN: 10201-10279

2шт.

9

195-Z11-7270

CLAMP

SN: 10201-UP

2шт.

|$$17

====================

-1шт.

G-2

0

DUCT GROUP

SN: 10201-UP

1шт.

|$$19

====================

-1шт.

10

195-Z11-5600

PANEL ASS'Y

SN: 10201-UP

1шт.

11

01370-00616

SCREW

SN: 10280-UP

4шт.

|11

01252-40616

BOLT

SN: 10201-10279

4шт.

12

01642-20608

WASHER,SPRING

SN: 10280-UP

4шт.

|12

01602-20619

WASHER

SN: 10201-10279

4шт.

13

198-911-8160

WIRING HARNESS

SN: 10201-UP

1шт.

14

08036-01814

CLIP

SN: 10201-UP

3шт.

15

01640-20816

WASHER

SN: 10201-UP

4шт.

|$$28

====================

-1шт.

Выбрано товаров: 28