Запчасти Komatsu SA12V140-1E-A ВОЗДУХООЧИСТИТЕЛЬ КРЕПЛЕНИЕ(№9-) ДВИГАТЕЛЬ

Схема запчастей Komatsu SA12V140-1E-A - ВОЗДУХООЧИСТИТЕЛЬ КРЕПЛЕНИЕ(№9-) ДВИГАТЕЛЬ
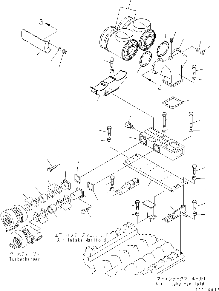
1
2
3
4
5
6
7
8
8
9
9
10
10
11
12
13
14
15
16
16
17
17
18
18
19
19
19
19
20
21
22
23
24
25
26
26
27
27
27
27
28
28
29
29
30
31
32
33
1
2
3
4
5
6
7
8
8
9
9
10
10
11
12
13
14
15
16
16
17
17
18
18
19
19
19
19
20
21
22
23
24
25
26
26
27
27
27
27
28
28
29
29
30
31
32
33
FIT
1:1
100%

Артикул

Название

Примечание

Количество

1

6215-11-4520

CONNECTOR,AIR

SN: 11926-UP

1шт.

2

6215-11-4550

BRACKET

SN: 11926-UP

1шт.

3

6631-11-5630

SPACER

SN: 11926-UP

8шт.

4

01010-81040

BOLT

SN: 11926-UP

8шт.

5

6215-11-4510

CONNECTOR,AIR

SN: 11926-UP

1шт.

6

07042-00108

PLUG

SN: 11926-UP

1шт.

7

6215-11-9120

COVER

SN: 11926-UP

1шт.

8

6127-81-4823

GASKET (K1)

SN: 11926-UP

2шт.

9

01580-01008

NUT

SN: 11926-UP

16шт.

10

01640-21016

WASHER

SN: 11926-UP

16шт.

11

6215-11-4730

GASKET (K1)

SN: 11926-UP

1шт.

12

01010-81035

BOLT

SN: 11926-UP

12шт.

13

01640-21016

WASHER

SN: 11926-UP

12шт.

14

6215-11-4541

CONNECTOR,AIR¤ L.H.

SN: 11926-UP

1шт.

15

6215-11-4531

CONNECTOR,AIR¤ R.H.

SN: 11926-UP

1шт.

16

6215-61-7340

GASKET (K1)

SN: 11926-UP

2шт.

17

01010-81025

BOLT

SN: 11926-UP

8шт.

18

6215-11-4622

HOSE

SN: 11926-UP

2шт.

19

6215-11-4680

CLAMP

SN: 11926-UP

4шт.

20

6215-11-4581

BRACKET

SN: 11926-UP

1шт.

21

6215-11-4560

BRACKET

SN: 11926-UP

1шт.

22

6215-11-4570

BRACKET

SN: 11926-UP

1шт.

23

6215-11-4591

BRACKET

SN: 11926-UP

1шт.

24

01011-81065

BOLT

SN: 11926-UP

11шт.

25

01011-81080

BOLT

SN: 11926-UP

4шт.

26

01640-21016

WASHER

SN: 11926-UP

11шт.

27

6631-11-5630

SPACER

SN: 11926-UP

21шт.

28

01010-81050

BOLT

SN: 11926-UP

9шт.

29

01010-81045

BOLT

SN: 11926-UP

12шт.

|29

01010-81045

BOLT,(WITH WATER SEPARATOR TYPE)

SN: 11926-UP

10шт.

30

6131-22-3750

BOSS

SN: 11926-UP

3шт.

31

01010-81255

BOLT

SN: 11926-UP

3шт.

32

08670-02001

INDICATOR,DUST

SN: 11926-UP

1шт.

33

6128-81-7106

AIR CLEANER ASS'Y,(SEE FIG.A1410-B7C1)

SN: 11926-UP

2шт.

1

6215-11-4520

CONNECTOR,AIR

SN: 11926-UP

1шт.

2

6215-11-4550

BRACKET

SN: 11926-UP

1шт.

3

6631-11-5630

SPACER

SN: 11926-UP

8шт.

4

01010-81040

BOLT

SN: 11926-UP

8шт.

5

6215-11-4510

CONNECTOR,AIR

SN: 11926-UP

1шт.

6

07042-00108

PLUG

SN: 11926-UP

1шт.

7

6215-11-9120

COVER

SN: 11926-UP

1шт.

8

6127-81-4823

GASKET (K1)

SN: 11926-UP

2шт.

9

01580-01008

NUT

SN: 11926-UP

16шт.

10

01640-21016

WASHER

SN: 11926-UP

16шт.

11

6215-11-4730

GASKET (K1)

SN: 11926-UP

1шт.

12

01010-81035

BOLT

SN: 11926-UP

12шт.

13

01640-21016

WASHER

SN: 11926-UP

12шт.

14

6215-11-4541

CONNECTOR,AIR¤ L.H.

SN: 11926-UP

1шт.

15

6215-11-4531

CONNECTOR,AIR¤ R.H.

SN: 11926-UP

1шт.

16

6215-61-7340

GASKET (K1)

SN: 11926-UP

2шт.

17

01010-81025

BOLT

SN: 11926-UP

8шт.

18

6215-11-4622

HOSE

SN: 11926-UP

2шт.

19

6215-11-4680

CLAMP

SN: 11926-UP

4шт.

20

6215-11-4581

BRACKET

SN: 11926-UP

1шт.

21

6215-11-4560

BRACKET

SN: 11926-UP

1шт.

22

6215-11-4570

BRACKET

SN: 11926-UP

1шт.

23

6215-11-4591

BRACKET

SN: 11926-UP

1шт.

24

01011-81065

BOLT

SN: 11926-UP

11шт.

25

01011-81080

BOLT

SN: 11926-UP

4шт.

26

01640-21016

WASHER

SN: 11926-UP

11шт.

27

6631-11-5630

SPACER

SN: 11926-UP

21шт.

28

01010-81050

BOLT

SN: 11926-UP

9шт.

29

01010-81045

BOLT

SN: 11926-UP

12шт.

|29

01010-81045

BOLT,(WITH WATER SEPARATOR TYPE)

SN: 11926-UP

10шт.

30

6131-22-3750

BOSS

SN: 11926-UP

3шт.

31

01010-81255

BOLT

SN: 11926-UP

3шт.

32

08670-02001

INDICATOR,DUST

SN: 11926-UP

1шт.

33

6128-81-7106

AIR CLEANER ASS'Y,(SEE FIG.A1410-B7C1)

SN: 11926-UP

2шт.

Выбрано товаров: 68