Запчасти Komatsu SA12V140-1E-A ГЛУШИТЕЛЬ (ДЛЯ REGULATION OF EC)(№-) ДВИГАТЕЛЬ

Схема запчастей Komatsu SA12V140-1E-A - ГЛУШИТЕЛЬ (ДЛЯ REGULATION OF EC)(№-) ДВИГАТЕЛЬ
1
1
2
3
4
5
6
6
7
8
8
9
9
10
11
12
13
13
13
14
14
15
16
16
16
17
18
19
19
20
20
21
22
23
24
25
26
27
28
29
30
31
32
33
34
35
36
37
38
1
1
2
3
4
5
6
6
7
8
8
9
9
10
11
12
13
13
13
14
14
15
16
16
16
17
18
19
19
20
20
21
22
23
24
25
26
27
28
29
30
31
32
33
34
35
36
37
38
FIT
1:1
100%

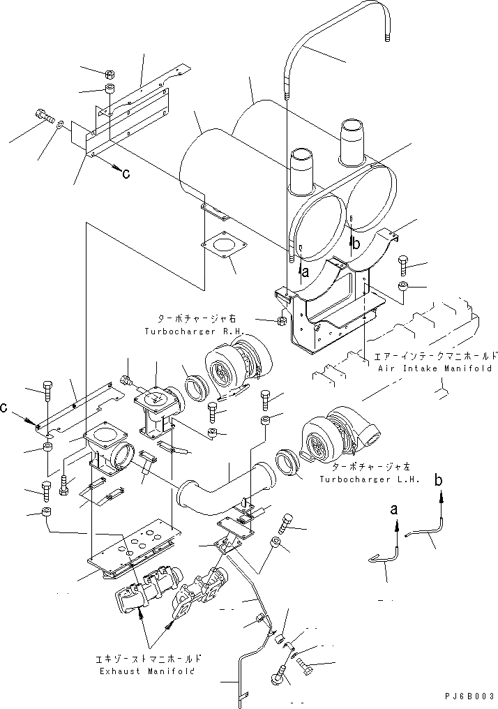
Артикул

Название

Примечание

Количество

1

6215-11-5511

MUFFLER

SN: 12125-UP

2шт.

2

6211-11-5890

GASKET (K1)

SN: 12125-UP

2шт.

3

01010-E1060

BOLT

SN: 12125-UP

8шт.

4

6631-11-5630

SPACER

SN: 12125-UP

8шт.

5

01594-01008

NUT

SN: 12125-UP

8шт.

6

6215-11-5220

BAND

SN: 12125-UP

2шт.

7

6215-11-5740

NUT

SN: 12125-UP

4шт.

8

6215-11-5871

ELBOW,EXHAUST

SN: 12125-UP

2шт.

9

6215-11-5280

CONNECTOR

SN: 12125-UP

2шт.

10

6215-11-5291

CONNECTOR

SN: 12125-UP

1шт.

11

6215-11-5881

BRACKET

SN: 12125-UP

1шт.

12

6215-11-5980

SHIM¤ 0.5MM (K1)

SN: 12125-UP

-2шт.

|12

6215-11-5990

SHIM¤ 1.0MM (K1)

SN: 12125-UP

-2шт.

13

6215-11-5760

SHIM¤ 0.5MM (K1)

SN: 12125-UP

-2шт.

|13

6215-11-5770

SHIM¤ 1.0MM (K1)

SN: 12125-UP

-2шт.

14

01010-61045

BOLT

SN: 12125-UP

6шт.

15

01010-E1060

BOLT

SN: 12125-UP

8шт.

16

6631-11-5630

SPACER

SN: 12125-UP

14шт.

17

6215-11-5920

PLUG

SN: 12125-UP

4шт.

18

6215-11-5652

BRACKET

SN: 12125-UP

1шт.

19

01010-E1045

BOLT

SN: 12125-UP

8шт.

20

6631-11-5630

SPACER

SN: 12125-UP

8шт.

21

6215-11-5890

BRACKET

SN: 12125-UP

1шт.

22

01010-81045

BOLT

SN: 12125-UP

6шт.

23

6631-11-5630

SPACER

SN: 12125-UP

6шт.

24

6215-11-5230

TUBE

SN: 12125-UP

1шт.

25

6215-11-5240

TUBE

SN: 12125-UP

1шт.

26

6215-11-5682

TUBE

SN: 12125-UP

1шт.

27

6215-11-5690

TUBE

SN: 12125-UP

1шт.

28

175-79-83760

SPACER

SN: 12125-UP

1шт.

29

01010-81045

BOLT

SN: 12125-UP

1шт.

30

01580-01008

NUT

SN: 12125-UP

1шт.

31

01642-01016

WASHER

SN: 12125-UP

1шт.

32

6150-65-7440

STAY

SN: 12125-UP

1шт.

33

01435-00820

BOLT

SN: 12125-UP

1шт.

34

6215-11-5311

BRACKET

SN: 12125-UP

1шт.

35

6215-11-5321

BRACKET

SN: 12125-UP

1шт.

36

6211-11-9590

WASHER

SN: 12125-UP

6шт.

37

01010-81025

BOLT

SN: 12125-UP

6шт.

38

6215-11-5190

COVER

SN: 12125-UP

1шт.

1

6215-11-5511

MUFFLER

SN: 12125-UP

2шт.

2

6211-11-5890

GASKET (K1)

SN: 12125-UP

2шт.

3

01010-E1060

BOLT

SN: 12125-UP

8шт.

4

6631-11-5630

SPACER

SN: 12125-UP

8шт.

5

01594-01008

NUT

SN: 12125-UP

8шт.

6

6215-11-5220

BAND

SN: 12125-UP

2шт.

7

6215-11-5740

NUT

SN: 12125-UP

4шт.

8

6215-11-5871

ELBOW,EXHAUST

SN: 12125-UP

2шт.

9

6215-11-5280

CONNECTOR

SN: 12125-UP

2шт.

10

6215-11-5291

CONNECTOR

SN: 12125-UP

1шт.

11

6215-11-5881

BRACKET

SN: 12125-UP

1шт.

12

6215-11-5980

SHIM¤ 0.5MM (K1)

SN: 12125-UP

-2шт.

|12

6215-11-5990

SHIM¤ 1.0MM (K1)

SN: 12125-UP

-2шт.

13

6215-11-5760

SHIM¤ 0.5MM (K1)

SN: 12125-UP

-2шт.

|13

6215-11-5770

SHIM¤ 1.0MM (K1)

SN: 12125-UP

-2шт.

14

01010-61045

BOLT

SN: 12125-UP

6шт.

15

01010-E1060

BOLT

SN: 12125-UP

8шт.

16

6631-11-5630

SPACER

SN: 12125-UP

14шт.

17

6215-11-5920

PLUG

SN: 12125-UP

4шт.

18

6215-11-5652

BRACKET

SN: 12125-UP

1шт.

19

01010-E1045

BOLT

SN: 12125-UP

8шт.

20

6631-11-5630

SPACER

SN: 12125-UP

8шт.

21

6215-11-5890

BRACKET

SN: 12125-UP

1шт.

22

01010-81045

BOLT

SN: 12125-UP

6шт.

23

6631-11-5630

SPACER

SN: 12125-UP

6шт.

24

6215-11-5230

TUBE

SN: 12125-UP

1шт.

25

6215-11-5240

TUBE

SN: 12125-UP

1шт.

26

6215-11-5682

TUBE

SN: 12125-UP

1шт.

27

6215-11-5690

TUBE

SN: 12125-UP

1шт.

28

175-79-83760

SPACER

SN: 12125-UP

1шт.

29

01010-81045

BOLT

SN: 12125-UP

1шт.

30

01580-01008

NUT

SN: 12125-UP

1шт.

31

01642-01016

WASHER

SN: 12125-UP

1шт.

32

6150-65-7440

STAY

SN: 12125-UP

1шт.

33

01435-00820

BOLT

SN: 12125-UP

1шт.

34

6215-11-5311

BRACKET

SN: 12125-UP

1шт.

35

6215-11-5321

BRACKET

SN: 12125-UP

1шт.

36

6211-11-9590

WASHER

SN: 12125-UP

6шт.

37

01010-81025

BOLT

SN: 12125-UP

6шт.

38

6215-11-5190

COVER

SN: 12125-UP

1шт.

Выбрано товаров: 80