Запчасти Komatsu SA12V140-1E-A ПЕРЕДН. COVER(№-) ДВИГАТЕЛЬ

Схема запчастей Komatsu SA12V140-1E-A - ПЕРЕДН. COVER(№-) ДВИГАТЕЛЬ
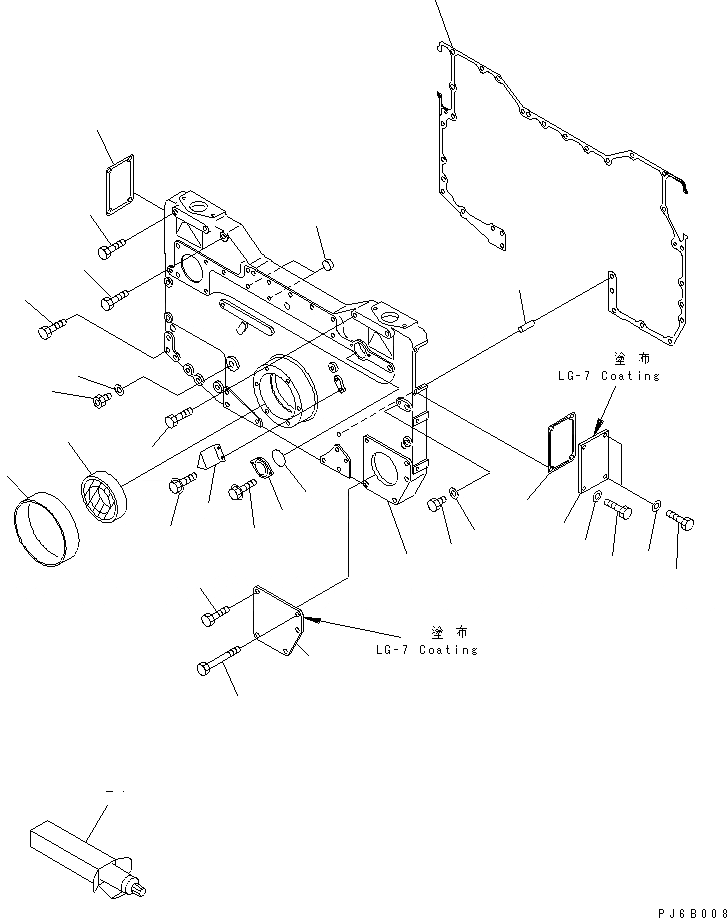
1
2
3
4
5
6
7
8
9
10
11
12
13
14
14
15
15
16
16
17
18
19
20
21
22
23
24
25
26
27
1
2
3
4
5
6
7
8
9
10
11
12
13
14
14
15
15
16
16
17
18
19
20
21
22
23
24
25
26
27
FIT
1:1
100%

Артикул

Название

Примечание

Количество

|1

6215-21-3011

FRONT COVER ASS'Y

SN: 10261-11041

1шт.

|1

0

FRONT COVER ASS'Y

SN: 10100-10260

1шт.

1

0

COVER,FRONT

SN: 10261-11041

1шт.

|1

0

COVER,FRONT

SN: 10100-10260

1шт.

2

07046-11816

PLUG,EXPANSION

SN: 10100-11041

9шт.

3

07040-12414

PLUG

SN: 10100-11041

1шт.

4

07005-02416

GASKET

SN: 10100-11041

1шт.

5

07040-11007

PLUG

SN: 10100-11041

2шт.

6

07005-01012

GASKET

SN: 10100-11041

2шт.

7

04020-01434

PIN,DOWEL

SN: 10100-11041

2шт.

8

6215-21-3811

GASKET (K2)

SN: 10100-11041

1шт.

|8

0

GASKET (K2)

SN: (10100-10260)

1шт.

9

01011-81245

BOLT

SN: 10100-11041

1шт.

10

01011-81230

BOLT

SN: 10100-11041

9шт.

11

01010-81290

BOLT

SN: 10100-11041

3шт.

12

01010-81275

BOLT

SN: 10100-11041

7шт.

13

6215-71-3711

COVER

SN: 10261-11041

1шт.

|13

0

COVER

SN: 10100-10260

1шт.

14

6215-81-6190

GASKET (K2)

SN: 10100-11041

2шт.

15

01010-81025

BOLT

SN: 10100-11041

3шт.

16

01643-31032

WASHER

SN: 10100-11041

3шт.

17

6215-21-3360

POINTER

SN: 10100-11041

1шт.

18

01435-00610

BOLT

SN: 10100-11041

2шт.

19

6215-21-3190

SLEEVE

SN: 10100-11041

1шт.

20

6162-23-3510

SEAL¤ FRONT (K2)

SN: 10100-11041

1шт.

|20

6215-29-4320

FRONT SEAL ASS'Y,(SERVICE PARTS)

SN: 10100-11041

1шт.

|20

0

SEAL¤ FRONT

SN: 10100-11041

1шт.

|20

0

SLEEVE,(NOT SHOWN)

SN: 10100-11041

1шт.

21

6144-81-5151

COVER

SN: 10100-11041

1шт.

22

07000-03050

O-RING (K2)

SN: 10100-11041

1шт.

23

01435-00612

BOLT

SN: 10100-11041

2шт.

24

6215-21-1850

COVER

SN: 10100-11041

1шт.

25

01010-81280

BOLT

SN: 10100-11041

4шт.

26

01010-81220

BOLT

SN: 10100-11041

1шт.

27

09920-00150

LIQUID GASKET,LG-7¤ 150G

SN: 10100-11041

-2шт.

|1

6215-21-3011

FRONT COVER ASS'Y

SN: 10261-11041

1шт.

|1

0

FRONT COVER ASS'Y

SN: 10100-10260

1шт.

1

0

COVER,FRONT

SN: 10261-11041

1шт.

|1

0

COVER,FRONT

SN: 10100-10260

1шт.

2

07046-11816

PLUG,EXPANSION

SN: 10100-11041

9шт.

3

07040-12414

PLUG

SN: 10100-11041

1шт.

4

07005-02416

GASKET

SN: 10100-11041

1шт.

5

07040-11007

PLUG

SN: 10100-11041

2шт.

6

07005-01012

GASKET

SN: 10100-11041

2шт.

7

04020-01434

PIN,DOWEL

SN: 10100-11041

2шт.

8

6215-21-3811

GASKET (K2)

SN: 10100-11041

1шт.

|8

0

GASKET (K2)

SN: (10100-10260)

1шт.

9

01011-81245

BOLT

SN: 10100-11041

1шт.

10

01011-81230

BOLT

SN: 10100-11041

9шт.

11

01010-81290

BOLT

SN: 10100-11041

3шт.

12

01010-81275

BOLT

SN: 10100-11041

7шт.

13

6215-71-3711

COVER

SN: 10261-11041

1шт.

|13

0

COVER

SN: 10100-10260

1шт.

14

6215-81-6190

GASKET (K2)

SN: 10100-11041

2шт.

15

01010-81025

BOLT

SN: 10100-11041

3шт.

16

01643-31032

WASHER

SN: 10100-11041

3шт.

17

6215-21-3360

POINTER

SN: 10100-11041

1шт.

18

01435-00610

BOLT

SN: 10100-11041

2шт.

19

6215-21-3190

SLEEVE

SN: 10100-11041

1шт.

20

6162-23-3510

SEAL¤ FRONT (K2)

SN: 10100-11041

1шт.

|20

6215-29-4320

FRONT SEAL ASS'Y,(SERVICE PARTS)

SN: 10100-11041

1шт.

|20

0

SEAL¤ FRONT

SN: 10100-11041

1шт.

|20

0

SLEEVE,(NOT SHOWN)

SN: 10100-11041

1шт.

21

6144-81-5151

COVER

SN: 10100-11041

1шт.

22

07000-03050

O-RING (K2)

SN: 10100-11041

1шт.

23

01435-00612

BOLT

SN: 10100-11041

2шт.

24

6215-21-1850

COVER

SN: 10100-11041

1шт.

25

01010-81280

BOLT

SN: 10100-11041

4шт.

26

01010-81220

BOLT

SN: 10100-11041

1шт.

27

09920-00150

LIQUID GASKET,LG-7¤ 150G

SN: 10100-11041

-2шт.

Выбрано товаров: 0