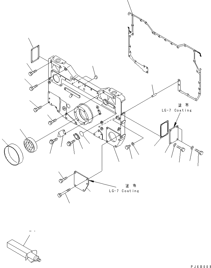
Запчасти Komatsu SA12V140-1E-A ПЕРЕДН. COVER(№-88) ДВИГАТЕЛЬ

Схема запчастей Komatsu SA12V140-1E-A - ПЕРЕДН. COVER(№-88) ДВИГАТЕЛЬ
1
2
3
4
5
6
7
8
9
10
11
12
12
13
13
14
14
15
16
17
18
19
20
21
22
23
24
25
1
2
3
4
5
6
7
8
9
10
11
12
12
13
13
14
14
15
16
17
18
19
20
21
22
23
24
25
FIT
1:1
100%

Артикул

Название

Примечание

Количество

|$1

6215-21-3032

FRONT COVER ASS'Y

SN: 11042-11858

1шт.

1

0

COVER,FRONT

SN: 11042-11858

1шт.

2

07046-11816

PLUG,EXPANSION

SN: 11042-11858

9шт.

3

07040-11007

PLUG

SN: 11042-11858

2шт.

4

07005-01012

SEAL, WASHER

SN: 11042-11858

2шт.

5

04020-01434

PIN,DOWEL

SN: 11042-11858

2шт.

6

6215-21-3811

GASKET (K2)

SN: 11042-11858

1шт.

7

01011-81245

BOLT

SN: 11042-11858

1шт.

8

01011-81230

BOLT

SN: 11042-11858

9шт.

9

01010-81290

BOLT

SN: 11042-11858

3шт.

10

01010-81275

BOLT

SN: 11042-11858

7шт.

11

6215-71-3711

COVER

SN: 11042-11858

1шт.

12

6215-81-6190

GASKET (K2)

SN: 11042-11858

2шт.

13

01010-81025

BOLT

SN: 11042-11858

3шт.

14

01643-31032

WASHER

SN: 11042-11858

3шт.

15

6215-21-3360

POINTER

SN: 11042-11858

1шт.

16

01435-00610

BOLT

SN: 11042-11858

2шт.

17

6215-21-3190

SLEEVE

SN: 11042-11858

1шт.

18

6162-23-3510

SEAL, FRONT (K2)

SN: 11042-11858

1шт.

18

6215-29-4320

FRONT SEAL ASS'Y,(SERVICE PARTS)

SN: 11042-11858

1шт.

18

0

SEAL, FRONT

SN: 11042-11858

1шт.

18

0

SLEEVE,(NOT SHOWN)

SN: 11042-11858

1шт.

19

6144-81-5151

COVER

SN: 11042-11858

1шт.

20

07000-03050

O-RING (K2)

SN: 11042-11858

1шт.

21

01435-00612

BOLT

SN: 11042-11858

2шт.

22

6215-21-1850

COVER

SN: 11042-11858

1шт.

23

01010-81280

BOLT

SN: 11042-11858

4шт.

24

01010-81220

BOLT

SN: 11042-11858

1шт.

25

09920-00150

LIQUID GASKET,LG-7, 150G

SN: 11042-11858

-2шт.

|$1

6215-21-3032

FRONT COVER ASS'Y

SN: 11042-11858

1шт.

1

0

COVER,FRONT

SN: 11042-11858

1шт.

2

07046-11816

PLUG,EXPANSION

SN: 11042-11858

9шт.

3

07040-11007

PLUG

SN: 11042-11858

2шт.

4

07005-01012

SEAL, WASHER

SN: 11042-11858

2шт.

5

04020-01434

PIN,DOWEL

SN: 11042-11858

2шт.

6

6215-21-3811

GASKET (K2)

SN: 11042-11858

1шт.

7

01011-81245

BOLT

SN: 11042-11858

1шт.

8

01011-81230

BOLT

SN: 11042-11858

9шт.

9

01010-81290

BOLT

SN: 11042-11858

3шт.

10

01010-81275

BOLT

SN: 11042-11858

7шт.

11

6215-71-3711

COVER

SN: 11042-11858

1шт.

12

6215-81-6190

GASKET (K2)

SN: 11042-11858

2шт.

13

01010-81025

BOLT

SN: 11042-11858

3шт.

14

01643-31032

WASHER

SN: 11042-11858

3шт.

15

6215-21-3360

POINTER

SN: 11042-11858

1шт.

16

01435-00610

BOLT

SN: 11042-11858

2шт.

17

6215-21-3190

SLEEVE

SN: 11042-11858

1шт.

18

6162-23-3510

SEAL, FRONT (K2)

SN: 11042-11858

1шт.

18

6215-29-4320

FRONT SEAL ASS'Y,(SERVICE PARTS)

SN: 11042-11858

1шт.

18

0

SEAL, FRONT

SN: 11042-11858

1шт.

18

0

SLEEVE,(NOT SHOWN)

SN: 11042-11858

1шт.

19

6144-81-5151

COVER

SN: 11042-11858

1шт.

20

07000-03050

O-RING (K2)

SN: 11042-11858

1шт.

21

01435-00612

BOLT

SN: 11042-11858

2шт.

22

6215-21-1850

COVER

SN: 11042-11858

1шт.

23

01010-81280

BOLT

SN: 11042-11858

4шт.

24

01010-81220

BOLT

SN: 11042-11858

1шт.

25

09920-00150

LIQUID GASKET,LG-7, 150G

SN: 11042-11858

-2шт.

Выбрано товаров: 58