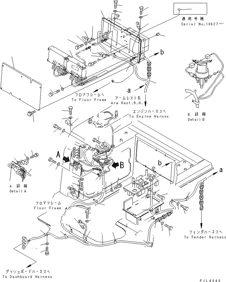
Запчасти Komatsu D475A-3 ЭЛЕКТРОПРОВОДКА (ПОЛ) (УСИЛЕНН.) (GEAMAN CONECTOR)(№7-) КАБИНА ОПЕРАТОРА И СИСТЕМА УПРАВЛЕНИЯ

Схема запчастей Komatsu D475A-3 - ЭЛЕКТРОПРОВОДКА (ПОЛ) (УСИЛЕНН.) (GEAMAN CONECTOR)(№7-) КАБИНА ОПЕРАТОРА И СИСТЕМА УПРАВЛЕНИЯ
1
2
3
4
4
5
5
6
7
8
8
8
8
9
9
9
9
9
10
11
12
13
13
13
13
13
13
14
14
15
15
16
17
18
19
20
21
22
23
24
25
26
27
28
29
30
31
32
33
34
35
36
37
38
38
39
39
40
40
41
42
42
43
43
44
44
45
45
46
47
48
49
50
51
52
53
FIT
1:1
100%

Артикул

Название

Примечание

Количество

1

198-06-58340

WIRING HARNESS

SN: 10601-UP

1шт.

2

08193-21012

CLIP

SN: 10601-UP

1шт.

3

08036-01014

CLIP

SN: 10621-UP

1шт.

4

01010-81020

BOLT

SN: 10601-UP

2шт.

5

01643-31032

WASHER

SN: 10601-UP

2шт.

6

08064-10000

HORN SWITCH

SN: 10601-UP

1шт.

7

7861-92-9120

WIRING HARNESS

SN: 10601-UP

1шт.

8

198-06-58180

WIRING HARNESS

SN: 10627-UP

1шт.

9

04434-53411

CLIP

SN: 10601-UP

6шт.

10

01010-81020

BOLT

SN: 10601-UP

5шт.

11

01643-31032

WASHER

SN: 10601-UP

5шт.

12

208-72-16730

SPACER

SN: 10601-UP

1шт.

13

04434-52511

CLIP

SN: 10601-UP

7шт.

14

01010-81020

BOLT

SN: 10601-UP

7шт.

15

01643-31032

WASHER

SN: 10601-UP

7шт.

16

08193-21012

CLIP

SN: 10601-UP

1шт.

17

01010-81020

BOLT

SN: 10601-UP

1шт.

18

01643-31032

WASHER

SN: 10601-UP

1шт.

19

04434-51910

CLIP

SN: 10601-UP

1шт.

20

01010-81020

BOLT

SN: 10601-UP

1шт.

21

01643-31032

WASHER

SN: 10601-UP

1шт.

22

04434-51912

CLIP

SN: 10601-UP

1шт.

23

01010-81020

BOLT

SN: 10601-UP

1шт.

24

01643-31032

WASHER

SN: 10601-UP

1шт.

25

195-06-61341

BRACKET

SN: 10601-UP

1шт.

26

01010-81020

BOLT

SN: 10601-UP

1шт.

27

01643-31032

WASHER

SN: 10601-UP

1шт.

28

423-875-2280

PLATE

SN: 10601-UP

1шт.

29

01010-81020

BOLT

SN: 10601-UP

1шт.

30

01643-31032

WASHER

SN: 10601-UP

1шт.

31

01010-81075

BOLT

SN: 10601-UP

1шт.

32

01643-31032

WASHER

SN: 10601-UP

1шт.

33

135-06-34250

GROMMET

SN: 10601-UP

1шт.

34

207-979-3180

GROMMET

SN: 10601-UP

1шт.

35

08193-21012

CLIP

SN: 10601-UP

1шт.

36

01010-81225

BOLT

SN: 10601-UP

1шт.

37

01643-31232

WASHER

SN: 10601-UP

1шт.

38

08193-21012

CLIP

SN: 10601-UP

1шт.

39

01010-81020

BOLT

SN: 10601-UP

1шт.

40

01643-31232

WASHER

SN: 10601-UP

1шт.

41

198-06-58890

CLIP

SN: 10601-UP

1шт.

42

569-06-61960

RELAY

SN: 10601-UP

2шт.

43

287-06-16420

BRACKET

SN: 10601-UP

2шт.

44

01010-80616

BOLT

SN: 10601-UP

2шт.

45

01643-30623

WASHER

SN: 10601-UP

2шт.

46

07049-01012

PLUG

SN: 10601-UP

9шт.

47

7830-33-7108

CONTROLLER

SN: 10762-UP

1шт.

48

01010-80890

BOLT

SN: 10601-UP

8шт.

49

01643-30823

WASHER

SN: 10601-UP

8шт.

50

195-54-64151

CASE

SN: 10601-UP

1шт.

51

20Y-00-11350

PLATE

SN: 10601-UP

1шт.

52

198-54-58180

COVER

SN: 10601-UP

1шт.

53

01439-00825

BOLT

SN: 10601-UP

8шт.

Выбрано товаров: 53