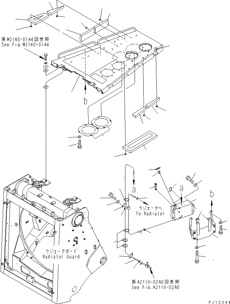
Запчасти Komatsu D475A-3 КАПОТ (ПЕРФОРИРОВАНН.) (ДЛЯ SIGHT GAUGE) (С STEEL ТИП РЕЗЕРВН. БАК)(№98-) ЧАСТИ КОРПУСА

Схема запчастей Komatsu D475A-3 - КАПОТ (ПЕРФОРИРОВАНН.) (ДЛЯ SIGHT GAUGE) (С STEEL ТИП РЕЗЕРВН. БАК)(№98-) ЧАСТИ КОРПУСА
1
2
3
4
5
5
6
7
8
8
8
8
8
8
8
8
9
10
11
12
13
14
15
16
17
18
19
20
21
22
23
24
25
26
27
28
28
28
29
30
31
32
33
33
FIT
1:1
100%

Артикул

Название

Примечание

Количество

1

198-54-56940

HOOD

SN: 10698-UP

1шт.

2

198-54-57210

GLASS WOOL

SN: 10698-UP

1шт.

3

198-54-57220

GLASS WOOL

SN: 10698-UP

1шт.

4

198-54-57230

GLASS WOOL

SN: 10698-UP

1шт.

5

198-54-57250

GLASS WOOL

SN: 10698-UP

2шт.

6

198-54-57260

GLASS WOOL

SN: 10698-UP

1шт.

7

198-54-57270

GLASS WOOL

SN: 10698-UP

1шт.

8

124-A62-1920

CAP

SN: 10698-UP

23шт.

9

198-54-55550

COVER

SN: 10698-UP

2шт.

10

01010-81225

BOLT

SN: 10698-UP

8шт.

11

01643-31232

WASHER

SN: 10698-UP

8шт.

12

198-03-63131

BRACKET

SN: 10698-UP

1шт.

13

01010-81225

BOLT

SN: 10698-UP

4шт.

14

01643-31232

WASHER

SN: 10698-UP

4шт.

15

01010-81260

BOLT

SN: 10698-UP

4шт.

16

01643-31232

WASHER

SN: 10698-UP

4шт.

17

198-03-63180

PLATE

SN: 10698-UP

1шт.

18

198-03-63111

RESERVE TANK

SN: 10698-UP

1шт.

19

195-03-41390

CAP

SN: 10698-UP

1шт.

20

195-03-41420

STRAINER

SN: 10698-UP

1шт.

21

01010-81225

BOLT

SN: 10698-UP

4шт.

22

01643-31232

WASHER

SN: 10698-UP

4шт.

23

20Y-04-21220

GAUGE

SN: 10698-UP

1шт.

24

198-03-63160

PLATE

SN: 10698-UP

1шт.

25

09483-40313

HOSE

SN: 10698-UP

1шт.

26

07281-00197

CLAMP

SN: 10698-UP

1шт.

27

423-35-12970

CLIP

SN: 10698-UP

1шт.

28

08034-20536

BAND

SN: 10698-UP

5шт.

29

423-35-12970

CLIP

SN: 10698-UP

1шт.

30

01010-81225

BOLT

SN: 10698-UP

1шт.

31

01643-31232

WASHER

SN: 10698-UP

1шт.

32

198-03-62980

HOSE

SN: 10698-UP

1шт.

33

07281-00167

CLAMP

SN: 10698-UP

2шт.

Выбрано товаров: 33