Запчасти Komatsu D475A-3 КРЫЛО ЭЛЕКТРОПРОВОДКА (/)(№-87) ЧАСТИ КОРПУСА

Схема запчастей Komatsu D475A-3 - КРЫЛО ЭЛЕКТРОПРОВОДКА (/)(№-87) ЧАСТИ КОРПУСА
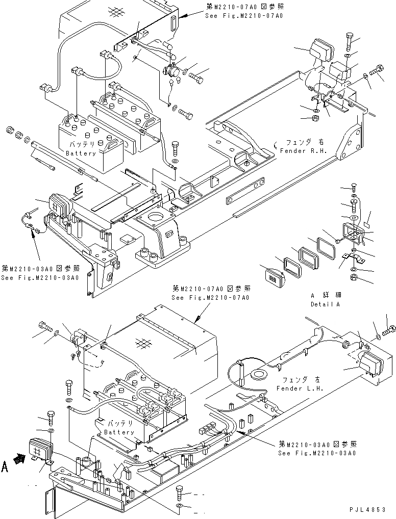
1
1
2
2
3
3
4
4
5
5
6
6
7
8
9
9
9
10
10
11
12
13
14
15
16
17
18
19
19
20
21
22
22
22
23
23
24
24
25
26
27
28
29
FIT
1:1
100%

Артикул

Название

Примечание

Количество

1

08088-40000

RELAY

SN: 10601-@

2шт.

2

01010-80830

BOLT

SN: 10601-@

4шт.

3

01643-31032

WASHER

SN: 10601-@

4шт.

4

08037-03614

GROMMET

SN: 10601-@

2шт.

|$10

203-06-56140

LAMP ASS'Y

SN: 10601-10687

4шт.

5

01582-11411

NUT

SN: 10601-10687

1шт.

6

01643-31445

WASHER

SN: 10601-10687

1шт.

7

04418-03060

SCREW

SN: 10601-10687

1шт.

8

09415-01008

CAP

SN: 10601-10687

1шт.

9

203-06-56160

HOUSING

SN: 10601-10687

1шт.

10

22W-06-12170

BULB

SN: 10601-10687

1шт.

11

22W-06-12290

CUSHION

SN: 10601-10687

1шт.

12

203-06-56190

RING

SN: 10601-10687

1шт.

13

203-06-56180

RING

SN: 10601-10687

1шт.

14

203-06-56150

WIRE ASS'Y

SN: 10601-10687

1шт.

15

203-06-56171

PLATE

SN: 10601-10687

1шт.

16

22W-06-12160

SEAT

SN: 10601-10687

1шт.

17

22W-06-12140

BOLT

SN: 10601-10687

1шт.

18

22W-06-12150

WASHER

SN: 10601-10687

1шт.

19

195-06-41150

BRACKET

SN: 10601-@

2шт.

20

01010-81230

BOLT

SN: 10601-@

4шт.

21

01643-31232

WASHER

SN: 10601-@

4шт.

22

209-68-19140

CLIP

SN: 10601-@

2шт.

23

01010-81225

BOLT

SN: 10601-@

2шт.

24

01643-31232

WASHER

SN: 10601-@

2шт.

25

08164-00000

BUZZER,BACK-UP

SN: 10601-@

1шт.

26

6132-11-6460

BOLT

SN: 10601-@

2шт.

27

01643-30823

WASHER

SN: 10601-@

2шт.

28

01010-81020

BOLT

SN: 10601-@

1шт.

29

01643-31032

WASHER

SN: 10601-@

1шт.

Выбрано товаров: 30