Запчасти Komatsu D475A-3 ОСНОВН. POWER (ПРЕДОХРАНИТЕЛЬ КОРПУС) (УСИЛ. ТИП) (GEAMAN СОЕДИН-Е)(№7-) ЧАСТИ КОРПУСА

Схема запчастей Komatsu D475A-3 - ОСНОВН. POWER (ПРЕДОХРАНИТЕЛЬ КОРПУС) (УСИЛ. ТИП) (GEAMAN СОЕДИН-Е)(№7-) ЧАСТИ КОРПУСА
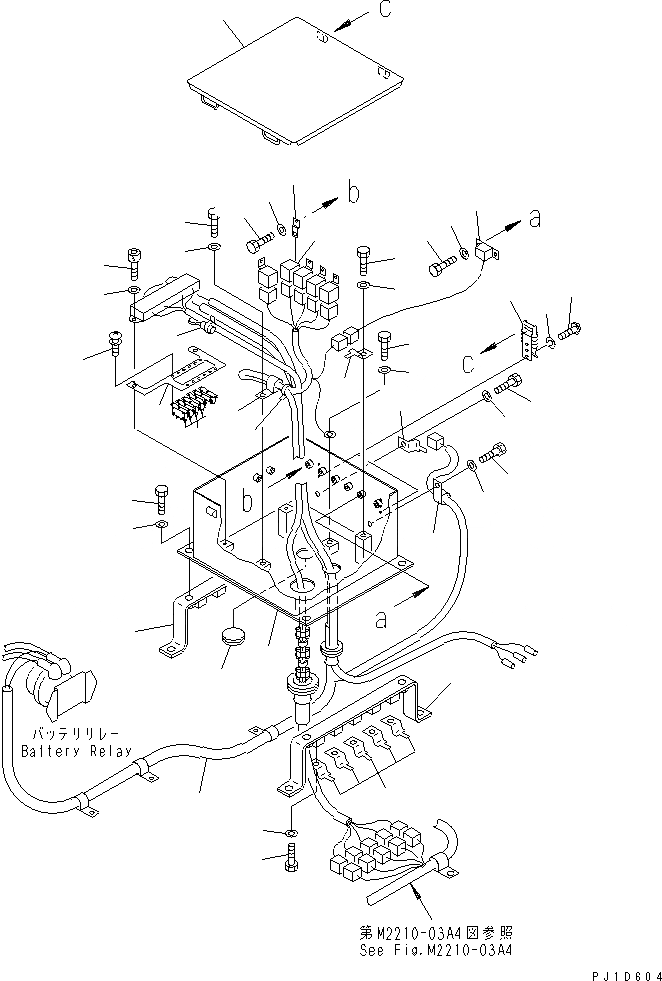
1
2
3
4
5
6
7
8
9
10
11
12
13
14
15
16
17
18
19
20
21
22
23
24
25
26
27
28
29
30
31
32
33
33
34
35
36
37
38
39
40
41
FIT
1:1
100%

Артикул

Название

Примечание

Количество

1

198-06-51222

BOX

SN: 10675-UP

1шт.

2

195-06-49580

COVER

SN: 10675-UP

1шт.

3

08193-21012

CLIP

SN: 10675-UP

1шт.

4

01010-81020

BOLT

SN: 10675-UP

1шт.

5

01643-31032

WASHER

SN: 10675-UP

1шт.

6

09415-02512

CAP

SN: 10675-UP

1шт.

7

198-06-59160

SWITCH

SN: 10675-UP

1шт.

8

01010-80616

BOLT

SN: 10675-UP

2шт.

9

01643-30623

WASHER

SN: 10675-UP

2шт.

10

08193-21012

CLIP

SN: 10675-UP

1шт.

11

01010-81020

BOLT

SN: 10675-UP

1шт.

12

01643-31032

WASHER

SN: 10675-UP

1шт.

13

569-06-61960

RELAY

SN: 10675-UP

6шт.

14

287-06-16420

BRACKET

SN: 10675-UP

6шт.

15

01010-80616

BOLT

SN: 10675-UP

6шт.

16

01643-30623

WASHER

SN: 10675-UP

6шт.

17

198-06-58710

WIRING HARNESS

SN: 10675-UP

1шт.

17

08041-02000

FUSE, 20A

SN: 10675-UP

7шт.

17

08041-01000

FUSE, 10A

SN: 10675-UP

3шт.

18

08020-20000

DIODE

SN: 10675-UP

1шт.

19

01252-30616

BOLT

SN: 10675-UP

2шт.

20

01641-20608

WASHER

SN: 10675-UP

2шт.

21

04434-51010

CLIP

SN: 10675-UP

1шт.

22

01010-81020

BOLT

SN: 10675-UP

1шт.

23

01643-31032

WASHER

SN: 10675-UP

1шт.

24

08034-00310

BAND

SN: 10675-UP

1шт.

25

01010-81020

BOLT

SN: 10675-UP

1шт.

26

01643-31032

WASHER

SN: 10675-UP

1шт.

27

08193-21012

CLIP

SN: 10675-UP

5шт.

28

01010-81020

BOLT

SN: 10675-UP

5шт.

29

01643-31032

WASHER

SN: 10675-UP

5шт.

30

195-57-11530

CATCH CLIP

SN: 10675-UP

2шт.

31

01220-40510

SCREW

SN: 10675-UP

6шт.

32

01601-20513

WASHER

SN: 10675-UP

6шт.

33

198-06-58910

PLATE

SN: 10675-UP

2шт.

34

01010-81220

BOLT

SN: 10675-UP

4шт.

35

01643-31232

WASHER

SN: 10675-UP

4шт.

36

04434-51412

CLIP

SN: 10675-UP

1шт.

37

01010-81020

BOLT

SN: 10675-UP

1шт.

38

01643-31032

WASHER

SN: 10675-UP

1шт.

39

198-06-58810

PLATE

SN: 10675-UP

1шт.

40

01023-10308

SCREW

SN: 10675-UP

12шт.

41

195-979-8340

BREAKER

SN: 10675-UP

6шт.

Выбрано товаров: 43