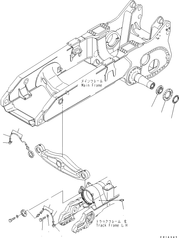
Запчасти Komatsu D475A-3 БАЛКА БАЛАНСИРА СМАЗКА(№8-) ХОДОВАЯ

Схема запчастей Komatsu D475A-3 - БАЛКА БАЛАНСИРА СМАЗКА(№8-) ХОДОВАЯ
1
2
3
3
4
5
6
6
7
8
9
10
FIT
1:1
100%

Артикул

Название

Примечание

Количество

1

198-50-61330

TUBE,L.H.

SN: 10685-UP

1шт.

2

198-50-61340

TUBE,R.H.

SN: 10685-UP

1шт.

3

566-16-11970

CLIP

SN: 10601-UP

2шт.

4

01010-81020

BOLT

SN: 10601-UP

4шт.

5

01643-31032

WASHER

SN: 10601-UP

4шт.

6

20D-68-11780

ELBOW

SN: 10601-UP

2шт.

7

07020-00000

FITTING,GREASE

SN: 10601-UP

2шт.

8

198-50-31160

WASHER

SN: 10601-UP

1шт.

9

198-50-52171

WASHER

SN: 10685-UP

1шт.

10

198-50-31241

SEAL

SN: 10601-UP

1шт.

Выбрано товаров: 10